GM Service Manual Online
For 1990-2009 cars only
Makes
🢒
Cadillac
🢒
2004
🢒
XLR
🢒 GMLAN
GMLAN
GMLAN
Master Electrical Component List
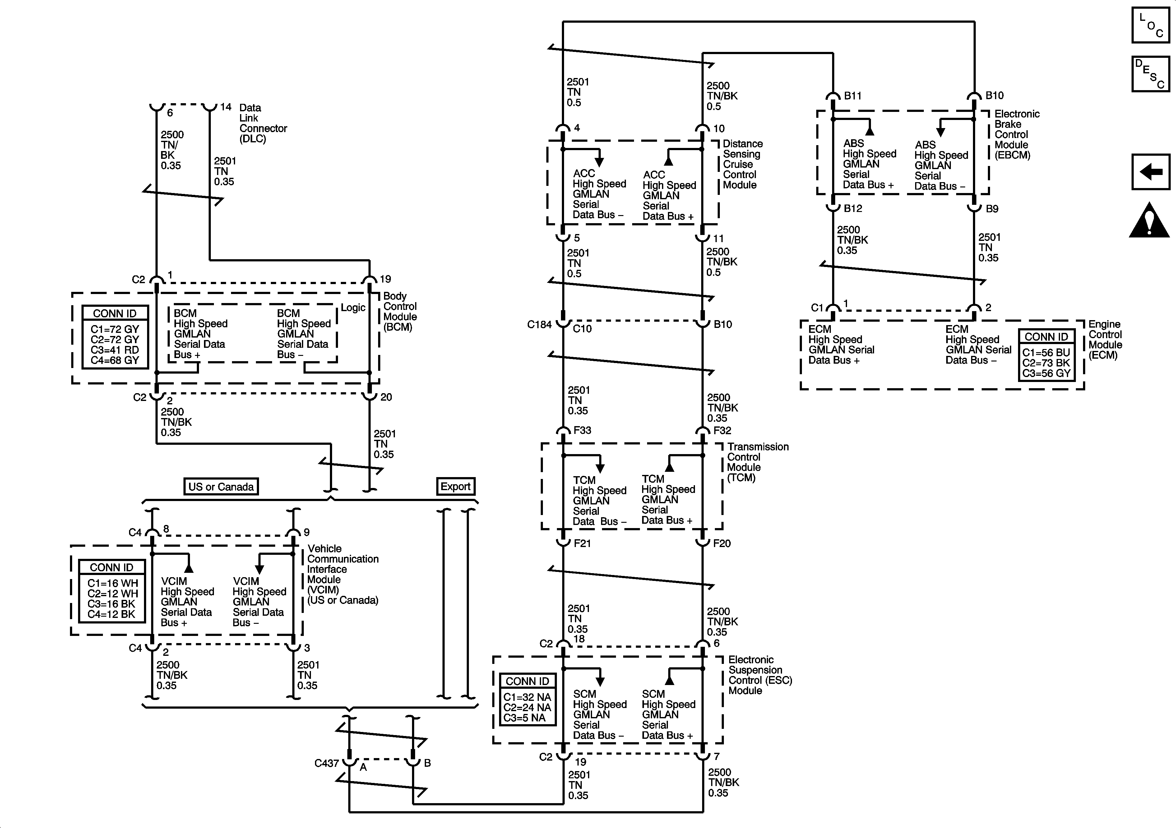
Data Link Communications Description and Operation
Class 2
Computer/Integrating Systems Schematic Icons