GM Service Manual Online
For 1990-2009 cars only
Figure 1:

Marker Lamps, Park Lamps, and Turn Lamps


Object Number: 678794  Size: FS
Master Electrical Component List
Exterior Lighting Systems Description and Operation
Hazard Switch
Hazard Switch
License Lamps
LH BEC BATT1, AUX PWR/CIGAR, PARK LPS, PCM BATT, PWR MIRROR, DR LOCK, TRUNK REL/RFA/Radio Amp Fuses, and RWR SEAT Circuit Breaker
Hazard Switch
G101
Figure 2:

Hazard Switch


Object Number: 678795  Size: FS
Master Electrical Component List
Exterior Lighting Systems Description and Operation
High Mounted Stop Lamp Assembly
Marker Lamps, Park Lamps, and Turn Lamps
Instrument Panel Lamps
Data Link Connector Schematics
G201
Marker Lamps, Park Lamps, and Turn Lamps
Rear Lamps (Pontiac)
Rear Backup Lamps
Fault Indicators
Marker Lamps, Park Lamps, and Turn Lamps
Rear Lamps (Pontiac)
Rear Lamps (Oldsmobile)
RH HDLP, LH HDLP, GEN BATT, LH BEC BATT 2, STOP LPS, HAZARD LPS, IPC/HVACBATT, BFC BATT Fuses
IGN SW-BATT2, WIPER, AIR BAG, TURN LPS, IGN MOD, BU LMP, PCM IGN, F/PINJR, A/C BFC, AUTO TRANS, ABS, IGN Fuses
Figure 3:

High Mounted Stoplamp Assembly


Object Number: 678796  Size: FS
Master Electrical Component List
Exterior Lighting Systems Description and Operation
License Lamps
Hazard Switch
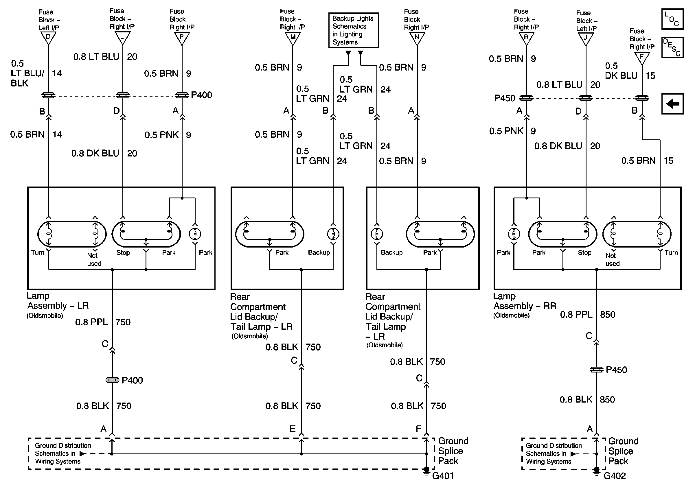
Rear Lamps (Oldsmobile)
Rear Lamps (Pontiac)
Rear Lamps (Oldsmobile)
Rear Lamps (Pontiac)
G401
RH HDLP, LH HDLP, GEN BATT, LH BEC BATT 2, STOP LPS, HAZARD LPS, IPC/HVACBATT, BFC BATT Fuses
Figure 4:

License Lamps


Object Number: 678798  Size: FS
Master Electrical Component List
Exterior Lighting Systems Description and Operation
PNP Switch and Backup Lamp Switch
High Mounted Stop Lamp Assembly
Marker Lamps, Park Lamps, and Turn Lamps
Power, Ground, and Antenna
Rear Lamps (Oldsmobile)
Rear Lamps (Oldsmobile)
Rear Lamps (Oldsmobile)
Rear Lamps (Pontiac)
G401
Rear Lamps (Oldsmobile)
Rear Lamps (Pontiac)
IP Dimmer Switch
Figure 5:

PNP Switch and Backup Lamp Switch


Object Number: 678799  Size: FS
Master Electrical Component List
Exterior Lighting Systems Description and Operation
Rear Backup Lamps
License Lamps
Rear Backup Lamps
Rear Backup Lamps
Rear Backup Lamps
Rear Backup Lamps
IGN SW-BATT2, WIPER, AIR BAG, TURN LPS, IGN MOD, BU LMP, PCM IGN, F/PINJR, A/C BFC, AUTO TRANS, ABS, IGN Fuses
Figure 6:

Rear Backup Lamps


Object Number: 678803  Size: FS
Master Electrical Component List
Exterior Lighting Systems Description and Operation
Rear Lamps (Pontiac)
PNP Switch and Backup Lamp Switch
PNP Switch and Backup Lamp Switch
PNP Switch and Backup Lamp Switch
PNP Switch and Backup Lamp Switch
PNP Switch and Backup Lamp Switch
G401
G402
G402
G401
G401
Figure 7:

Rear Lamps (Pontiac)


Object Number: 678805  Size: FS
Master Electrical Component List
Exterior Lighting Systems Description and Operation
Rear Lamps (Oldsmobile)
Rear Backup Lamps
Hazard Switch
Hazard Switch
High Mounted Stop Lamp Assembly
License Lamps
PNP Switch and Backup Lamp Switch
License Lamps
High Mounted Stop Lamp Assembly
Hazard Switch
Hazard Switch
G402
G401
Figure 8:

Rear Lamps (Oldsmobile)


Object Number: 678808  Size: FS
Master Electrical Component List
Exterior Lighting Systems Description and Operation
Rear Lamps (Pontiac)
Hazard Switch
High Mounted Stop Lamp Assembly
License Lamps
PNP Switch and Backup Lamp Switch
License Lamps
License Lamps
High Mounted Stop Lamp Assembly
Hazard Switch
G402
G401