GM Service Manual Online
For 1990-2009 cars only
Figure 1:

Top Right Side of the I/P


Object Number: 264438  Size: LF
(1)I/P Harness
(2)I/P Compartment Lamp/Switch
(3)Air Temperature Actuator Connector
(4)Cigar Lighter Connector
(5)I/P Compartment Lamp (Oldsmobile only)
(6)Accessory Power Outlet Connector (Oldsmobile only)
(7)HVAC Control Assembly Connectors
Figure 2:

Left Side of Instrument Panel


Object Number: 328110  Size: LF
(1)Horn Switch
(2)Inflatable Restraint Steering Wheel Module Connector
(3)G201
(4)G202
(5)Fuse Block - Left I/P
Figure 3:

Sunroof Assembly


Object Number: 328360  Size: LF
(1)Sunroof Switch
(2)C301
(3)C400
Figure 4:

Left Side of Passenger Compartment


Object Number: 328234  Size: LF
(1)Fuse Block - Left IP, C3
(2)C500
(3)C501
(4)C306
(5)Seat Belt Switch Connector
(6)G301
(7)C300
Figure 5:

Left Rear Side of the Engine Compartment


Object Number: 264417  Size: LF
(1)Remote Battery Stud
(2)Fuse Block - Underhood
Figure 6:

Floor Shift


Object Number: 328347  Size: LF
(1) Traction Control Switch (Oldsmobile)
Figure 7:

LH Side of Engine Compartment


Object Number: 328064  Size: LF
(1)Battery
(2)G104
(3)G105
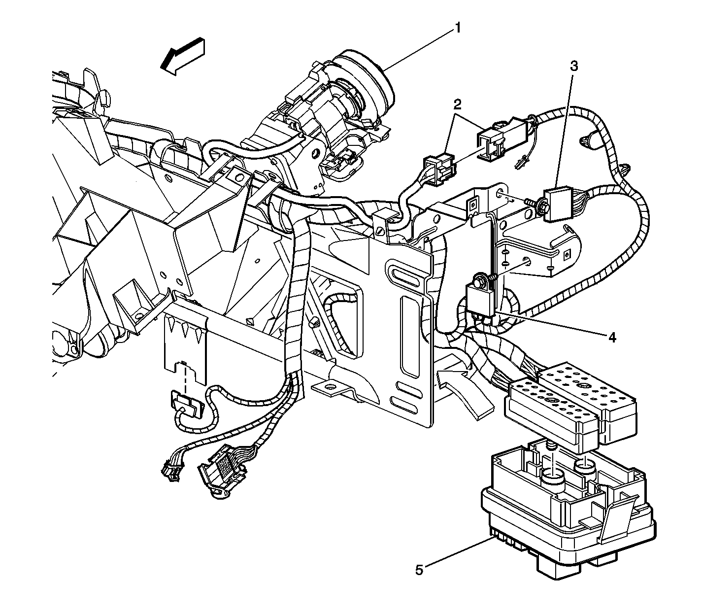
Figure 8:

I/P Wiring Harness (RH)


Object Number: 1386600  Size: LF
(1)Blower Motor Resistor Assembly Connector
(2)Blower Motor
(3)Fuse Block - Right IP, C1 and C2
(4)Inflatable Restraint IP Module
(5)Splice Pack, SP203
(6)G203
(7)Body Control Module (BCM)
(8)Blower Motor Resistor Assembly
Figure 9:

Exterior View


Object Number: 330150  Size: LF
(1)Rear Window Defogger Grid
(2) Radio Antenna
(3) Lamp Assembly - RR (LR Similar)
(4)Center High Mounted Stop Lamp (CHMSL)
(5)License Lamp
(6) Backup Lamp - Left (Right Similar)
Figure 10:

Instrument Panel


Object Number: 747979  Size: MF
(1)Turn Signal/Multifunction Switch
(2)Ignition Switch
(3)Traction Control Switch (Pontiac)
(4)Hazard Switch
(5)Cigar Lighter
(6)Steering Wheel Controls - Right
(7)Cruise Control ON/OFF Switch
(8)Steering Wheel Controls - Left
(9)Fog Lamp Switch
(10)I/P Dimmer Switch
(11)Turn Signal/Multifunction Switch
(12)Instrument Panel Cluster (IPC)