GM Service Manual Online
For 1990-2009 cars only
Figure 1:

Cell 14 (G102, G103, G100)


Object Number: 493711  Size: FS
Power and Grounding Components
Cell 14 (G108, G106, G101)
Figure 2:

Cell 14 (G108, G106, G101)


Object Number: 493717  Size: FS
Handling ESD Sensitive Parts Notice
Power and Grounding Components
Cell 14 (G104)
Cell 14 (G102, G103, G100)
Figure 3:

Cell 14 (G104)


Object Number: 493720  Size: FS
Handling ESD Sensitive Parts Notice
Handling ESD Sensitive Parts Notice
Handling ESD Sensitive Parts Notice
Handling ESD Sensitive Parts Notice
Power and Grounding Components
Cell 14 (G107, G105)
Cell 14 (G108, G106, G101)
Figure 4:

Cell 14 (G107, G105)


Object Number: 493727  Size: FS
Handling ESD Sensitive Parts Notice
Handling ESD Sensitive Parts Notice
Handling ESD Sensitive Parts Notice
Handling ESD Sensitive Parts Notice
Handling ESD Sensitive Parts Notice
Handling ESD Sensitive Parts Notice
Handling ESD Sensitive Parts Notice
Handling ESD Sensitive Parts Notice
Power and Grounding Components
Cell 14 (G110)
Cell 14 (G104)
Figure 5:

Cell 14 (G110)


Object Number: 493733  Size: FS
Handling ESD Sensitive Parts Notice
Handling ESD Sensitive Parts Notice
Handling ESD Sensitive Parts Notice
Power and Grounding Components
Cell 14 (S504, P500, C301)
Cell 14 (G107, G105)
Cell 14 (S504, P500, C301)
Figure 6:

Cell 14 (S504, P500, C301)


Object Number: 493738  Size: FS
Power and Grounding Components
Cell 14 (G200)
Cell 14 (G110)
Cell 14 (G110)
Figure 7:

Cell 14 (G200)


Object Number: 493747  Size: FS
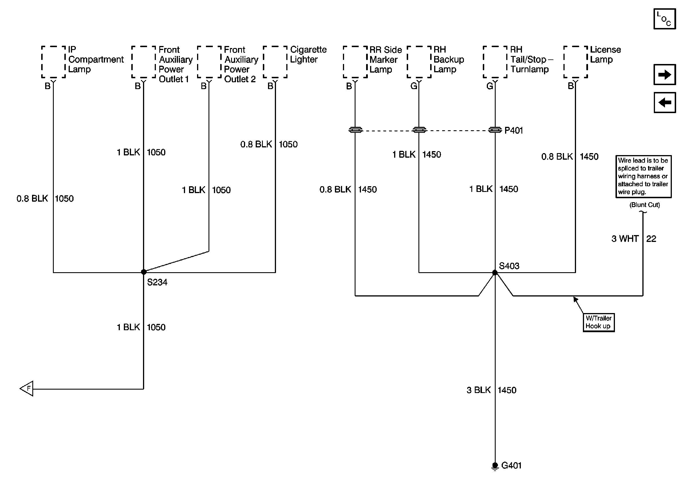
Cell 14 (G401)
Handling ESD Sensitive Parts Notice
Handling ESD Sensitive Parts Notice
Handling ESD Sensitive Parts Notice
Handling ESD Sensitive Parts Notice
Handling ESD Sensitive Parts Notice
Power and Grounding Components
Cell 14 (G401)
Cell 14 (S504, P500, C301)
Figure 8:

Cell 14 (G401)


Object Number: 493754  Size: FS
Power and Grounding Components
Cell 14 (G200)
Cell 14 (G400, G301, G404)
Cell 14 (G200)
Figure 9:

Cell 14 (G400, G301, G404)


Object Number: 493767  Size: FS
Handling ESD Sensitive Parts Notice
Power and Grounding Components
Cell 14 (G403, G300)
Cell 14 (G401)
Figure 10:

Cell 14 (G403, G300)


Object Number: 493771  Size: FS
Handling ESD Sensitive Parts Notice
Handling ESD Sensitive Parts Notice
Handling ESD Sensitive Parts Notice
Cell 14 (G400, G301, G404)
Power and Grounding Components