GM Service Manual Online
For 1990-2009 cars only

Removal Procedure

Tools Required

    • J 41427 Engine Lift Bracket
    • J 41602 Body Protection Hoist Adapter Set
    • J 39580 Universal Engine Support Table

Important

This procedure must be performed on a side lift hoist. The engine and front frame assembly will be removed out of the bottom of the vehicle, therefore, a single post hoist or a twin post hoist cannot be used to perform this procedure.

Notice: Failure to flush out the oil cooling system or the engine cooling system may result in premature failure of the replacement engine.

If the engine is damaged internally and a new engine is installed, make sure that all foreign material is completely flushed out of the cooling system.

The oil cooler system should be also be flushed out, if equipped.


    Object Number: 108126  Size: SH
  1. Disconnect the battery negative cable. Refer to Battery Replacement in Engine Electrical.
  2. Remove the engine cover. Refer to Engine Cover Replacement in Interior Trim.
  3. Remove the air cleaner assembly. Refer to Air Cleaner Assembly Replacement in Engine Controls.
  4. Remove the air cleaner outlet duct from the throttle body. Refer to Air Cleaner Outlet Duct Replacement in Engine Controls.
  5. Remove the radiator. Refer to Radiator Replacement in Engine Cooling.
  6. Disconnect the air conditioning pipes at the accumulator and the condenser, if equipped. Refer to Auxiliary Air Conditioning Compressor and Condenser Hose Replacement in HVAC Systems with A/C - Manual.
  7. Caution: In order to avoid possible injury or vehicle damage, always replace the accelerator control cable with a NEW cable whenever you remove the engine from the vehicle.

    In order to avoid cruise control cable damage, position the cable out of the way while you remove or install the engine. Do not pry or lean against the cruise control cable and do not kink the cable. You must replace a damaged cable.

  8. Remove the accelerator control cable from the throttle shaft. Refer to Accelerator Control Cable Replacement in Engine Controls.
  9. Remove the cruise control cable, if equipped from the throttle shaft. Refer to Cruise Control Cable Replacement in Cruise Control.
  10. Remove the accelerator control cable and the cruise control cable from the accelerator control cable bracket.

  11. Object Number: 188305  Size: SH
  12. Remove the power steering reservoir and drain the fluid. Refer to Remote Power Steering Fluid Reservoir Replacement in Power Steering Systems.
  13. Disconnect the pipes from the hydro boost unit. Refer to Power Brake Booster Replacement in Hydraulic Brakes.
  14. Disconnect the master cylinder from the hydro boost unit. Refer to Master Cylinder Replacement in Hydraulic Brakes.
  15. Tie the master cylinder to the oil fill tube.
  16. Disconnect the steering shaft from the steering gear. Refer to Intermediate Steering Shaft Replacement in Steering Wheel and Column.
  17. Disconnect the heater hoses from the engine. Refer to Heater Water Bypass Valve Replacement in Heating and Ventilation (Non-A/C).
  18. Disconnect the vacuum hose from the water control valve.
  19. Disconnect the wire connector from the water control valve.
  20. Disconnect the fuse box and the wiring harness from the bulkhead connector. Refer to

    Bulkhead/Underhood Fuse-Relay Center Wiring (Electrical)


    Object Number: 281236  Size: LF
    in Wiring Systems.
  21. Disconnect all related electrical connectors that connect the wiring harness to the body under the hood including the following: Refer to

    Engine/Center of Front of Dash Wiring (Electrical)


    Object Number: 281247  Size: LF
    in Wiring Systems.
  22. • The ground wires
    • The accumulator
    • The cruise control module
    • The wiper motor
  23. Remove the wiring harness from the retainers and lay the harness on the engine.

  24. Object Number: 43743  Size: SH
  25. Remove the front section of the running boards, if equipped. Refer to Assist Step Front Extension Replacement in Frame and Underbody.
  26. Install the J 41602 to the pinch weld area on both sides of the vehicle.
  27. Position the front hoist arms under the J 41602 . Refer to Lifting and Jacking the Vehicle in General Information for proper position of the rear hoist arms.
  28. Make sure the rear of the vehicle is slightly higher than the front.
  29. Raise the vehicle.

  30. Object Number: 188048  Size: SH
  31. Remove the oil pan drain plug and drain the engine oil into a suitable container.
  32. Remove the rear propeller shaft. Refer to Rear Propeller Shaft Replacement in Propeller Shaft.

  33. Object Number: 334324  Size: SH
  34. Remove the starter. Refer to Starter Motor Replacement in Engine Electrical.
  35. Remove the transmission cover.
  36. Remove the torque converter bolts through the starter opening.
  37. Disconnect the shift cable from the transmission. Refer to Shift Cable Replacement in Automatic Transmission - 4L60-E.
  38. Disconnect the wire connector from the wiring harness above the transmission.
  39. Disconnect the exhaust system at the main flange behind the catalytic converter. Refer to Catalytic Converter Replacement in Engine Exhaust.

  40. Object Number: 163821  Size: SH
  41. Remove the park brake bracket from the frame.
  42. Disconnect the rear brake pipe from the brake pressure modulator valve (BPMV). Refer to Brake Pressure Modulator Valve Replacement in Anti Lock Brakes.
  43. Remove the front bumper. Refer to Front Bumper Replacement in Bumper and Facias.
  44. Disconnect the power steering cooler from the front air deflector. Refer to Power Steering Cooler Pipe/Hose Replacement in Power Steering Systems.
  45. Disconnect the inflatable restraint front end discriminating sensor electrical connector. Refer to Inflatable Restraint Front End Discriminating Sensor Replacement in SIR.
  46. Disconnect the fender wheelhouse extensions from the chassis to the frame. Refer to Wheelhouse Extension Replacement in Body Front End.
  47. Disconnect the rear air conditioning pipes at the rear crossmember, if equipped.
  48. Leave the air conditioning pipes attached to the powertrain assembly.

    • Refer to Accumulator Tube Replacement - Auxiliary Side in HVAC Systems with A/C - Manual.
    • Refer to Evaporator Tube Replacement - Auxiliary Side in HVAC Systems with A/C - Manual.
  49. Disconnect the fuel pipes at the fuel filter. Refer to Fuel Hose/Pipes Assembly Replacement in Engine Controls.
  50. Pull the fuel pipes through the crossmember (forward). Lay the fuel pipes on the transmission.
  51. Disconnect the fuel tank electrical connector. Refer to

    Undercarriage


    Object Number: 297579  Size: LF
    (1)Electronic Brake Control Module (EBCM)
    (2)Brake Pressure Warning Switch
    (3)Brake Pressure Warning Switch Connector
    (4)Fuel Pump and Level Sender Connector
    (5)Evaporative Emission Canister Vent Valve
    in Wiring Systems.
  52. Disconnect the EVAP vent valve electrical connector.
  53. Remove the bolt and the ground wire at the chassis by the EVAP vent valve.
  54. Make sure all the connections are disconnected between the chassis and the frame.
  55. Disconnect the transfer case vent hose, if equipped.

  56. Object Number: 416685  Size: SH
  57. Position the J 39580 under the frame assembly.
  58. Lower the vehicle.
  59. Adjust J 39580 to properly support the frame assembly with the engine, transmission, front suspension components, and front differential carrier assembly, if equipped.

  60. Object Number: 316216  Size: SH
  61. Remove the body mount bolts (1), (2) and (3). Refer to Body Mount Replacement in Frame and Underbody.
  62. Place a jack stand under the transmission crossmember to prevent the frame assembly from tipping off of the J 39580 .
  63. Raise the hoist in order to separate the body from the frame assembly.
  64. Install support stands under the rear axle.

  65. Object Number: 172982  Size: SH
  66. Remove the EGR valve inlet pipe from the intake manifold and the exhaust manifold.
  67. Disconnect the spark plug wires from the spark plugs. Refer to Spark Plug Wire Harness Replacement in Engine Electrical.
  68. Remove the distributor cap with the spark plug wire harness.
  69. Remove the air conditioning compressor and the power steering pump mounting bracket. Refer to Accessory Mounting Brackets Replacement .

  70. Object Number: 33636  Size: SH
  71. Install the J 41427 using the following procedure:
  72. 59.1. Remove the two right rear lower intake manifold bolts.
    59.2. Install the J 41427 marked RIGHT REAR.

    Notice: Use the correct fastener in the correct location. Replacement fasteners must be the correct part number for that application. Fasteners requiring replacement or fasteners requiring the use of thread locking compound or sealant are identified in the service procedure. Do not use paints, lubricants, or corrosion inhibitors on fasteners or fastener joint surfaces unless specified. These coatings affect fastener torque and joint clamping force and may damage the fastener. Use the correct tightening sequence and specifications when installing fasteners in order to avoid damage to parts and systems.

    59.3. Install the retaining bolts.

    Tighten
    Tighten the retaining bolts to 15 N·m (11 lb ft).

    59.4. Remove the two left front lower intake manifold bolts.
    59.5. Install the J 41427 marked LEFT FRONT with the arrow pointing to the front of the engine.
    59.6. Install the retaining bolts

    Tighten
    Tighten the retaining bolts to 15 N·m (11 lb ft).


    Object Number: 367585  Size: SH
  73. Remove the engine mount through bolts.

  74. Object Number: 363401  Size: SH
  75. Remove the bolt holding the fuel pipe bracket to the rear of the left cylinder head.
  76. Disconnect the fuel pipes at the rear of the engine. Refer to Fuel Hose/Pipes Replacement - Engine Compartment in Engine Controls.
  77. Disconnect the electrical harness at the transmission.
  78. Disconnect all the wire harness connections and the ground wires from the engine and move the harness aside.
  79. • Refer to

    Engine Wiring, RH Side


    Object Number: 374535  Size: LF
    (1)S123
    (2)Evaporative Emission Canister Purge Solenoid Valve Connector
    (3)Ignition Coil Connector
    (4)S122
    (5)Ignition Control Module
    (6)S120
    (7)Distributor Ignition Control Module Connector
    (8)Generator
    (9)Generator Connector
    (10)Ignition Coil
    (11)Map Sensor Connector
    (12)Map Sensor
    (13)Evaporative Emission Canister Purge Solenoid Valve
    in Wiring Systems.
    • Refer to

    Engine Wiring, LH Side (Electrical)


    Object Number: 374517  Size: LF
    (1)A/C Compressor Clutch
    (2)A/C Compressor Clutch Connector
    (3)Throttle Position Sensor
    (4)Engine Coolant Temperature Gauge Sensor Connector
    (5)Idle Air Control Valve Motor
    (6)Throttle Position Sensor Connector
    (7)Fuel Injector #2 (Inside Plenum)
    (8)Idle Air Control Valve Motor Connector
    (9)Fuel Injector Connector (C104)
    (10)C103
    (11)Fuel Injector #4 (Inside Plenum)
    (12)G107
    (13)Distributor
    (14)Fuel Injector #6 (Inside Plenum)
    (15)Oil Pressure Switch and Sender Connector
    (16)S124
    (17)Camshaft Position Sensor (Inside Distributor)
    (18)Camshaft Position Sensor Connector
    (19)S126
    (20)Oil Pressure Switch and Sender
    (21)Knock Sensor
    (22)Knock Sensor Connector
    (23)G106
    (24)Fuel Injector #5 (Inside Plenum)
    (25)Engine Coolant Temperature Gauge Sensor
    (26)Fuel Injector #3 (Inside Plenum)
    (27)Fuel Injector #1 (Inside Plenum)
    (28)A/C High Pressure Cut-Off Switch
    (29)A/C Compressor
    in Wiring Systems.
  80. Remove the transfer case to engine block brace, if equipped. Refer to Transfer Case Replacement in Transfer Case.
  81. Raise the engine slightly. Support the front of the transmission with suitable floor stand and a block of wood. Do not support the transmission under the oil pan.
  82. Remove the exhaust pipe from the exhaust manifolds. Refer to Catalytic Converter Replacement in Engine Exhaust.

  83. Object Number: 103668  Size: SH
  84. Remove the transmission to engine bolts.
  85. Disconnect the engine from the transmission.
  86. Remove the engine from the frame.

Installation Procedure

Important: If you install a new engine, make sure any remaining components, brackets, or accessories are transferred to the new engine.

  1. Install the engine into the frame.
  2. Connect the engine to the transmission. Refer to Transmission Replacement in Automatic Transmission - 4L60-E.
  3. Remove the support from under the transmission.
  4. Lower the engine and the transmission onto the engine mounts.

  5. Object Number: 367585  Size: SH
  6. Install the engine mount through-bolts.
  7. Tighten
    Tighten the engine mount through-bolts to 68 N·m (50 lb ft).


    Object Number: 33636  Size: SH
  8. Remove the J 41427 from the engine.
  9. Apply thread lock GM PN 12345382 or equivalent to the threads of the lower intake manifold bolts.
  10. Install the intake manifold bolts.
  11. Tighten

    1. Tighten the bolts the first pass to 3 N·m (27 lb in).
    2. Tighten the bolts the second pass to 12 N·m (106 lb in).
    3. Tighten the bolts the first pass to 15 N·m (11 lb ft).
  12. Install the exhaust pipe to the exhaust manifolds. Refer to Catalytic Converter Replacement in Engine Exhaust.
  13. Connect the fuel pipes at the rear of the engine. Refer to Fuel Hose/Pipes Replacement - Engine Compartment in Engine Controls.

  14. Object Number: 363401  Size: SH
  15. Connect the fuel pipe bracket to the rear of the left cylinder head.
  16. Tighten
    Tighten the fuel pipe bracket bolt to 30 N·m (22 lb ft).

  17. Connect all of the wiring harness connections and the ground wires to the engine.
  18. • Refer to

    Engine Wiring, RH Side


    Object Number: 374535  Size: LF
    (1)S123
    (2)Evaporative Emission Canister Purge Solenoid Valve Connector
    (3)Ignition Coil Connector
    (4)S122
    (5)Ignition Control Module
    (6)S120
    (7)Distributor Ignition Control Module Connector
    (8)Generator
    (9)Generator Connector
    (10)Ignition Coil
    (11)Map Sensor Connector
    (12)Map Sensor
    (13)Evaporative Emission Canister Purge Solenoid Valve
    in Wiring Systems.
    • Refer to

    Engine Wiring, LH Side (Electrical)


    Object Number: 374517  Size: LF
    (1)A/C Compressor Clutch
    (2)A/C Compressor Clutch Connector
    (3)Throttle Position Sensor
    (4)Engine Coolant Temperature Gauge Sensor Connector
    (5)Idle Air Control Valve Motor
    (6)Throttle Position Sensor Connector
    (7)Fuel Injector #2 (Inside Plenum)
    (8)Idle Air Control Valve Motor Connector
    (9)Fuel Injector Connector (C104)
    (10)C103
    (11)Fuel Injector #4 (Inside Plenum)
    (12)G107
    (13)Distributor
    (14)Fuel Injector #6 (Inside Plenum)
    (15)Oil Pressure Switch and Sender Connector
    (16)S124
    (17)Camshaft Position Sensor (Inside Distributor)
    (18)Camshaft Position Sensor Connector
    (19)S126
    (20)Oil Pressure Switch and Sender
    (21)Knock Sensor
    (22)Knock Sensor Connector
    (23)G106
    (24)Fuel Injector #5 (Inside Plenum)
    (25)Engine Coolant Temperature Gauge Sensor
    (26)Fuel Injector #3 (Inside Plenum)
    (27)Fuel Injector #1 (Inside Plenum)
    (28)A/C High Pressure Cut-Off Switch
    (29)A/C Compressor
    in Wiring Systems.
  19. Connect the electrical harness at the transmission.
  20. Install the transfer case to engine block brace, if equipped. Refer to Transfer Case Replacement in Transfer Case.

  21. Object Number: 172982  Size: SH
  22. Install the EGR valve inlet pipe to the intake manifold and the exhaust manifold.
  23. Tighten

        • Tighten the EGR valve inlet pipe intake manifold nut to 25 N·m (18 lb ft).
        • Tighten the EGR valve inlet pipe exhaust manifold nut to 30 N·m (22 lb ft).
        • Tighten the EGR valve inlet pipe clamp bolt to 25 N·m (18 lb ft).
  24. Install the air conditioning compressor, if equipped, and the power steering pump mounting bracket. Refer to Accessory Mounting Brackets Replacement .
  25. Install the distributor cap. Refer to Distributor Replacement in Engine Electrical.
  26. Install the spark plug wires. Refer to Spark Plug Wire Harness Replacement in Engine Electrical.

  27. Object Number: 416685  Size: SH

    Important: Align the frame using the two alignment holes in the frame and the body. Use a pry bar or dowel pin in order to align the holes as the vehicle is being lowered/raised into the frame.

  28. Lower the vehicle onto the engine/frame assembly.

  29. Object Number: 316216  Size: SH

    Important: The six body bolts (frame to body) must be tightened in sequence in order to ensure proper alignment of the frame to the chassis.

  30. Install the body bolts (frame to body) (1), (2), and (3).

  31. Object Number: 43748  Size: SH
  32. Tighten the body bolts using the following sequence.
  33. Tighten

    1. Tighten all of the body bolts in the sequence shown to 35 N·m (26 lb ft).
    2. Tighten the right center body bolt first to 155 N·m (114 lb ft).
    3. Tighten the left center body bolt second to 155 N·m (114 lb ft).
    4. Tighten the right front body bolt third to 90N·m (66 lb ft).
    5. Tighten the left rear body bolt fourth to 90 N·m (66 lb ft).
    6. Tighten the left front body bolt fifth to 90 N·m (66 lb ft).
    7. Tighten the right rear body bolt last to 90 N·m (66 lb ft).
  34. Raise the vehicle.

  35. Object Number: 334324  Size: SH
  36. Install the transfer case vent tube, if equipped.
  37. Connect the wire connector to the wiring harness above the transmission.
  38. Connect the shift cable to the transmission. Refer to Shift Cable Replacement in Automatic Transmission - 4L60-E.
  39. Install the torque converter bolts. Refer to Flywheel to Torque Converter Bolt Replacement in Automatic Transmission - 4L60-E.
  40. Install the transmission cover.
  41. Tighten
    Tighten the transmission cover bolts to 12 N·m (106 lb in).

  42. Install the starter. Refer to Starter Motor Replacement in Engine Electrical.
  43. Install the rear propeller shaft. Refer to Rear Propeller Shaft Replacement in Propeller Shaft.
  44. Connect the power steering cooler. Refer to Power Steering Cooler Pipe/Hose Replacement in Power Steering Systems.
  45. Connect the inflatable restraint front end discriminating sensor electrical connector. Refer to Inflatable Restraint Front End Discriminating Sensor Replacement in SIR.
  46. Connect the fender wheelhouse extensions from chassis to the frame. Refer to Wheelhouse Extension Replacement in Body Front End.
  47. Install the front bumper. Refer to Front Bumper Replacement in Bumper and Facias.
  48. Install the catalytic converter assembly to the exhaust system. Refer to Catalytic Converter Replacement in Engine Exhaust.
  49. Connect the fuel pipes at the fuel filter. Refer to Fuel Hose/Pipes Assembly Replacement in Engine Controls.
  50. Connect the fuel tank electrical connector. Refer to

    Undercarriage


    Object Number: 297579  Size: LF
    (1)Electronic Brake Control Module (EBCM)
    (2)Brake Pressure Warning Switch
    (3)Brake Pressure Warning Switch Connector
    (4)Fuel Pump and Level Sender Connector
    (5)Evaporative Emission Canister Vent Valve
    in Wiring Systems.
  51. Connect the EVAP vent valve electrical connector.
  52. Install the bolt and the ground wire at the chassis by the EVAP vent valve.
  53. Ensure that all of the electrical connections are connected between the chassis and the frame.

  54. Object Number: 163821  Size: SH
  55. Install the bolt and the park brake bracket to the frame.
  56. Tighten
    Tighten the park brake bracket bolt to 24 N·m (17 lb in).

  57. Connect the rear air conditioning pipes at the rear crossmember, if equipped.
  58. • Refer to Accumulator Tube Replacement - Auxiliary Side in HVAC Systems with A/C - Manual.
    • Refer to Evaporator Tube Replacement - Auxiliary Side in HVAC Systems with A/C - Manual.
  59. Connect the rear brake pipe to the BPMV. Refer to Brake Pressure Modulator Valve Replacement in Anti Lock Brakes.
  60. Lower the vehicle.

  61. Object Number: 43743  Size: SH
  62. Remove both of the J 41602 .
  63. Install the front section of the running boards. Refer to Assist Step Front Extension Replacement in Frame and Underbody.
  64. Install the wiring harness in the retainers.
  65. Connect the fuse box and the wiring harness to the bulkhead connector. Refer to

    Bulkhead/Underhood Fuse-Relay Center Wiring (Electrical)


    Object Number: 281236  Size: LF
    in Wiring Systems.
  66. Connect all related connectors including: Refer to

    Engine/Center of Front of Dash Wiring (Electrical)


    Object Number: 281247  Size: LF
    in Wiring Systems.
  67. • The ground wires
    • The accumulator
    • The cruise control module
    • The wiper motor
  68. Connect the steering shaft to the steering gear. Refer to Intermediate Steering Shaft Replacement in Steering Wheel and Columns.
  69. Connect the heater hoses to the engine. Refer to Heater Water Bypass Valve Replacement in Heating and Ventilation - (Non A/C)
  70. Connect the wire connector to the water control valve.
  71. Connect the vacuum hose to the water control valve.

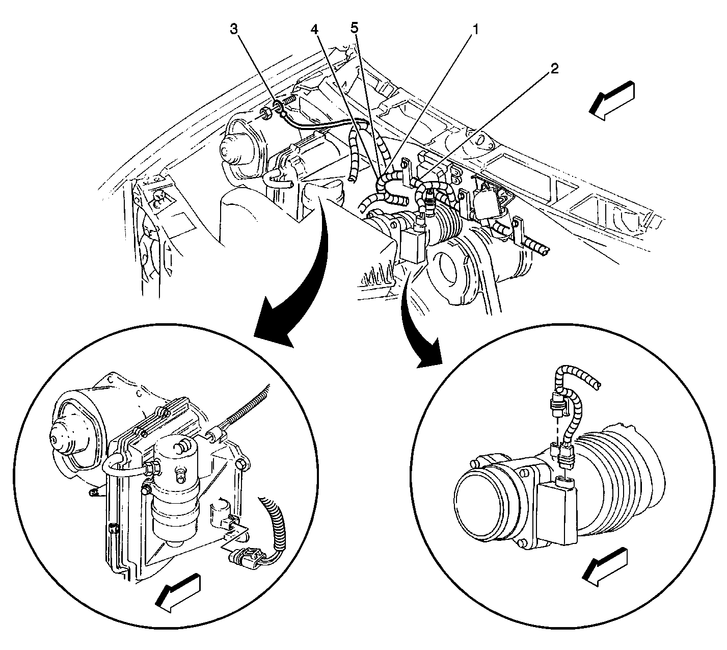
  72. Object Number: 188305  Size: SH
  73. Connect the pipes to the hydro boost. Refer to Power Brake Booster Replacement in Hydraulic Brakes.
  74. Install the power steering reservoir. Refer to Remote Power Steering Fluid Reservoir Replacement in Power Steering Systems.
  75. Install the master cylinder to the hydro boost. Refer to Master Cylinder Replacement in Hydraulic Brakes.
  76. Caution: In order to avoid possible injury or vehicle damage, always replace the accelerator control cable with a NEW cable whenever you remove the engine from the vehicle.

    In order to avoid cruise control cable damage, position the cable out of the way while you remove or install the engine. Do not pry or lean against the cruise control cable and do not kink the cable. You must replace a damaged cable.

  77. Install the NEW accelerator control cable. Refer to Accelerator Control Cable Replacement in Engine Controls.
  78. Install the cruise control cable in the throttle body bracket.
  79. Connect the cruise control cable to the throttle shaft. Refer to Cruise Control Cable Replacement in Cruise Controls.
  80. Connect the air conditioning pipes at the accumulator and the condenser, if equipped. Refer to Auxiliary Air Conditioning Compressor and Condenser Hose Replacement in HVAC Systems with A/C - Manual.
  81. Install the radiator. Refer to Radiator Replacement in Engine Cooling.
  82. Fill the cooling system with the proper grade of engine coolant. Refer to Cooling System Draining and Filling in Engine Cooling.
  83. Install the air cleaner outlet duct to the throttle body. Refer to Air Cleaner Outlet Duct Replacement in Engine Controls.
  84. Install the air cleaner assembly. Refer to Air Cleaner Assembly Replacement in Engine Controls.
  85. Fill the crankcase with the proper grade of engine oil. Refer to Engine Oil and Oil Filter Replacement
  86. Fill and bleed the brake system. Refer to Hydraulic Brake System Bleeding in Hydraulic Brakes.
  87. Fill the transmission with the proper grade and quantity of transmission fluid. Refer to Transmission Replacement in Automatic Transmission - 4L60-E.
  88. Fill the power steering system with the proper grade and quantity of power steering fluid. Refer to Checking and Adding Power Steering Fluid in Power Steering Systems.
  89. Connect the battery negative cable. Refer to Battery Replacement in Engine Electrical.
  90. Recharge the air conditioning system and check for proper operation, if equipped. Refer to Refrigerant System Checks in HVAC Systems with A/C - Manual.
  91. Install the engine cover. Refer to Engine Cover Replacement in Interior Trim.
  92. Operate the engine and check for proper operation. Refer to Engine Set-Up and Testing .