| Figure 1:  | 
 Forward Lamps Harness, Left Side
  
 
 | 
| Figure 2:  | 
 Forward Lamp Harness, RH Side
  
 
 | 
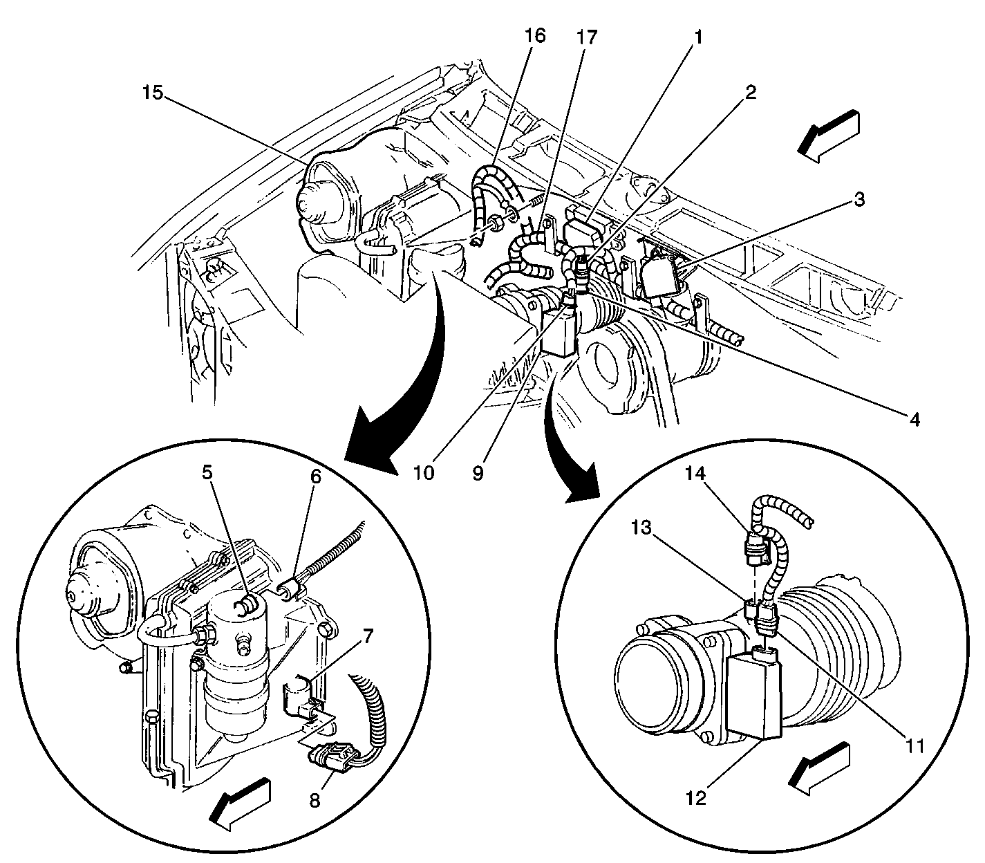
| Figure 3:  | 
 Engine Wiring, LH Side (Electrical)
  
 
 | 
| Figure 4:  | 
 Engine Wiring, RH Side
  
 
 | 
| Figure 5:  | 
 Vehicle Control Module Wiring
  
 
 | 
| Figure 6:  | 
 Bulkhead/Underhood Fuse Block Wiring
  
 
 | 
| Figure 7:  | 
 Engine/Center of Front Dash Wiring (Electrical)
  
 
 | 
| Figure 8:  | 
 Front of Dash Wiring, LH Side (Electrical)
  
 
 | 
| Figure 9:  | 
 Instrument Cluster Wiring
  
 
 | 
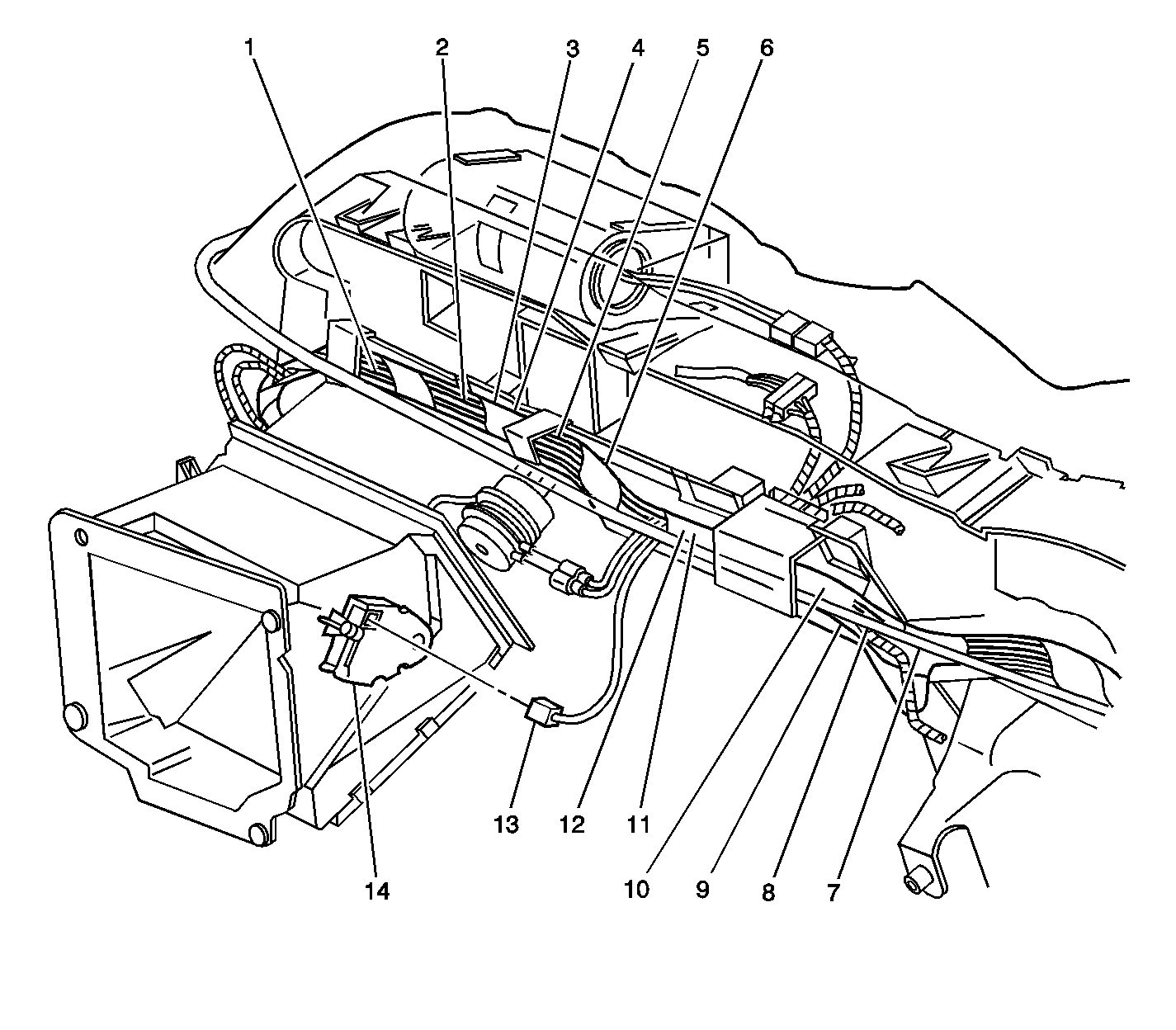
| Figure 10:  | 
 IP Wiring, RH Side (Electrical)
  
 
 | 
| Figure 11:  | 
 I/P Fuse Block/Convenience Center Wiring
  
 
 | 
| Figure 12:  | 
 Convenience Center Wiring
  
 
 | 
| Figure 13:  | 
 Left Front Interior Wiring
  
 
 | 
| Figure 14:  | 
 Splice Pack, Relay Blocks, DLC Wiring
  
 
 | 
| Figure 15:  | 
 Vanity Mirror Wiring
  
 
 | 
| Figure 16:  | 
 RH Kick Panel Wiring
  
 
 | 
| Figure 17:  | 
 LH Kick Panel Wiring
  
 
 | 
| Figure 18:  | 
 Front Door Wiring
  
 
 | 
| Figure 19:  | 
 Power Seats
  
 
 | 
| Figure 20:  | 
 Power Seat Riser
  
 
 | 
| Figure 21:  | 
 LH Courtesy Lamp Wiring
  
 
 | 
| Figure 22:  | 
 Transmission Wiring
  
 
 | 
| Figure 23:  | 
 A4WD Transfer Case Locator View
  
 
 | 
| Figure 24:  | 
 Undercarriage Wiring
  
 
 | 
| Figure 25:  | 
 LH B Pillar Harness
  
 
 | 
| Figure 26:  | 
 Left Rear Body Harness
  
 
 | 
| Figure 27:  | 
 Right Rear Body Wiring
  
 
 | 
| Figure 28:  | 
 RH D Pillar Wiring
  
 
 | 
| Figure 29:  | 
 LH D Pillar Wiring
  
 
 | 
| Figure 30:  | 
 RH D Pillar Wiring
  
 
 | 
| Figure 31:  | 
 Liftgate Strut Switch Wiring
  
 
 |