GM Service Manual Online
For 1990-2009 cars only

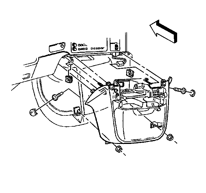
Removal Procedure

  1. Remove the caps that cover the extension screws.
  2. Remove the screws from the extension.
  3. Remove the nuts at the bottom of the extension.

  4. Object Number: 317081  Size: SH
  5. Pull toward the rear of the vehicle in order to remove the extension from the instrument panel.
  6. Disconnect the electrical connectors.

Installation Procedure

  1. Connect the electrical connectors.

  2. Object Number: 317081  Size: SH
  3. Install the extension to the instrument panel:
  4. 2.1. Align the retainers.
    2.2. Press the extension into place until the retainers are seated.

    Notice: Refer to Fastener Notice in the Preface section.

  5. Install the nuts that retain the extension to the floor.
  6. Tighten
    Tighten the nuts that retain the extension to the floor to 8 N·m (71 lb in).

  7. Install the retaining screws.
  8. Tighten
    Tighten the screws to 8 N·m (71 lb in).

  9. Install the extension screw covers.