GM Service Manual Online
For 1990-2009 cars only
Figure 1:

Dimming Control and LED Dimming Supply Voltage - 1 of 2


Object Number: 1464372  Size: FS
Master Electrical Component List
Interior Lighting Systems Description and Operation
Control Module References
Dimming Control and LED DImming Supply Voltage - 2 of 2
Steering Wheel Speed/Position Sensor Inputs - w/JL4
Steering Wheel Speed/Position Sensor
G200 - 1 of 3
I/P Dimming Supply Voltage - 1 of 8
G200 - 3 of 3 - S345
Roof Beacon Wiring (5G4)
Rear - VD1
Rear Object Sensor Control Module, RPA Display, and RPA Disable Switch
Dimming Control and LED DImming Supply Voltage - 2 of 2
Rear Object Sensor Control Module, RPA Display, and RPA Disable Switch
Mode Selection
Figure 2:

Dimming Control and LED Dimming Supply Voltage - 2of 2


Object Number: 1464374  Size: FS
Master Electrical Component List
Interior Lighting Systems Description and Operation
Control Module References
Convertor - 1 of 4
Dimming Control and LED DImming Supply Voltage - 1 of 2
Dimming Control and LED DImming Supply Voltage - 1 of 2
Convertor - 1 of 4
Front
Figure 3:

Convertor 1 of 4


Object Number: 1464447  Size: FS
Master Electrical Component List
Interior Lighting Systems Description and Operation
Control Module References
Convertor - 2 of 4
Dimming Control and LED DImming Supply Voltage - 2 of 2
Dimming Control and LED DImming Supply Voltage - 2 of 2
Convertor - 2 of 4
G200 - 2 of 3
G200 - 2 of 3
G200 - 2 of 3
Figure 4:

Convertor 2 of 4


Object Number: 1464448  Size: FS
Master Electrical Component List
Interior Lighting Systems Description and Operation
Control Module References
Convertor - 3 of 4
Convertor - 1 of 4
Convertor - 1 of 4
Figure 5:

Convertor 3 of 4


Object Number: 1464451  Size: FS
Master Electrical Component List
Interior Lighting Systems Description and Operation
Control Module References
Convertor - 4 of 4
Convertor - 2 of 4
G200 - 2 of 3
G200 - 2 of 3
Figure 6:

Convertor 4 of 4


Object Number: 1464452  Size: FS
Master Electrical Component List
Interior Lighting Systems Description and Operation
Control Module References
I/P Dimming Supply Voltage - 1 of 8
Convertor - 3 of 4
G200 - 2 of 3
G200 - 2 of 3
Figure 7:

I/P Dimming Supply Voltage 1 of 8


Object Number: 1464454  Size: FS
Master Electrical Component List
Interior Lighting Systems Description and Operation
Control Module References
I/P Dimming Supply Voltage - 2 of 8
Convertor - 4 of 4
Dimming Control and LED DImming Supply Voltage - 1 of 2
I/P Dimming Supply Voltage - 2 of 8
Analog Clock
G200 - 2 of 3
G200 - 2 of 3
G200 - 1 of 3
Figure 8:

I/P Dimming Supply Voltage 2 of 8


Object Number: 1464455  Size: FS
Master Electrical Component List
Interior Lighting Systems Description and Operation
Control Module References
I/P Dimming Supply Voltage - 3 of 8
I/P Dimming Supply Voltage - 1 of 8
I/P Dimming Supply Voltage - 3 of 8
I/P Dimming Supply Voltage - 1 of 8
I/P Dimming Supply Voltage - 4 of 8
G203 - 1 of 3
G203 - 2 of 3
G203 - 3 of 3
Lighting Systems Schematic Icons
G203 - 1 of 3
Figure 9:

I/P Dimming Supply Voltage 3 of 8


Object Number: 1464457  Size: FS
Master Electrical Component List
Interior Lighting Systems Description and Operation
Control Module References
I/P Dimming Supply Voltage - 4 of 8
I/P Dimming Supply Voltage - 2 of 8
Rear - VD1
I/P Dimming Supply Voltage - 2 of 8
External Audio Source (U1S)
G203 - 1 of 3
G200 - 2 of 3
G200 - 1 of 3
G200 - 1 of 3
G203 - 1 of 3
G203 - 1 of 3
Figure 10:

I/P Dimming Supply Voltage 4 of 8


Object Number: 1464458  Size: FS
Master Electrical Component List
Interior Lighting Systems Description and Operation
Control Module References
I/P Dimming Supply Voltage - 5 of 8
I/P Dimming Supply Voltage - 3 of 8
Traction Control Switch and Precharge Pump - w/JL4
I/P Dimming Supply Voltage - 2 of 8
Interior Lamps - Avelanche and Escalade EXT
I/P Dimming Supply Voltage - 5 of 8
G200 - 1 of 3
G200 - 1 of 3
G200 - 1 of 3
G200 - 2 of 3
G203 - 1 of 3
G203 - 1 of 3
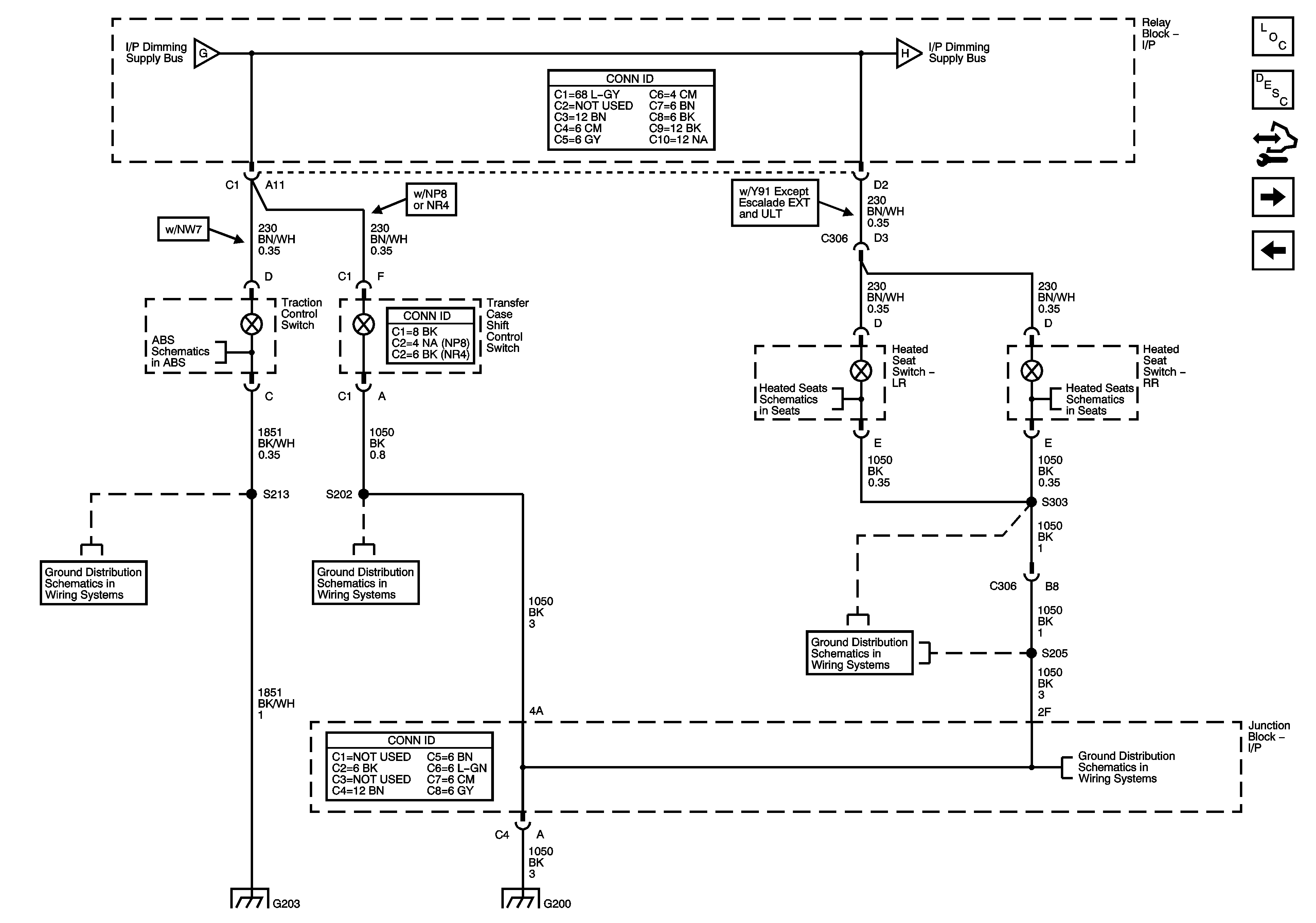
Figure 11:

I/P Dimming Supply Voltage 5 of 8


Object Number: 1464459  Size: FS
Master Electrical Component List
Interior Lighting Systems Description and Operation
Control Module References
I/P Dimming Supply Voltage - 6 of 8
I/P Dimming Supply Voltage - 4 of 8
Stop Lamp Switch and Traction Control Switch - w/o JL4
I/P Dimming Supply Voltage - 4 of 8
Rear Heated Seats - 1 of 3
I/P Dimming Supply Voltage - 6 of 8
Rear Heated Seats - 3 of 3
G200 - 2 of 3
G200 - 1 of 3
G200 - 1 of 3
G200 - 1 of 3
G203 - 1 of 3
G203 - 1 of 3
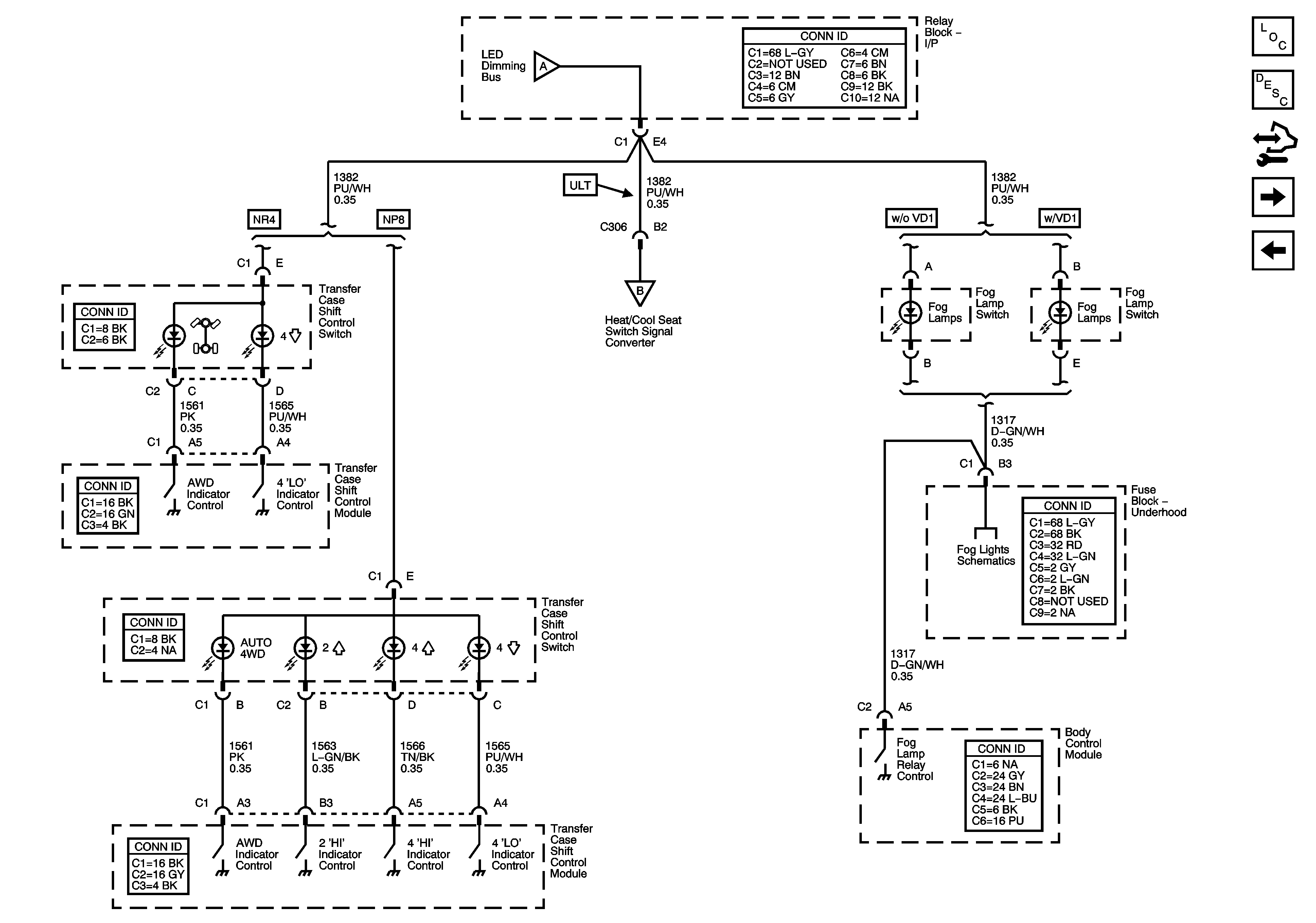
Figure 12:

I/P Dimming Supply Voltage 6 of 8


Object Number: 1464461  Size: FS
Master Electrical Component List
Interior Lighting Systems Description and Operation
Control Module References
I/P Dimming Supply Voltage - 7 of 8
I/P Dimming Supply Voltage - 5 of 8
Roof Beacon Wiring (5G4)
I/P Dimming Supply Voltage - 5 of 8
I/P Dimming Supply Voltage - 7 of 8
G200 - 3 of 3 - S345
I/P Dimming Supply Voltage - 8 of 8
Rear Object Sensor Control Module, RPA Display, and RPA Disable Switch
Front
G203 - 1 of 3
G203 - 1 of 3
G200 - 3 of 3 - S345
G200 - 3 of 3 - S345
G200 - 1 of 3
Figure 13:

I/P Dimming Supply Voltage 7 of 8


Object Number: 1464462  Size: FS
Master Electrical Component List
Interior Lighting Systems Description and Operation
Control Module References
I/P Dimming Supply Voltage - 8 of 8
I/P Dimming Supply Voltage - 6 of 8
G200 - 1 of 3
G200 - 1 of 3
G200 - 1 of 3
G200 - 3 of 3 - S345
G200 - 3 of 3 - S345
I/P Dimming Supply Voltage - 6 of 8
Auxiliary HVAC, Long Wheelbase w/C36 and C69- 1 of 2
G410 - 2 of 3 Auxiliary HVAC, Long Wheelbase
G410 1 of 3
G410 1 of 3
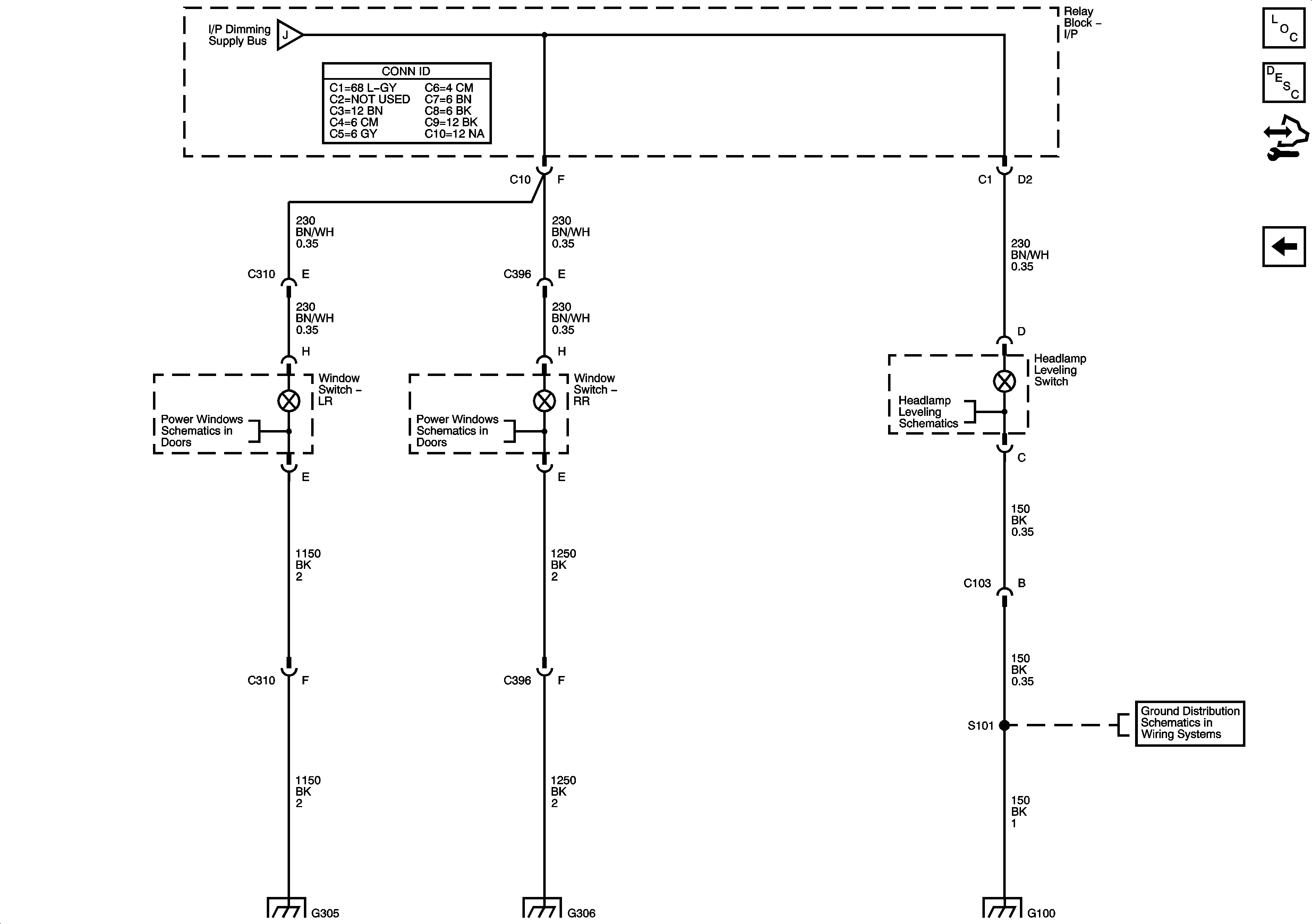
Figure 14:

I/P Dimming Supply Voltage 8 of 8


Object Number: 1464379  Size: FS
Master Electrical Component List
Interior Lighting Systems Description and Operation
Control Module References
I/P Dimming Supply Voltage - 7 of 8
I/P Dimming Supply Voltage - 6 of 8
Left Doors
Right Doors
Headlight Leveling Schematics
G100 and G105 - 4 of 4
G100 and G105 - 1 of 4
G306
G304 and G305