GM Service Manual Online
For 1990-2009 cars only
Figure 1:

B+ Bus - 1 of 2


Object Number: 1464604  Size: FS
Master Electrical Component List
Control Module References
B+ Bus - 2 of 2
B+ Bus - 2 of 2
Figure 2:

B+ Bus - 2 of 2


Object Number: 1464608  Size: FS
Master Electrical Component List
Control Module References
ABS, MBEC 1, RTD, STUD 2, and VSES/ECAS Fuses; RT DOORS and SEATS Circuit Breakers
B+ Bus - 1 of 2
B+ Bus - 1 of 2
B+ Bus - 1 of 2
Figure 3:

ABS, MBEC 1, RTD, STUD 2, VSES/ECAS Fuses; RT DOORS and SEATS Circuit Breakers


Object Number: 1464609  Size: FS
Master Electrical Component List
Control Module References
CIG LTR, EAP, and INFO Fuses
B+ Bus - 2 of 2
B+ Bus - 1 of 2
Figure 4:

CIG LTR, EAP, and INGO Fuses


Object Number: 1464611  Size: FS
Master Electrical Component List
Control Module References
RADIO, RADIO AMP, and S/ROOF Fuses
ABS, MBEC 1, RTD, STUD 2, and VSES/ECAS Fuses; RT DOORS and SEATS Circuit Breakers
B+ Bus - 1 of 2
Figure 5:

RADIO, RADIO AMP, and S/ROOF Fuses


Object Number: 1464623  Size: FS
Master Electrical Component List
Control Module References
RR WPR, STOP LP, TREC, VEH CHMSL, VEH STOP, and 4WS Fuses
CIG LTR, EAP, and INFO Fuses
B+ Bus - 1 of 2
Figure 6:

RR WPR, STIP LO, TREC, VEH CHMSL, VEH STOP, and 4WS Fuses


Object Number: 1464625  Size: FS
Master Electrical Component List
Control Module References
IPC/DIC, LH HID, RH HID, SEO B1, SEO B2, and TBC BATT Fuses
RADIO, RADIO AMP, and S/ROOF Fuses
B+ Bus - 1 of 2
Figure 7:

IPC/DIC, LH HID, RH HID, SEO B1, SEO B2, and TBC BATT Fuses


Object Number: 1464626  Size: FS
Master Electrical Component List
Control Module References
BLOWER, FLASH, HVAC/ECAS, LBEC 1, RR DEFOG, RR HVAC, TBC 2A, TBC 2B, and TBC 2C Fuses, and LT DOOR Breaker
RR WPR, STOP LP, TREC, VEH CHMSL, VEH STOP, and 4WS Fuses
B+ Bus - 1 of 2
Figure 8:

BLOWER, FLASH, HVAC/ECAS, LBEC 1, RR DEFOG, RR HVAC, TBC2A, TBC 2B, and TBC 2C Fuses, and LT DOOR Breaker


Object Number: 1464628  Size: FS
Master Electrical Component List
Control Module References
AUX PWR, AUX PWR 2, DDM, ECC, LBEC 2, LOCKS, PCM B, and PDM Fuses
IPC/DIC, LH HID, RH HID, SEO B1, SEO B2, and TBC BATT Fuses
LT TRLR, LT TRN, RT TRLR, and RT TRN Fuses
B+ Bus - 1 of 2
Figure 9:

AUX PWR, AUX PWR 2, DDM, ECC, LBEC 2, LOCKS, PCM B, and PDM Fuses


Object Number: 1464632  Size: FS
Master Electrical Component List
Control Module References
Ignition Switch - ACCY/RUN/START, RUN, and START Busses, IGN A and CRANK Fuses
BLOWER, FLASH, HVAC/ECAS, LBEC 1, RR DEFOG, RR HVAC, TBC 2A, TBC 2B, and TBC 2C Fuses, and LT DOOR Breaker
B+ Bus - 1 of 2
Figure 10:

Ignition Switch -- ACCY/RUN/START, RUN, and START Busses, IGN A, and CRANK Fuses


Object Number: 1464634  Size: FS
Master Electrical Component List
Control Module References
Ignition Switch - ACCY/RUN and RUN/START Busses, and IGN B Fuse
AUX PWR, AUX PWR 2, DDM, ECC, LBEC 2, LOCKS, PCM B, and PDM Fuses
B+ Bus - 1 of 2
Figure 11:

Ignition Switch -- ACCY/RUN and RUN/START Busses, and IGN B Fuse


Object Number: 1464635  Size: FS
Master Electrical Component List
Control Module References
BRAKE, CRUISE, IGN 2, HTR/AC, HVAC 1, and 4WD Fuses
Ignition Switch - ACCY/RUN/START, RUN, and START Busses, IGN A and CRANK Fuses
B+ Bus - 1 of 2
Figure 12:

BRAKE, CRUISE, IGN 2, HTR/AC, HVAC 1, and 4WD Fuses


Object Number: 1464636  Size: FS
Master Electrical Component List
Control Module References
IGN 0, RR WPR, SEO ACCY, TBC ACCY, TBC IGN 0, and WS WPR Fuses
Ignition Switch - ACCY/RUN and RUN/START Busses, and IGN B Fuse
Ignition Switch - ACCY/RUN/START, RUN, and START Busses, IGN A and CRANK Fuses
Figure 13:

IGN 0, RR WPR, SEO ACCY, TBC ACCY, TBC IGN 0, and WS WPR Fuses


Object Number: 1464637  Size: FS
Master Electrical Component List
Control Module References
IGN 3 Fuse - 1 of 2
BRAKE, CRUISE, IGN 2, HTR/AC, HVAC 1, and 4WD Fuses
Figure 14:

IGN 3 Fuse -- 1 of 2


Object Number: 1464638  Size: FS
Master Electrical Component List
Control Module References
IGN 3 Fuse (ULT) - 2 of 2
IGN 0, RR WPR, SEO ACCY, TBC ACCY, TBC IGN 0, and WS WPR Fuses
IGN 3 Fuse (ULT) - 2 of 2
Ignition Switch - ACCY/RUN/START, RUN, and START Busses, IGN A and CRANK Fuses
Figure 15:

IGN 3 Fuse, 2 of 2 -- ULT


Object Number: 1464643  Size: FS
Master Electrical Component List
Control Module References
BTSI, B/U LP, O2A, O2B, SEO IGN, TBC IGN 1, and TRL B/U Fuses
IGN 3 Fuse - 1 of 2
IGN 3 Fuse - 1 of 2
Figure 16:

BTSI, B/U LP, O2A, O2B, SEO IGN, TBC IGN 1, and TRL B/U Fuses


Object Number: 1464645  Size: FS
Master Electrical Component List
Control Module References
IGN E and SIR Fuses
IGN 3 Fuse (ULT) - 2 of 2
Ignition Switch - ACCY/RUN and RUN/START Busses, and IGN B Fuse
Figure 17:

IGN E and SIR Fuses


Object Number: 1464648  Size: FS
Master Electrical Component List
Control Module References
IGN 1 Relay Bus - 1 of 2 - ETC/ECM, PCM I, and SBA Fuses - Complete; INJ 1 and INJ 2 Fuses - Except L18
BTSI, B/U LP, O2A, O2B, SEO IGN, TBC IGN 1, and TRL B/U Fuses
Ignition Switch - ACCY/RUN and RUN/START Busses, and IGN B Fuse
Figure 18:

IGN 1 Relay Bus -- 1 of 2 -- ETC/ECM, PCM I, and SBA Fuses; INJ 1 and INJ 2 Fuses -- Except L18


Object Number: 1464649  Size: FS
Master Electrical Component List
Control Module References
IGN 1 Relay Bus - 2 of 2 - INJ 1 and INJ 2 Fuses - L18
IGN E and SIR Fuses
IGN 1 Relay Bus - 2 of 2 - INJ 1 and INJ 2 Fuses - L18
B+ Bus - 1 of 2
Figure 19:

IGN 1 Relay Bus -- 2 of 2 -- INJ 1 and INJ 2 Fuses -L18


Object Number: 1464655  Size: FS
Master Electrical Component List
Control Module References
LT TRLR, LT TRN, RT TRLR, and RT TRN Fuses
IGN 1 Relay Bus - 1 of 2 - ETC/ECM, PCM I, and SBA Fuses - Complete; INJ 1 and INJ 2 Fuses - Except L18
IGN 1 Relay Bus - 1 of 2 - ETC/ECM, PCM I, and SBA Fuses - Complete; INJ 1 and INJ 2 Fuses - Except L18
Figure 20:

LT TRLR, LT TRN, RT TRLR, and RT TRN Fuses


Object Number: 1464657  Size: FS
Master Electrical Component List
Control Module References
HI HDLP LT, HI HDLP RT, HORN, LO HDLP LT, and LO HDLP RT Fuses
IGN 1 Relay Bus - 2 of 2 - INJ 1 and INJ 2 Fuses - L18
BLOWER, FLASH, HVAC/ECAS, LBEC 1, RR DEFOG, RR HVAC, TBC 2A, TBC 2B, and TBC 2C Fuses, and LT DOOR Breaker
Figure 21:

HI HDLP LT, HI HDLP RT, HORN, LO HDLP LT, and LO HDLP RT Fuses


Object Number: 1464665  Size: FS
Master Electrical Component List
Control Module References
LR PARK and RR PARK Fuses
LT TRLR, LT TRN, RT TRLR, and RT TRN Fuses
B+ Bus - 1 of 2
Figure 22:

LR PARK and RR PARK Fuses


Object Number: 1464666  Size: FS
Master Electrical Component List
Control Module References
FRT PARK, INT PARK, and TRL PARK Fuses - Except VD1
HI HDLP LT, HI HDLP RT, HORN, LO HDLP LT, and LO HDLP RT Fuses
B+ Bus - 1 of 2
FRT PARK, INT PARK, and TRL PARK Fuses - Except VD1
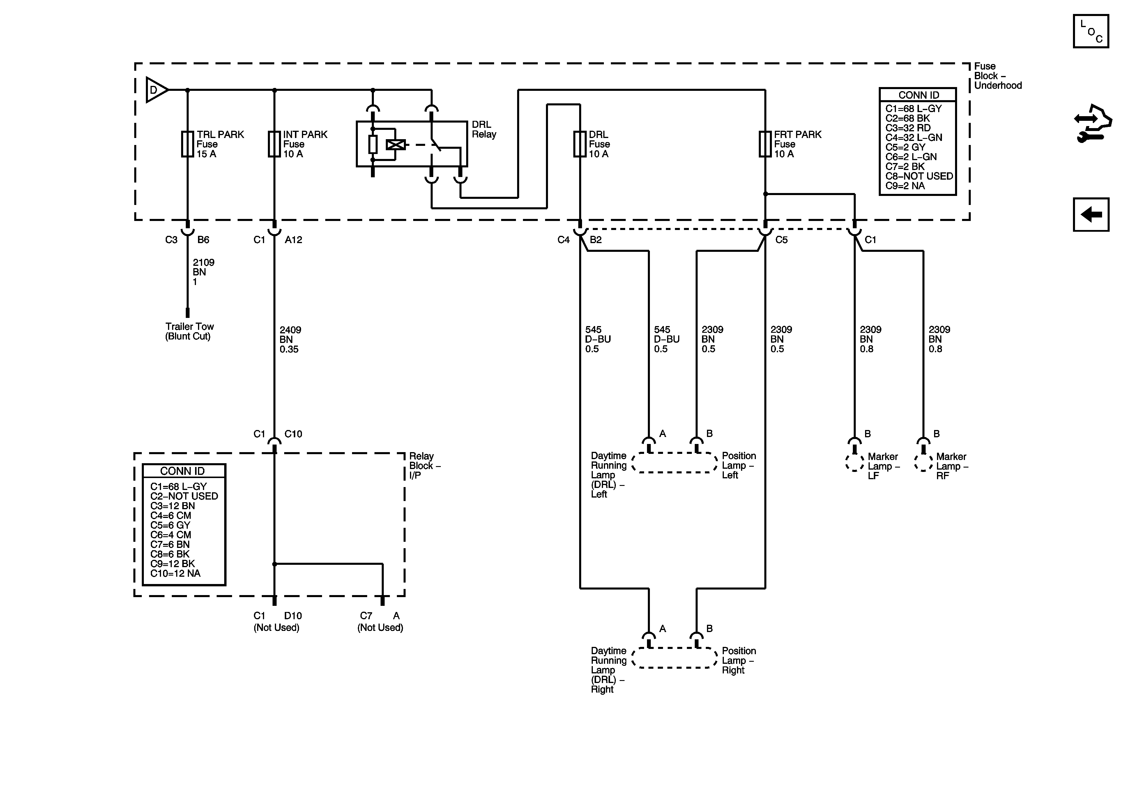
FRT PARK, DRL, INT PARK, and TRL PARK Fuses - w/VD1
Figure 23:

FRT PARK, INT PARK, and TRL PARK Fuses -- Except VD1


Object Number: 1464668  Size: FS
Master Electrical Component List
Control Module References
FRT PARK, DRL, INT PARK, and TRL PARK Fuses - w/VD1
LR PARK and RR PARK Fuses
LR PARK and RR PARK Fuses
Figure 24:

FRT PARK, DRL, INT PARK, and TRL PARK Fuses -- w/VD1


Object Number: 1464670  Size: FS
Master Electrical Component List
Control Module References
FRT PARK, INT PARK, and TRL PARK Fuses - Except VD1
LR PARK and RR PARK Fuses