GM Service Manual Online
For 1990-2009 cars only
Makes
🢒
Chevrolet
🢒
2009
🢒
Avalanche - 2WD
🢒
Diagnostic Navigation
🢒
Vehicle Diagnostic Information
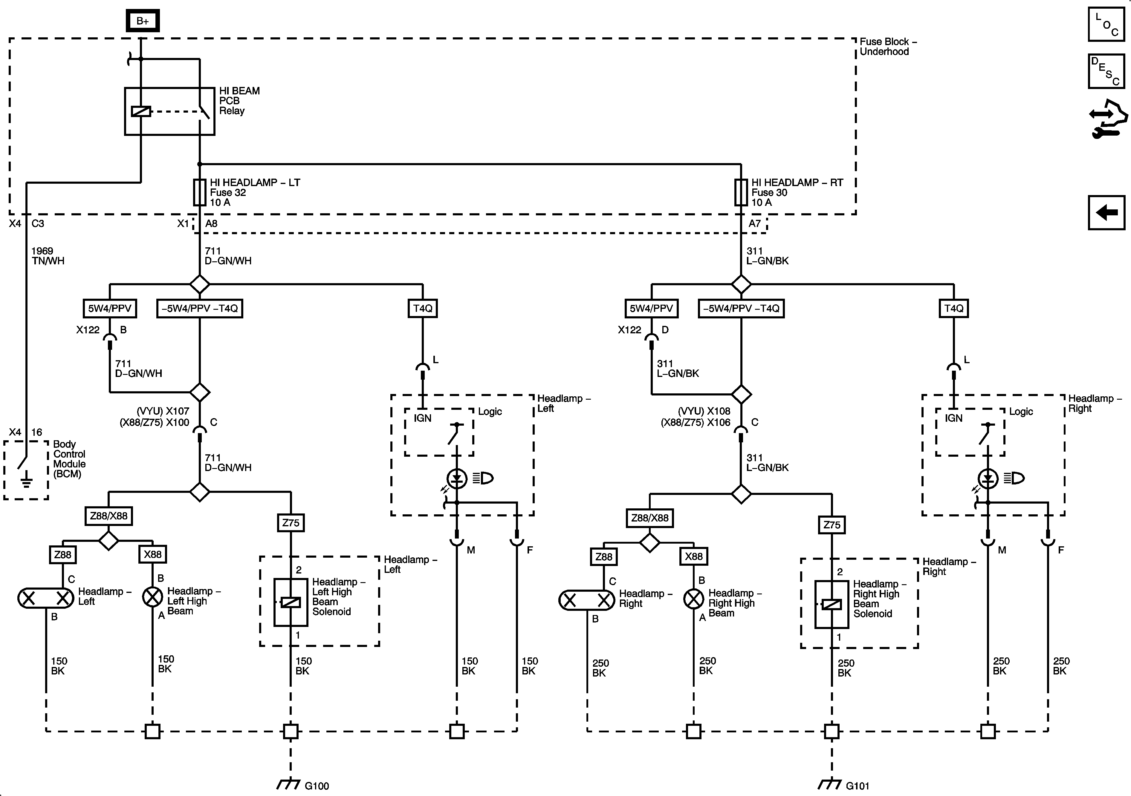
🢒 Headlights/Daytime Running Lights (DRL) Schematics
Figure
1:
Headlamp and Daytime Running Lamp Controls
Figure
2:
Low Beam and Daytime Running Lamps - X88/Z88
Figure
3:
Low Beam and Daytime Running Lamps - Z75
Figure
4:
High Beams