GM Service Manual Online
For 1990-2009 cars only
Figure 1:

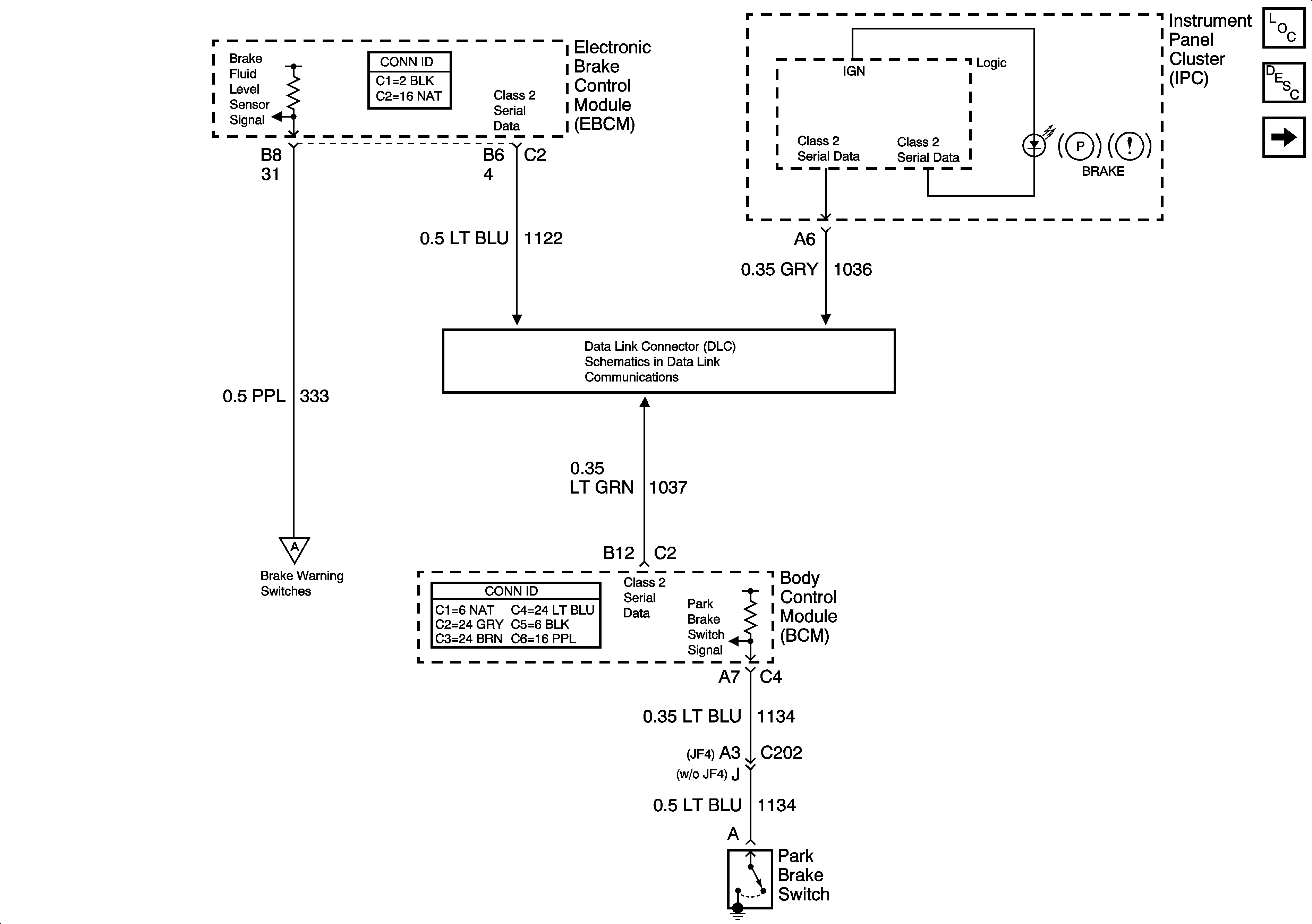
Serial Data and Park Brake Signal


Object Number: 1251879  Size: FS
Master Electrical Component List
Hydraulic Brake System Description and Operation
Pressure Level Switches
SP205 - 1 of 2
Pressure Level Switches
Figure 2:

Fluid Switches


Object Number: 1251883  Size: FS
Master Electrical Component List
Hydraulic Brake System Description and Operation
Supplemental Brake Assist
Serial Data and Park Brake Signal
Serial Data and Park Brake Signal
G104, G107
G104, G107
G104, G107
G104, G107
Figure 3:

Supplemental Brake Assist


Object Number: 1241517  Size: FS
Master Electrical Component List
Brake Assist System Description and Operation Hydraulic Assist
Pressure Level Switches
IGN 1 Relay Bus Bar, SEO B2, B/U LP, BTSI, TRL B/U Fuses
SBA, ETC/ECM, PCM 1 Fuses
SBA, ETC/ECM, PCM 1 Fuses
Vehicle Speed and Speedometer
G203 - 1 of 3
G203 - 1 of 3
G200 - 1 of 3
G200 - 1 of 3
G203 - 1 of 3
G200 - 1 of 3