GM Service Manual Online
For 1990-2009 cars only
Figure 1:

Power, Ground, Serial Data, and Ambient Light Sensor


Object Number: 1239517  Size: FS
Master Electrical Component List
Air Delivery Description and Operation
Front Blower Controls
BRAKE, HTR/AC, HVAC I, CRUISE, 4WD Fuses
B+ Bus - 1 of 2
Mode and Recirculation Door Control
G203 - 1 of 3
G203 - 1 of 3
SP205 - 2 of 2
SP205 - 1 of 2
Figure 2:

Front Blower Controls


Object Number: 1239522  Size: FS
Master Electrical Component List
Air Delivery Description and Operation
Front Left and Right Temperature Control
Power, Ground, Serial Data, and Ambient Light Sensor
BRAKE, HTR/AC, HVAC I, CRUISE, 4WD Fuses
B+ Bus - 1 of 2
G200 - 1 of 3
Figure 3:

Front Left and Right Temperature Control


Object Number: 1239533  Size: FS
Master Electrical Component List
Air Temperature Description and Operation
Mode and Recirculation Door Control
Front Blower Controls
Mode and Recirculation Door Control
Mode and Recirculation Door Control
Mode and Recirculation Door Control
Mode and Recirculation Door Control
Figure 4:

Mode and Recirculation Door Control


Object Number: 1239537  Size: FS
Master Electrical Component List
Air Delivery Description and Operation
Auxiliary HVAC w/Heat and A/C - 1 of 3
Front Left and Right Temperature Control
Power, Ground, Serial Data, and Ambient Light Sensor
Front Left and Right Temperature Control
Front Left and Right Temperature Control
Front Left and Right Temperature Control
G200 - 1 of 3
Figure 5:

Auxiliary HVAC w/ Heat and A/C - 1 of 3


Object Number: 1239548  Size: FS
Master Electrical Component List
Air Delivery Description and Operation
Auxiliary HVAC w/Heat and A/C - 2 of 3
Mode and Recirculation Door Control
B+ Bus - 1 of 2
IGN 3 Fuse - 1 of 2
Auxiliary HVAC w/Heat and A/C - 3 of 3
Auxiliary HVAC w/Heat and A/C - 2 of 3
G410 - 1 of 3
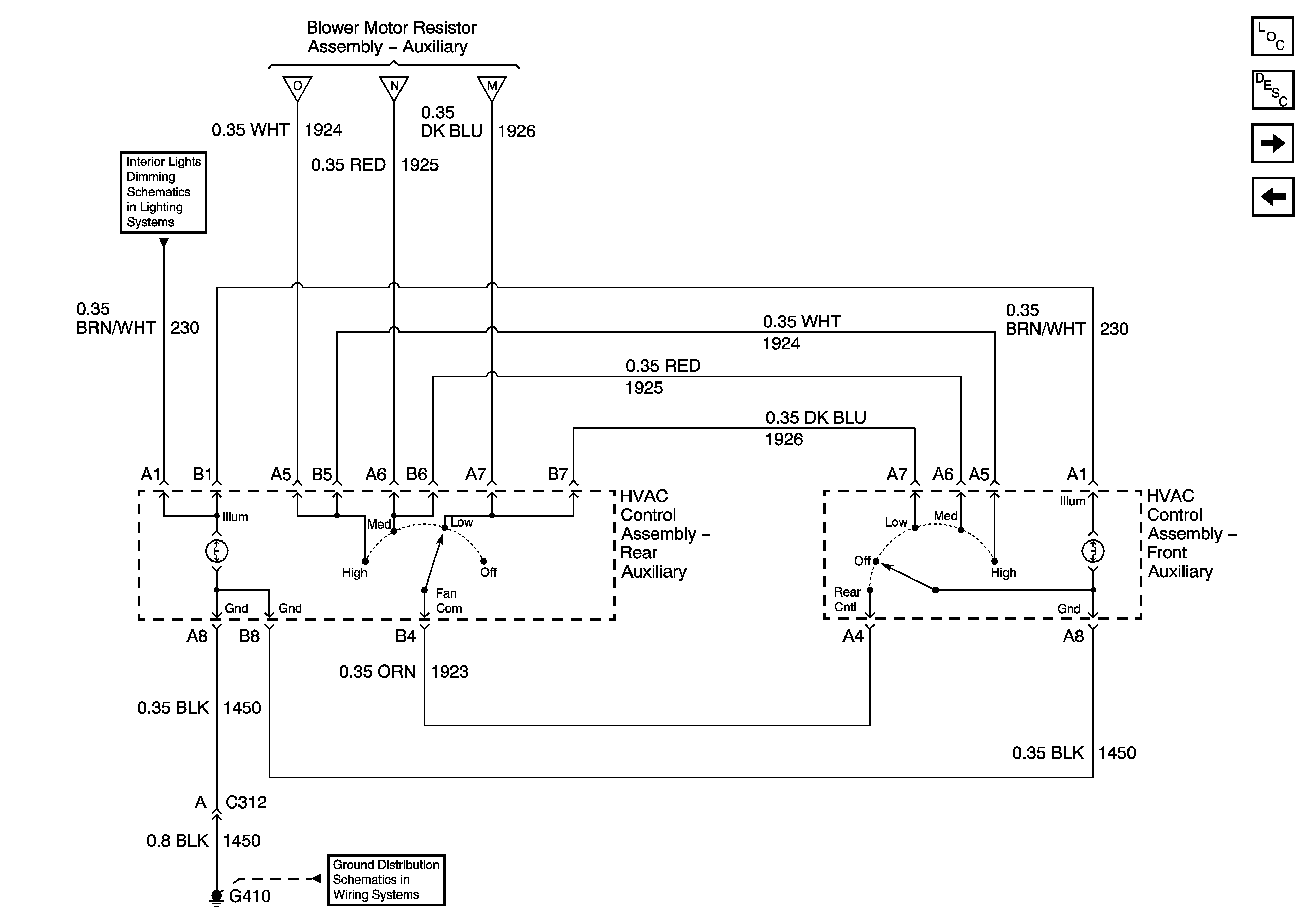
Figure 6:

Auxiliary HVAC w/ Heat and A/C - 2 of 3


Object Number: 1239554  Size: FS
Master Electrical Component List
Air Delivery Description and Operation
Auxiliary HVAC w/Heat and A/C - 3 of 3
Auxiliary HVAC w/Heat and A/C - 1 of 3
I/P Dimming Supply Voltage - 6 of 7
Auxiliary HVAC w/Heat and A/C - 1 of 3
G410 - 1 of 3
Figure 7:

Auxiliary HVAC w/ Heat and A/C - 3 of 3


Object Number: 1239556  Size: FS
Master Electrical Component List
Air Delivery Description and Operation
Auxiliary HVAC w/ A/C - 1 of 2
Auxiliary HVAC w/Heat and A/C - 2 of 3
Auxiliary HVAC w/Heat and A/C - 1 of 3
Auxiliary HVAC w/Heat and A/C - 1 of 3
Auxiliary HVAC w/Heat and A/C - 1 of 3
G410 - 1 of 3
Figure 8:

Auxiliary HVAC w/ A/C - 1 of 2


Object Number: 1239563  Size: FS
Master Electrical Component List
Air Delivery Description and Operation
Auxiliary HVAC w/ A/C - 2 of 2
Auxiliary HVAC w/Heat and A/C - 3 of 3
B+ Bus - 1 of 2
IGN 3 Fuse - 1 of 2
G410 - 1 of 3
Auxiliary HVAC w/ A/C - 2 of 2
Figure 9:

Auxiliary HVAC w/ A/C - 2 of 2


Object Number: 1239568  Size: FS
Master Electrical Component List
Air Delivery Description and Operation
A/C Compressor Controls
Auxiliary HVAC w/ A/C - 1 of 2
Auxiliary HVAC w/ A/C - 1 of 2
I/P Dimming Supply Voltage - 6 of 7
G410 - 1 of 3
Figure 10:

A/C Compressor Controls


Object Number: 1239572  Size: FS
Master Electrical Component List
Air Temperature Description and Operation
Auxiliary HVAC w/ A/C - 2 of 2
B+ Bus - 2 of 2
IGN E Fuse
G104, G107
SP205 - 1 of 2
SP205 - 2 of 2