GM Service Manual Online
For 1990-2009 cars only
Makes
🢒
Chevrolet
🢒
2004
🢒
Avalanche - 4WD
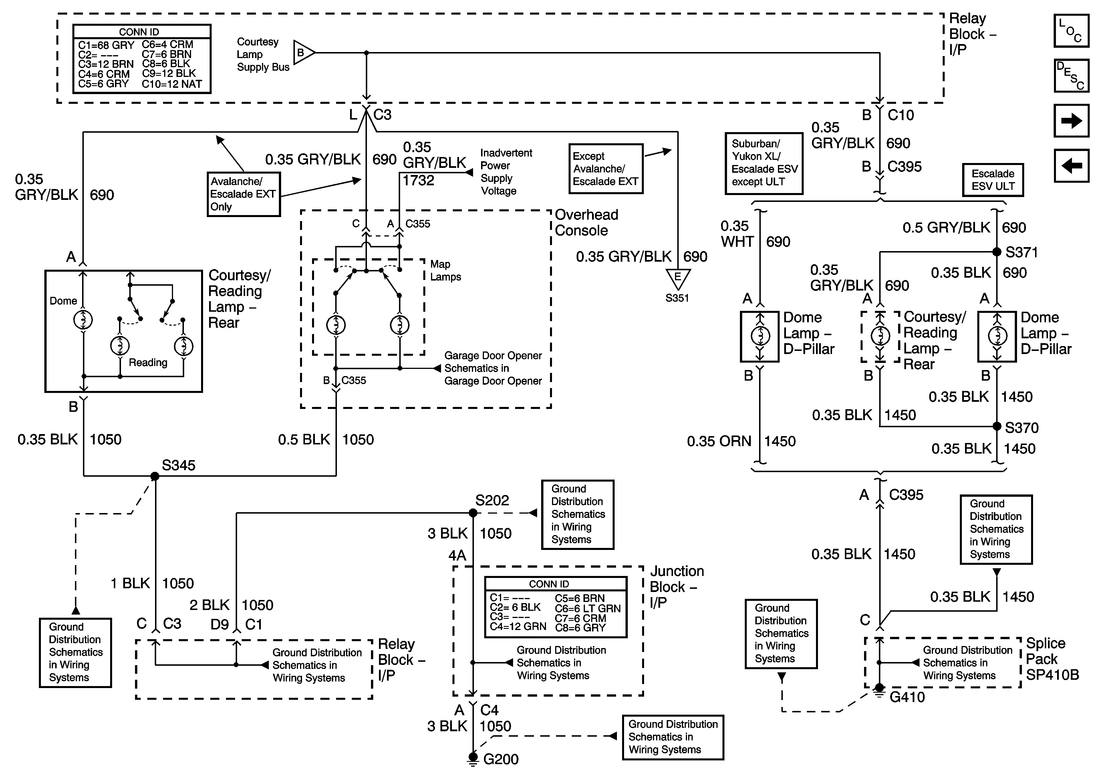
🢒 Courtesy Lamp Supply Voltage - 3 of 4
Courtesy Lamp Supply Voltage - 3 of 4
Courtesy Lamp Supply Voltage - 3 of 4
Master Electrical Component List
Interior Lighting Systems Description and Operation
Courtesy Lamp Supply Voltage - 4 of 4
Courtesy Lamp Supply Voltage - 2 of 4
Inadvertent Power Supply Voltage - 1 of 3, and Courtesy Lamp Supply Voltage - 1 of 4
Garage Door Opener Schematics
Courtesy Lamp Supply Voltage - 4 of 4
G200 - 1 of 3
G410 - 1 of 3
G200 - 3 of 3
G200 - 3 of 3
G200 - 1 of 3
G200 - 1 of 3
G410 - 1 of 3
G410 - 1 of 3