GM Service Manual Online
For 1990-2009 cars only
Figure 1:

Dimming Control and LED Dimming Supply Voltage 1 of 2


Object Number: 1608333  Size: FS
Master Electrical Component List
Interior Lighting Systems Description and Operation
Control Module References
Dimming Control and LED Dimming Supply Voltage - 2 of 2
Steering Wheel Speed/Position Sensor Inputs - w/ JL4
G200 1 of 3
I/P Dimming Supply Voltage - 1 of 8
G200 3 of 3
Roof Beacon Wiring - 5G4
Rear - w/ VD1
Rear Object Sensor Control Module, RPA Display, and RPA Disable Switch - Escalade except EXT
Dimming Control and LED Dimming Supply Voltage - 2 of 2
Figure 2:

Dimming Control and LED Dimming Supply Voltage 2 of 2


Object Number: 1608335  Size: FS
Master Electrical Component List
Interior Lighting Systems Description and Operation
Control Module References
Converter 1 of 4
Dimming Control and LED Dimming Supply Voltage - 1 of 2
Dimming Control and LED Dimming Supply Voltage - 1 of 2
Converter 1 of 4
Front
Figure 3:

Convertor 1 of 4


Object Number: 1608337  Size: FS
Master Electrical Component List
Interior Lighting Systems Description and Operation
Control Module References
Converter 2 of 4
Dimming Control and LED Dimming Supply Voltage - 2 of 2
Dimming Control and LED Dimming Supply Voltage - 2 of 2
Converter 2 of 4
G200 2 of 3
G200 2 of 3
G200 2 of 3
Figure 4:

Convertor 2 of 4


Object Number: 1608339  Size: FS
Master Electrical Component List
Interior Lighting Systems Description and Operation
Control Module References
Converter 3 of 4
Converter 1 of 4
Converter 1 of 4
Figure 5:

Convertor 3 of 4


Object Number: 1608340  Size: FS
Master Electrical Component List
Interior Lighting Systems Description and Operation
Control Module References
06 CK Util Int Lights Dimming Converter 4 of 4
Converter 2 of 4
G200 2 of 3
G200 2 of 3
Figure 6:

Convertor 4 of 4


Object Number: 1608343  Size: FS
Master Electrical Component List
Interior Lighting Systems Description and Operation
Control Module References
I/P Dimming Supply Voltage - 1 of 8
Converter 3 of 4
G200 2 of 3
G200 2 of 3
Figure 7:

I/P Dimming Supply Voltage 1 of 8


Object Number: 1608346  Size: FS
Master Electrical Component List
Interior Lighting Systems Description and Operation
Control Module References
I/P Dimming Supply Voltage - 2 of 8
06 CK Util Int Lights Dimming Converter 4 of 4
Dimming Control and LED Dimming Supply Voltage - 1 of 2
I/P Dimming Supply Voltage - 2 of 8
Analog Clock
G200 2 of 3
G200 2 of 3
G200 1 of 3
Figure 8:

I/P Dimming Supply Voltage 2 of 8


Object Number: 1608350  Size: FS
Master Electrical Component List
Interior Lighting Systems Description and Operation
Control Module References
I/P Dimming Supply Voltage - 3 of 8
I/P Dimming Supply Voltage - 1 of 8
I/P Dimming Supply Voltage - 3 of 8
I/P Dimming Supply Voltage - 1 of 8
I/P Dimming Supply Voltage - 4 of 8
G203 1 of 3
G203 2 of 3
G203 3 of 3
Lighting Systems Schematic Icons
G203 1 of 3
Figure 9:

I/P Dimming Supply Voltage 3 of 8


Object Number: 1608354  Size: FS
Master Electrical Component List
Interior Lighting Systems Description and Operation
Control Module References
I/P Dimming Supply Voltage - 4 of 8
I/P Dimming Supply Voltage - 2 of 8
Rear - w/ VD1
I/P Dimming Supply Voltage - 2 of 8
External Radio Source - U1S
G203 1 of 3
G200 2 of 3
G200 1 of 3
G200 1 of 3
G203 1 of 3
G203 1 of 3
Figure 10:

I/P Dimming Supply Voltage 4 of 8


Object Number: 1608357  Size: FS
Master Electrical Component List
Interior Lighting Systems Description and Operation
Control Module References
I/P Dimming Supply Voltage - 5 of 8
I/P Dimming Supply Voltage - 3 of 8
Traction Control Switch and Precharge Pump - w/ JL4
I/P Dimming Supply Voltage - 2 of 8
Interior Lamps - Avalanche and Escalade EXT
I/P Dimming Supply Voltage - 5 of 8
G200 1 of 3
G200 1 of 3
G200 1 of 3
G200 2 of 3
G203 1 of 3
G203 1 of 3
Figure 11:

I/P Dimming Supply Voltage 5 of 8


Object Number: 1608358  Size: FS
Master Electrical Component List
Interior Lighting Systems Description and Operation
Control Module References
I/P Dimming Supply Voltage - 6 of 8
I/P Dimming Supply Voltage - 4 of 8
Stop Lamp Switch and Traction Control Switch - w/o JL4
I/P Dimming Supply Voltage - 4 of 8
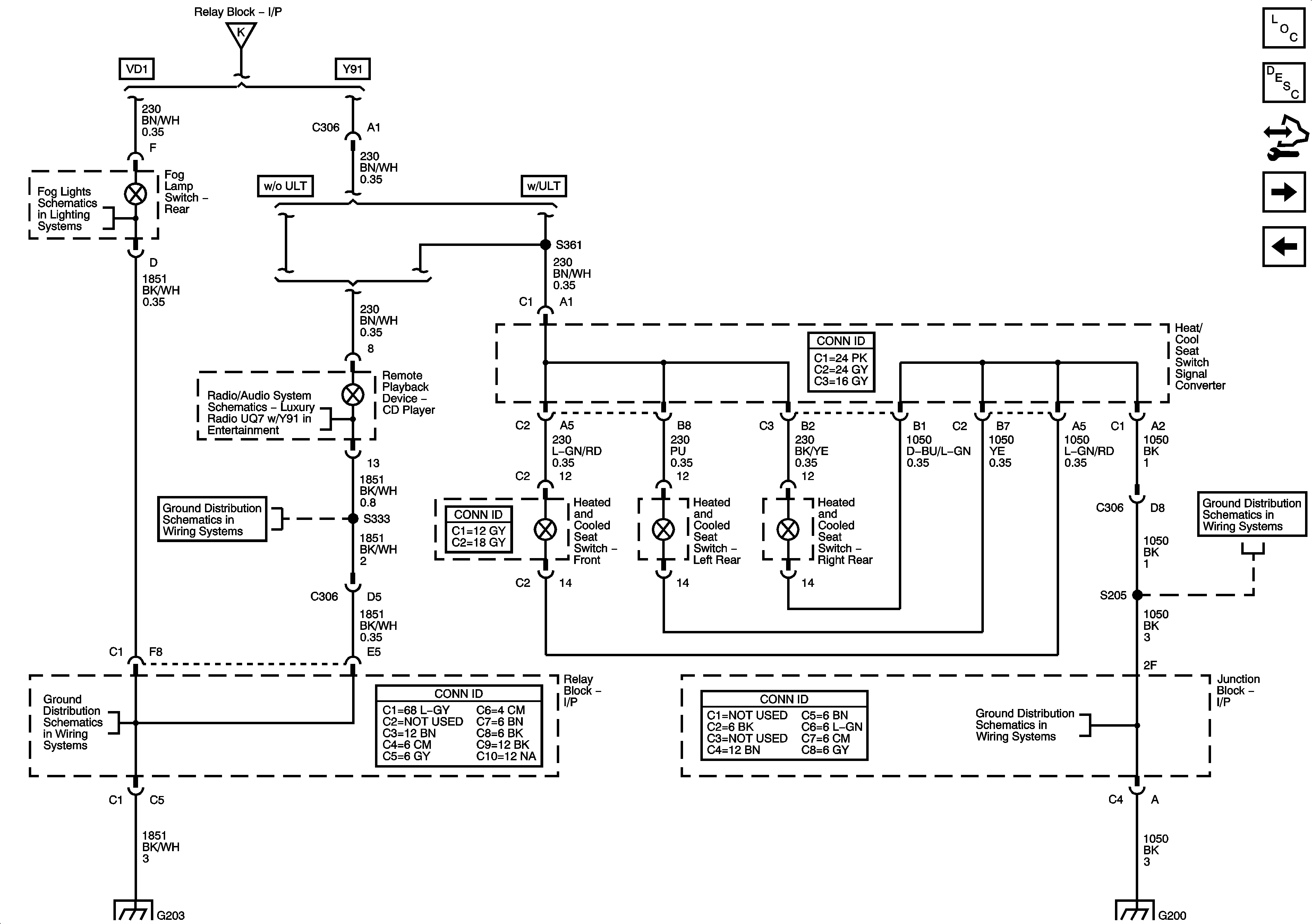
Rear Heated Seats - 1 of 3
I/P Dimming Supply Voltage - 6 of 8
Rear Heated Seats - 3 of 3
G200 2 of 3
G200 1 of 3
G200 1 of 3
G200 1 of 3
G203 1 of 3
G203 1 of 3
Figure 12:

I/P Dimming Supply Voltage 6 of 8


Object Number: 1608359  Size: FS
Master Electrical Component List
Interior Lighting Systems Description and Operation
Control Module References
I/P Dimming Supply Voltage - 7 of 8
I/P Dimming Supply Voltage - 5 of 8
Roof Beacon Wiring - 5G4
I/P Dimming Supply Voltage - 5 of 8
I/P Dimming Supply Voltage - 7 of 8
G200 3 of 3
I/P Dimming Supply Voltage - 8 of 8
Rear Object Sensor Control Module, RPA Display, and RPA Disable Switch - Escalade except EXT
Front
G203 1 of 3
G203 1 of 3
G200 3 of 3
G200 3 of 3
G200 3 of 3
Figure 13:

I/P Dimming Supply Voltage 7 of 8


Object Number: 1608361  Size: FS
Master Electrical Component List
Interior Lighting Systems Description and Operation
Control Module References
I/P Dimming Supply Voltage - 8 of 8
I/P Dimming Supply Voltage - 6 of 8
G200 1 of 3
G200 1 of 3
G200 1 of 3
G200 3 of 3
G200 3 of 3
I/P Dimming Supply Voltage - 6 of 8
G410 3 of 3 Auxiliary HVAC, Short Wheelbase
G410 3 of 3 Auxiliary HVAC, Short Wheelbase
G410 3 of 3 Auxiliary HVAC, Short Wheelbase
Figure 14:

I/P Dimming Supply Voltage 8 of 8


Object Number: 1608364  Size: FS
Master Electrical Component List
Interior Lighting Systems Description and Operation
Control Module References
I/P Dimming Supply Voltage - 7 of 8
I/P Dimming Supply Voltage - 6 of 8
Left Doors
Right Doors
Headlight Leveling Schematics
G100, G105 4 of 4
G100, G105 4 of 4
G306
G304 and G305