GM Service Manual Online
For 1990-2009 cars only

Radio/Audio System Schematics Lux Radio - UQ7 w/Y91 - Class 2 Amp

Figure 1:

Radio Power, Ground, Class 2 Serial Data, and Audio Signals


Object Number: 1608877  Size: FS
Master Electrical Component List
Radio/Audio System Description and Operation
Control Module References
External Radio Source - U1S
B+ Bus - 1 of 2
RADIO, RADIO AMP, and S/ROOF Fuses
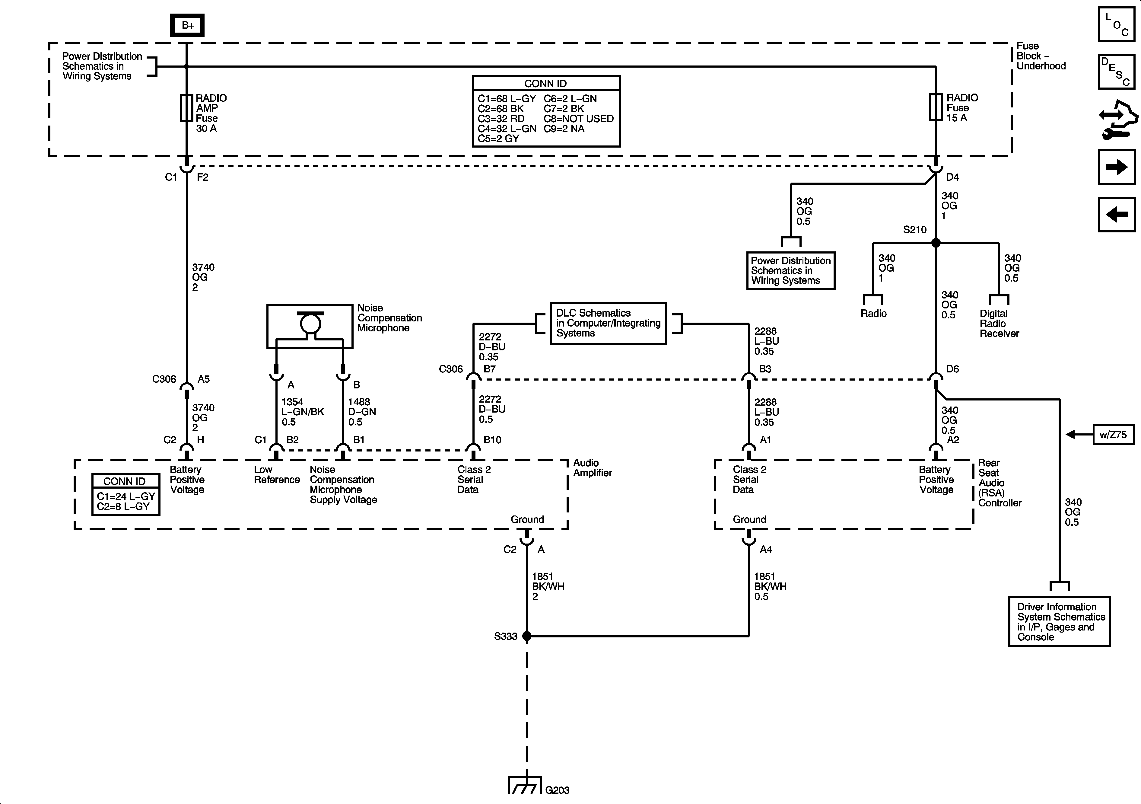
Amplifier and RSA Power, Ground, Serial Data, and Noise Compensation Microphone
External Radio Source - U2K
I/P Dimming Supply Voltage - 6 of 8
Antenna Module - Escalade except EXT
Entertainment Schematic Icons
Gages
Entertainment Schematic Icons
Entertainment Schematic Icons
Entertainment Schematic Icons
Entertainment Schematic Icons
Entertainment Schematic Icons
Power, Ground, DLC and Splice Pack SP205
G203 1 of 3
Figure 2:

External Audio Source - U1S


Object Number: 1608880  Size: FS
Master Electrical Component List
Radio/Audio System Description and Operation
Control Module References
External Radio Source - U2K
Radio Power, Ground, Class 2 Serial Data, and Audio Signals
B+ Bus - 1 of 2
CIG LTR, EAP, and INFO Fuses
SP207
Entertainment Schematic Icons
Splice Pack SP250
G203 1 of 3
Figure 3:

External Audio Source - U2K


Object Number: 1608881  Size: FS
Master Electrical Component List
Radio/Audio System Description and Operation
Control Module References
External Radio Source - U42
External Radio Source - U42
B+ Bus - 1 of 2
RADIO, RADIO AMP, and S/ROOF Fuses
Amplifier and RSA Power, Ground, Serial Data, and Noise Compensation Microphone
Radio Power, Ground, Class 2 Serial Data, and Audio Signals
SP207
Entertainment Schematic Icons
Splice Pack SP250
G203 1 of 3
Figure 4:

External Audio Source - U42


Object Number: 1608882  Size: FS
Master Electrical Component List
Radio/Audio System Description and Operation
Control Module References
Splice Pack SP250
External Radio Source - U2K
B+ Bus - 1 of 2
CIG LTR, EAP, and INFO Fuses
SP207
Entertainment Schematic Icons
Splice Pack SP250
G203 2 of 3
Figure 5:

External Audio Sources - Splice Pack SP250


Object Number: 1608883  Size: FS
Master Electrical Component List
Radio/Audio System Description and Operation
Control Module References
Amplifier and RSA Power, Ground, Serial Data, and Noise Compensation Microphone
External Radio Source - U42
External Radio Source - U42
External Radio Source - U42
External Radio Source - U42
External Radio Source - U42
External Radio Source - U2K
External Radio Source - U2K
External Radio Source - U2K
External Radio Source - U2K
External Radio Source - U1S
External Radio Source - U1S
External Radio Source - U1S
Entertainment Schematic Icons
Figure 6:

Amplifier and RSA Power, Ground, and Serial Data, and Noise Compensation Microphone


Object Number: 1608884  Size: FS
Master Electrical Component List
Radio/Audio System Description and Operation
Control Module References
Speakers
Splice Pack SP250
B+ Bus - 1 of 2
SP207
RADIO, RADIO AMP, and S/ROOF Fuses
Radio Power, Ground, Class 2 Serial Data, and Audio Signals
External Radio Source - U2K
Analog Clock
G203 1 of 3
Figure 7:

Speakers


Object Number: 1608886  Size: FS
Master Electrical Component List
Radio/Audio System Description and Operation
Control Module References
Antenna Module - Escalade except EXT
Amplifier and RSA Power, Ground, Serial Data, and Noise Compensation Microphone
Entertainment Schematic Icons
Entertainment Schematic Icons
Entertainment Schematic Icons
Entertainment Schematic Icons
Entertainment Schematic Icons
Entertainment Schematic Icons
Entertainment Schematic Icons
Entertainment Schematic Icons
Entertainment Schematic Icons
Entertainment Schematic Icons
Figure 8:

Antenna Module


Object Number: 1608887  Size: FS
Master Electrical Component List
Radio/Audio System Description and Operation
Control Module References
Speakers

Radio/Audio System Schematics Base/Up Level Radio - UQ3

Figure 1:

Power, Ground, and Audio Signals


Object Number: 1608888  Size: FS
Master Electrical Component List
Radio/Audio System Description and Operation
Control Module References
Speakers
B+ Bus - 1 of 2
Digital Radio Receiver
Entertainment Schematic Icons
Power, Ground, DLC and Splice Pack SP205
G203 2 of 3
Figure 2:

Speakers


Object Number: 1608890  Size: FS
Master Electrical Component List
Radio/Audio System Description and Operation
Control Module References
Digital Radio Receiver
Power, Ground, and Audio Signals
Entertainment Schematic Icons
Entertainment Schematic Icons
Entertainment Schematic Icons
Entertainment Schematic Icons
Entertainment Schematic Icons
Entertainment Schematic Icons
Figure 3:

Digital Radio Receiver - U2K


Object Number: 1608892  Size: FS
Master Electrical Component List
Radio/Audio System Description and Operation
Control Module References
Speakers
B+ Bus - 1 of 2
Power, Ground, and Audio Signals
SP207
Entertainment Schematic Icons
G203 1 of 3

Radio/Audio System Schematics Radio UQ7 w/o Y91 - non-Class 2 Amp

Figure 1:

Power, Ground, Serial data, and OnStar Audio Input


Object Number: 1608924  Size: FS
Master Electrical Component List
Radio/Audio System Description and Operation
Control Module References
Splice Pack SP250
B+ Bus - 1 of 2
RADIO, RADIO AMP, and S/ROOF Fuses
Entertainment Schematic Icons
Gages
Power, Ground, DLC and Splice Pack SP205
G203 2 of 3
Figure 2:

Splice Pack SP250


Object Number: 1608925  Size: FS
Master Electrical Component List
Radio/Audio System Description and Operation
Control Module References
Amplifier Power, Ground, Front Audio, and Control Inputs
Power, Ground, Serial Data, and OnStar Input
Digital Radio Receiver - w/ U2K
Rear Seat Entertainment - w/ U42
Digital Radio Receiver - w/ U2K
Rear Seat Entertainment - w/ U42
Digital Radio Receiver - w/ U2K
Rear Seat Entertainment - w/ U42
Digital Radio Receiver - w/ U2K
Rear Seat Entertainment - w/ U42
Entertainment Schematic Icons
Figure 3:

Amplifer Power, Ground, Front Audio, and Control Inputs


Object Number: 1608926  Size: FS
Master Electrical Component List
Radio/Audio System Description and Operation
Control Module References
06 CK Util UQ7 w/o Y91 Amplifier Rear Audio Inputs - w/o UK6
Splice Pack SP250
B+ Bus - 1 of 2
Entertainment Schematic Icons
G203 1 of 3
Figure 4:

Amplifier Rear Audio Inputs -- w/o UK6


Object Number: 1608929  Size: FS
Master Electrical Component List
Radio/Audio System Description and Operation
Control Module References
Amplifier Rear Audio Inputs and RSA Controller - w/ UK6
Amplifier Power, Ground, Front Audio, and Control Inputs
Entertainment Schematic Icons
Figure 5:

Amplifier Rear Audio Inputs and RSA Controller -- w/UK6


Object Number: 1608931  Size: FS
Master Electrical Component List
Radio/Audio System Description and Operation
Control Module References
Digital Radio Receiver - w/ U2K
06 CK Util UQ7 w/o Y91 Amplifier Rear Audio Inputs - w/o UK6
B+ Bus - 1 of 2
Power, Ground, Serial Data, and OnStar Input
Digital Radio Receiver - w/ U2K
SP207
Entertainment Schematic Icons
Entertainment Schematic Icons
G203 1 of 3
Figure 6:

Digital Radio Receiver - U2K


Object Number: 1608932  Size: FS
Master Electrical Component List
Radio/Audio System Description and Operation
Control Module References
Rear Seat Entertainment - w/ U42
Amplifier Rear Audio Inputs and RSA Controller - w/ UK6
B+ Bus - 1 of 2
Power, Ground, Serial Data, and OnStar Input
Amplifier Rear Audio Inputs and RSA Controller - w/ UK6
Entertainment Schematic Icons
Splice Pack SP250
SP207
G203 1 of 3
Figure 7:

Rear Seat Entertainment - U42


Object Number: 1608933  Size: FS
Master Electrical Component List
Radio/Audio System Description and Operation
Control Module References
06 CK Util UQ7 w/o Y91 Front Speakers and Subwoofer
Digital Radio Receiver - w/ U2K
CIG LTR, EAP, and INFO Fuses
B+ Bus - 1 of 2
Entertainment Schematic Icons
Splice Pack SP250
SP207
G203 1 of 3
Figure 8:

Front Speakers and Subwoofer


Object Number: 1608934  Size: FS
Master Electrical Component List
Radio/Audio System Description and Operation
Control Module References
Rear Speakers
Rear Seat Entertainment - w/ U42
Entertainment Schematic Icons
Entertainment Schematic Icons
Entertainment Schematic Icons
Entertainment Schematic Icons
Entertainment Schematic Icons
Entertainment Schematic Icons
Figure 9:

Rear Speakers


Object Number: 1608935  Size: FS
Master Electrical Component List
Radio/Audio System Description and Operation
Control Module References
06 CK Util UQ7 w/o Y91 Front Speakers and Subwoofer
Entertainment Schematic Icons
Entertainment Schematic Icons