GM Service Manual Online
For 1990-2009 cars only
Makes
🢒
Chevrolet
🢒
2005
🢒
Aveo
🢒
Body
🢒
Lighting Systems
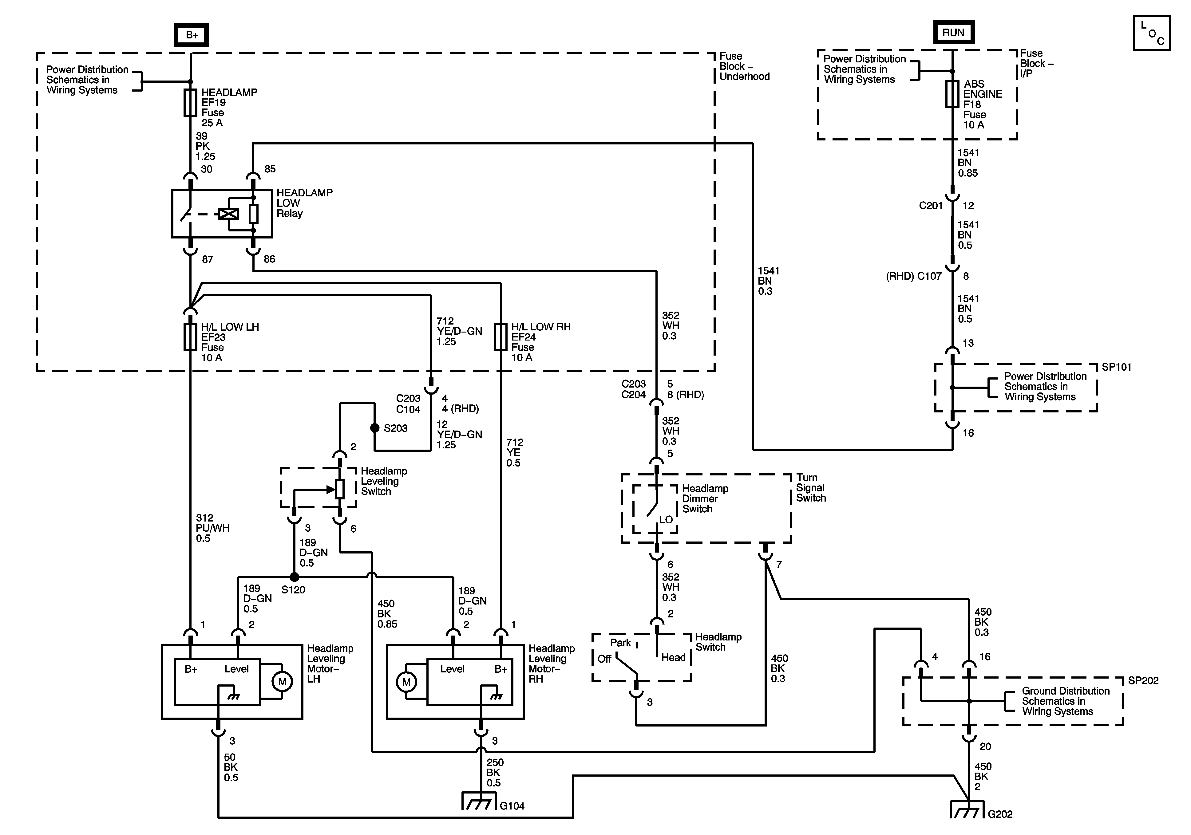
🢒 Headlight Leveling Schematics
Master Electrical Component List
Underhood Fuse Block - A/C COMP, HEADLAMP, H/L LOW RH. H/L LOW LH, H/L HI LH, H/L HI RH Fuses
Instrument Panel Fuse Block - ABS, ENGINE Fuse
Instrument Panel Fuse Block - ABS, ENGINE Fuse
G102
G104
G102