GM Service Manual Online
For 1990-2009 cars only
Figure 1:

Power, Ground, MIL, Serial Data


Object Number: 2045959  Size: FS
Figure 2:

Engine Data Sensors - Pressure and Temperature, Knock Sensor, VSS (Hatchback)


Object Number: 2045960  Size: FS
Figure 3:

Engine Data Sensors - Pressure and Temperature, Knock Sensor, VSS (Notchback)


Object Number: 2045961  Size: FS
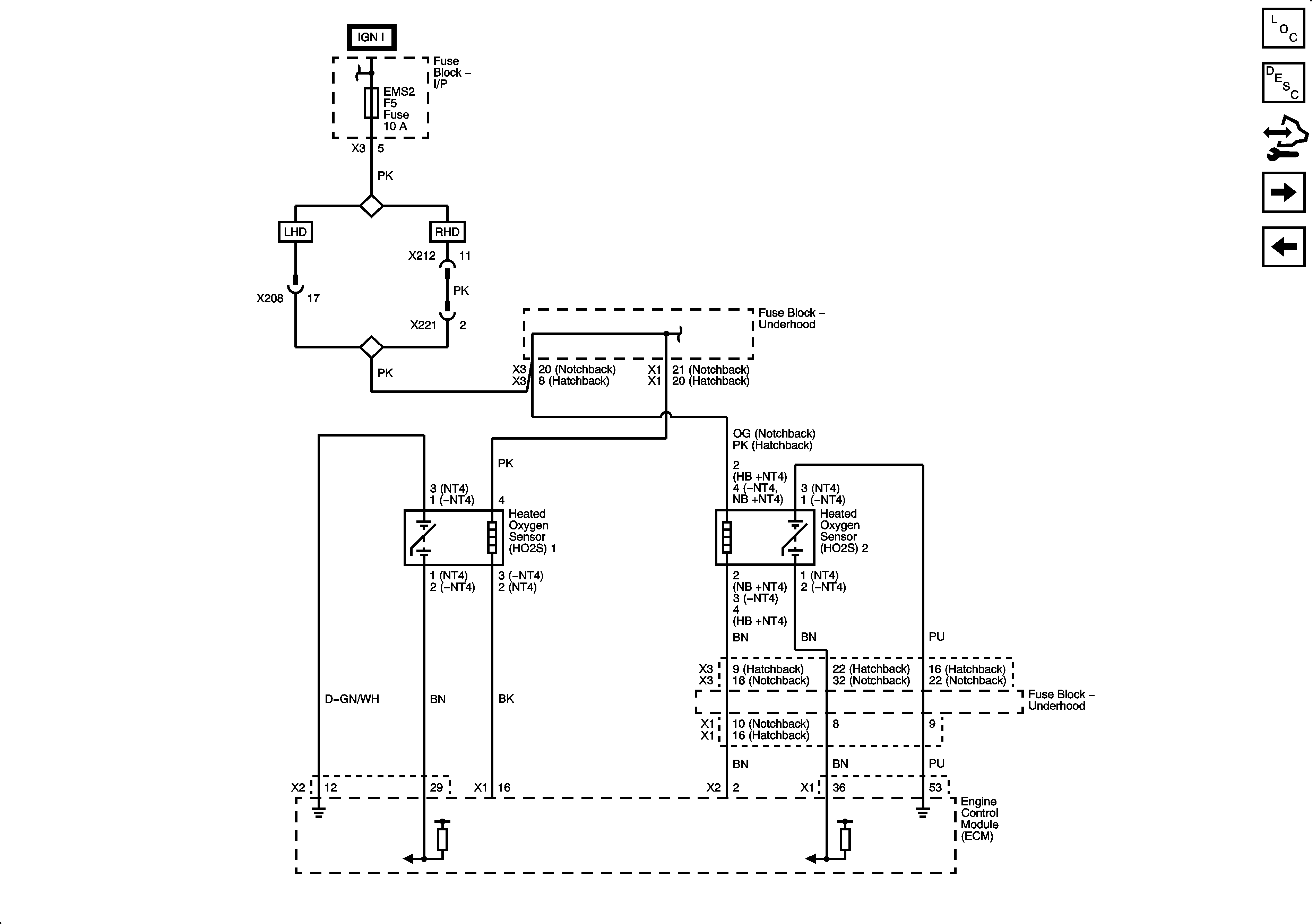
Figure 4:

Oxygen Sensors


Object Number: 2045971  Size: FS
Figure 5:

Ignition System Controls


Object Number: 2045972  Size: FS
Figure 6:

Ignition Controls - Sensors, Rough Road Sensor (Hatchback)


Object Number: 2045968  Size: FS
Figure 7:

Ignition Controls - Sensors, Rough Road Sensor (Notchback)


Object Number: 2045969  Size: FS
Figure 8:

Fuel Pump Controls and Injectors


Object Number: 2045962  Size: FS
Figure 9:

Fuel Controls - EVAP Controls


Object Number: 2045963  Size: FS
Figure 10:

Device Controls , MAP, Intake Valve


Object Number: 2045966  Size: FS
Figure 11:

Controlled/Monitored Subsystem References


Object Number: 2045975  Size: FS