GM Service Manual Online
For 1990-2009 cars only

Special Tools

    • J 28647-B Engine Support Fixture
    • KM-6625 Flywheel Locking Device
    • KM-6333 Fixing Rod
    • MK-6628 Locking Tool
    • MK-6340 Locking Tool

Removal Procedure

    Warning: Refer to Battery Disconnect Warning in the Preface section.

  1. Disconnect the battery negative cable. Refer to Battery Negative Cable Disconnection and Connection.
  2. Remove the air cleaner assembly. Refer to Air Cleaner Assembly Replacement.
  3. Install J 28647-B Engine Support Fixture .
  4. Remove the accessory belt. Refer to Drive Belt Replacement.
  5. Remove the accessory belt tensioner. Refer to Drive Belt Tensioner Replacement.

  6. Object Number: 2049370  Size: SH
  7. Rotate the crankshaft pulley clockwise.
  8. Align the notches (1) between the pulley and the cover.

  9. Object Number: 2049371  Size: SH
  10. Remove the transmission bolt (1).
  11. Install KM-6625 locking device to block the crankshaft.
  12. Install the transmission bolt (1).
  13. Remove the cylinder head cover. Refer to Valve Rocker Arm Cover Replacement.
  14. Remove the engine mount. Refer to Engine Mount Replacement.

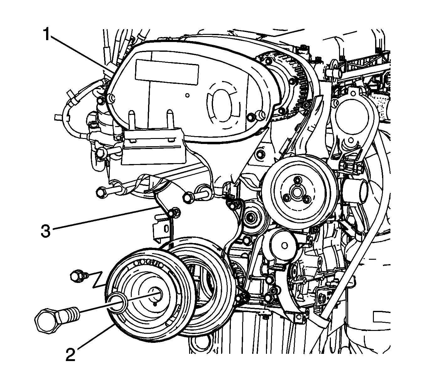
  15. Object Number: 2049374  Size: SH
  16. Remove the crankshaft pulley (2).
  17. Remove the timing belt upper cover (1).
  18. Remove the engine mount bracket.
  19. Remove the timing belt lower cover (3).
  20. Remove the timing belt center cover.

  21. Object Number: 2049375  Size: SH
  22. Install KM-6333 rod during rotating the timing belt tensioner.
  23. Remove the timing belt.

  24. Object Number: 2049376  Size: SH
  25. Remove the timing belt tensioner (1).
  26. Remove the timing belt idler (2).

Adjustment Procedure


    Object Number: 2049377  Size: SH
  1. Align the both camshaft horizontally to install the MK-6628 locking tool .
  2. Confirm the both camshaft sprocket spot aligned.

  3. Object Number: 2049378  Size: SH
  4. Prepare the right half of MK-6340 locking tool .
  5. Note: Recognizable from the lettering "Right"

  6. Unscrew the bolts (1) and detach the front panel (2) from MK-6628 locking tool .

  7. Object Number: 2049379  Size: SH

    Note: The spot-type marking (4) on the intake camshaft sprocket does not correspond to the groove of MK-6628 locking tool during this process.

  8. Confirm aligning between the intake side spot (3) and the exhaust side spot (4) on the camshaft sprockets.
  9. If not aligned as shown, remove and install the camshaft sprocket to align.
  10. Insert the left of MK-6340  (1) into the intake camshaft sprocket side.
  11. Insert the right of MK-6340  (2) into the exhaust camshaft sprocket side.

  12. Object Number: 2049380  Size: SH

    Note: If not aligned the notches, rotate the crankshaft until aligning after remove KM-6625 .

  13. Confirm alignment of the notches between the crankshaft sprocket and the cover.
  14. Caution: Refer to Fastener Caution in the Preface section.


    Object Number: 2049376  Size: SH
  15. Install the timing belt idler (2) and tighten to 50 N·m (36.8 lb ft).
  16. Install the timing belt tensioner (1) and tighten to 55 N·m (40.6 lb ft).

  17. Object Number: 2049375  Size: SH
  18. Install the timing belt and adjust.
  19. Pull out KM-6333 fixing rod .

Installation Procedure


    Object Number: 2049374  Size: SH
  1. Install the timing belt center cover.
  2. Caution: Refer to Fastener Caution in the Preface section.

  3. Install the timing belt lower cover (3) and tighten the bolts to 6 N·m (53.1 lb in).
  4. Install the engine mount bracket and tighten the bolt to 65 N·m (47.9 lb ft).
  5. Install the timing belt upper cover (1) and tighten the bolts to 4 N·m (35.4 lb ft).
  6. Install the crankshaft pulley (2) with aligning crankshaft pulley notches and tighten to 25 N·m (18.4 lb ft).
  7. Install the engine mount. Refer to Engine Mount Replacement
  8. Install the cylinder head cover. Refer to Engine Mount Replacement.
  9. Install the accessory belt. Refer to Drive Belt Tensioner Replacement.
  10. Install the accessory belt tensioner. Refer to Drive Belt Replacement.

  11. Object Number: 2049371  Size: SH
  12. Remove the transmission bolt (1).
  13. Remove KM-6625 locking device to block the crankshaft.
  14. Install the transmission bolt (1) and tighten to 60 N·m (44.2 lb ft).
  15. Remove J 28647-B Engine Support Fixture .
  16. Install the air cleaner assembly. Refer to Air Cleaner Assembly Replacement.
  17. Connect the battery negative cable. Refer to Battery Negative Cable Disconnection and Connection.