GM Service Manual Online
For 1990-2009 cars only

REMANUFACTURED TBI FUEL INJECTORS (APPLICATION)

REMANUFACTURED FUEL INJECTORS FOR (TBI) THROTTLE BODY INJECTION

Model and Year: 1982-86 CHEVROLET VEHICLES WITH TBI ---------------

TO: ALL CHEVROLET DEALERS

Remanufactured Fuel Injectors for Chevrolet vehicles equipped with Throttle Body Injection (TBI) will be available from GMWDD on March 1, 1986. The new line of Remanufactured Injectors will cover all Chevrolet vehicles with single point and dual point TBI for model years 1980 - 1986. An application chart is attached.

WARRANTY

Remanufactured TBI Fuel Injectors are the recommended choice for new vehicle warranties requiring an injector replacement. These injectors meet the same specifications as the brand new injectors they replace. After March 1, 1986, Dealers should begin to order Remanufactured Injectors to be used for warranty, however, new injectors may still be used until inventory is depleted. Beyond vehicle warranty, the injectors are warranted for 90 days and/or 4,000 miles.

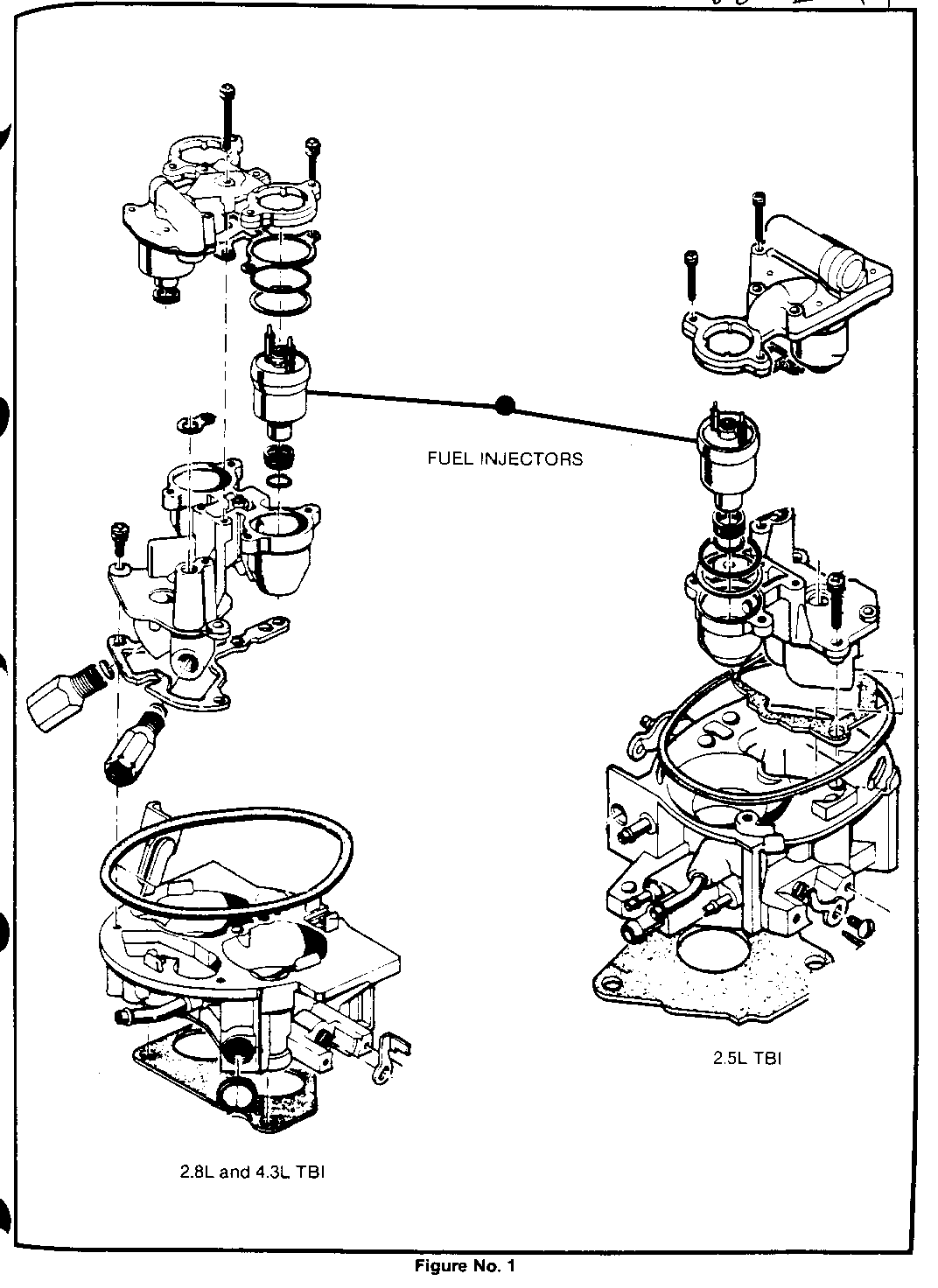
PACKAGING (Refer to Fig. 1) ---------

In order to help dealers return the core injectors in good condition, a two- tube package was designed. The inner tube contains the injector and all of the additional parts and instructions necessary to install the remanufactured injector. The outside tube MUST be used to return the old injector to obtain core credit.

APPLICATION

REMANUFACTURED CORRESPONDING INJECTOR NEW INJECTOR APPLICATION SERVICE KIT SERVICE KIT MODEL YEAR, ENGINE SOURCE, ENGINE SIZE -------------- ------------- -------------------------------------- 17111695 17079694 1983-86 Chevrolet 2.0 17111550 17111456 1986 Chevrolet 2.8 17111542 17111159 1985 Chevrolet 4.3 17111694 17111468 1986 Chevrolet 4.3 17111545 17078855 1982-83 Chevrolet 5.0 17111546 17078885 1982-83 Chevrolet 5.0 17111547 17078846 1982-84 Chevrolet 5.7 17111548 17078827 1982-84 Chevrolet 5.7


Object Number: 84750  Size: FS


Object Number: 85479  Size: FS

General Motors bulletins are intended for use by professional technicians, not a "do-it-yourselfer". They are written to inform those technicians of conditions that may occur on some vehicles, or to provide information that could assist in the proper service of a vehicle. Properly trained technicians have the equipment, tools, safety instructions and know-how to do a job properly and safely. If a condition is described, do not assume that the bulletin applies to your vehicle, or that your vehicle will have that condition. See a General Motors dealer servicing your brand of General Motors vehicle for information on whether your vehicle may benefit from the information.