GM Service Manual Online
For 1990-2009 cars only
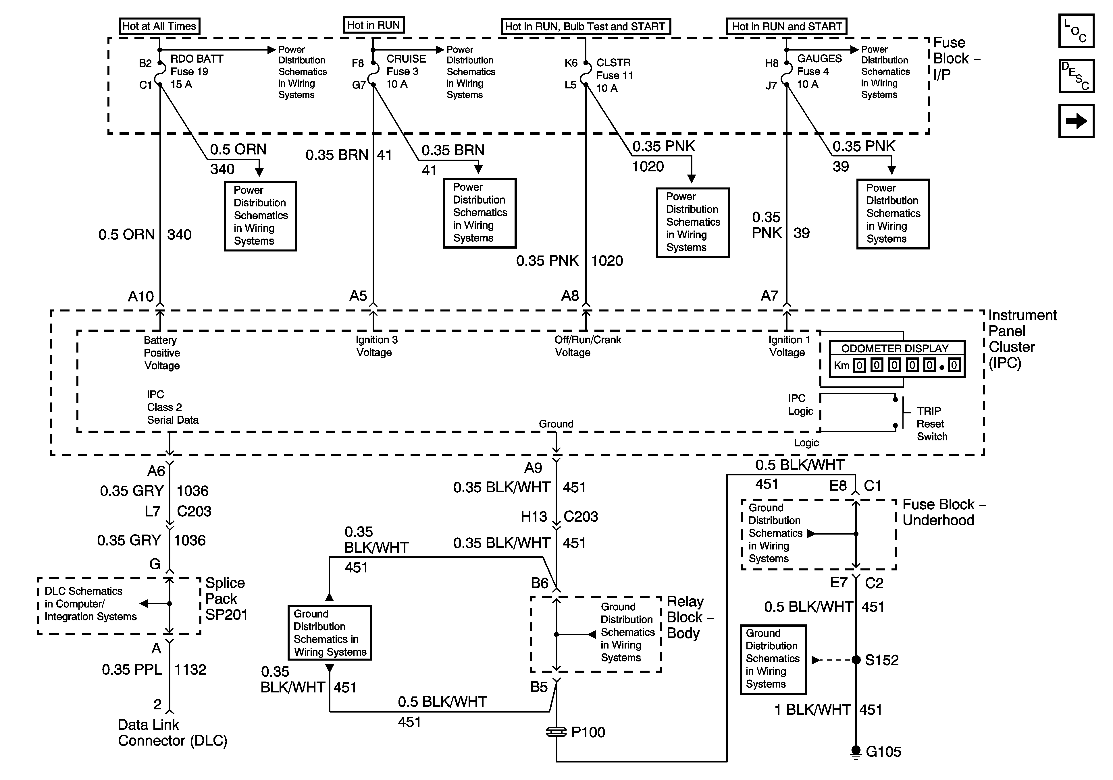
Figure 1:

Power and Ground


Object Number: 1509481  Size: FS
Master Electrical Component List
Instrument Cluster Description and Operation
Indicators
AUX PWR, RDO BATT and HDLP SW Fuses
Ign ACC, RUN and RAP Bus Bar
TURN, SIR and GAGES Fuses
AUX PWR, RDO BATT and HDLP SW Fuses
HVAC and CRUISE Fuses
CRANK and CLSTR Fuses
TURN, SIR and GAGES Fuses
04 S/T Classic DaClass 2 Serial Data
G103 and G105
G103 and G105
G103 and G105 - 2.2L
G103 and G105 - 2.2L
Figure 2:

Indicators


Object Number: 1509483  Size: FS
Master Electrical Component List
Instrument Cluster Description and Operation
Gages
Power and Grounds
Instrument Panel Cluster, BCM and Automatic Transmission Indicators
G203 and G204 - Utility w/Manual A/C
G203 and G204 - Utility w/Manual A/C
Instrument Cluster Turn Signal Indicators
G203 and G204 - Utility w/Manual A/C
Module Power, Ground, Serial Data and MIL
Module Power,Ground,Serial Data and MIL
G200, G201,G207-Crew Cab
G200, G201,G207-Crew Cab
Figure 3:

Gages


Object Number: 884312  Size: FS
Master Electrical Component List
Instrument Cluster Description and Operation
Fuel Level Sensor Signal
Indicators
Figure 4:

Fuel Level Sensor Signal


Object Number: 857705  Size: FS
Master Electrical Component List
Instrument Cluster Description and Operation
Gages
Fuel and Evap Controls
Fuel Controls - EVAP Controls