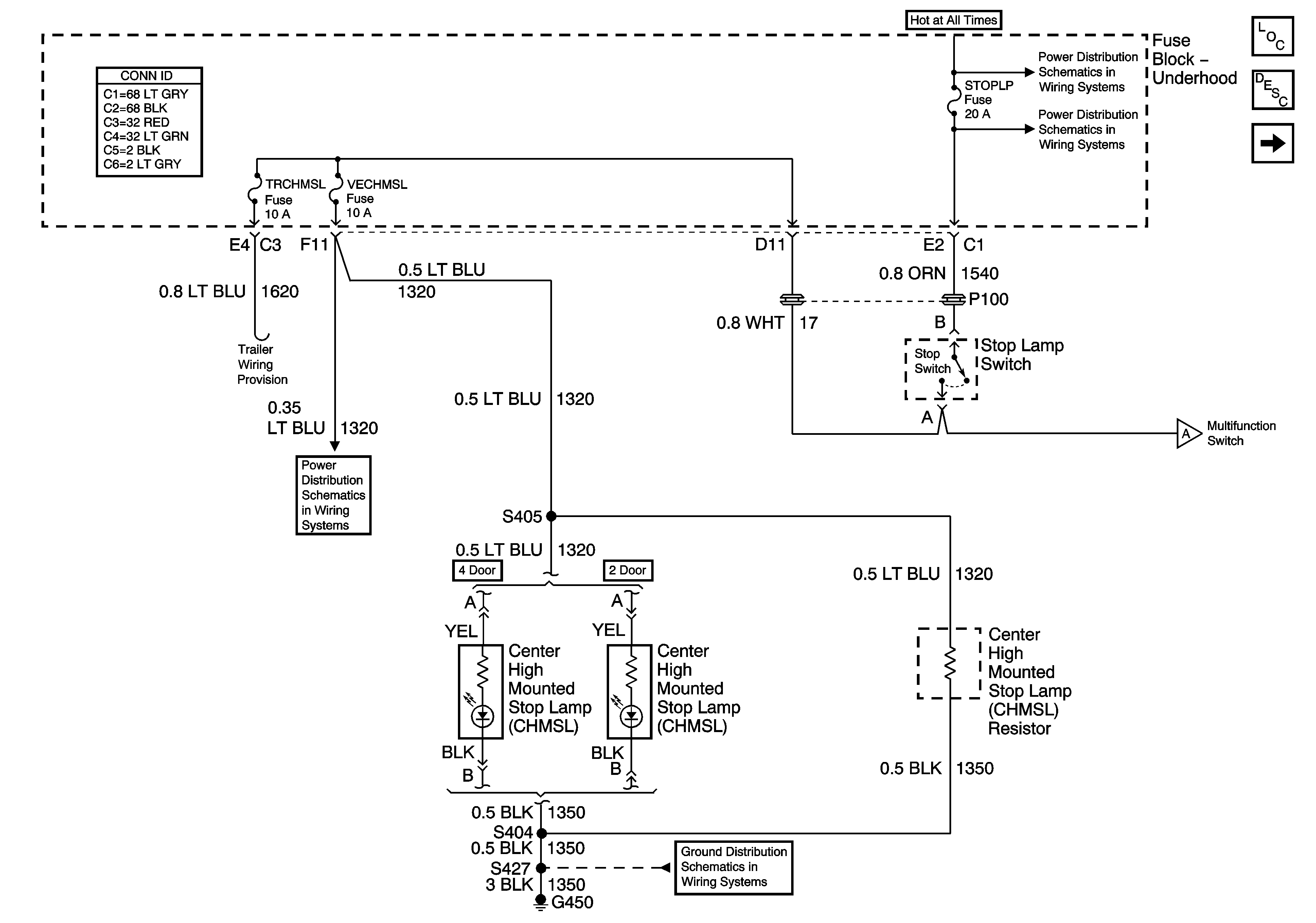
| Figure 1: |
Center High Mounted Stop Lamp
|
| Figure 2: |
Multifunction Switch and Turn Signal Lamp Flasher
|
| Figure 3: |
Instrument Cluster Turn Signal Indicators
|
| Figure 4: |
Turn Signal Fuses
|
| Figure 5: |
Park/Turn Signal Lamps, Marker Lamps and Turn Signal Fuses, Front
|
| Figure 6: |
Park Lamp Control
|
| Figure 7: |
Park and License Lamps, Rear
|
| Figure 8: |
Tail, Stop and License Lamps - Export
|
| Figure 9: |
Backup Lamps
|