GM Service Manual Online
For 1990-2009 cars only

Fuel System Description Overview RPO L35

The fuel system is controlled by the control module located in the engine compartment. The control module is the control center of the system.

The basic function of the fuel system is to control the fuel delivery to the engine under all of the operating conditions. The following two types of fuel injection systems deliver the fuel to the engine:

    • The Central Sequential Port Fuel Injection (Central SFI)
    • The Sequential Multiport Port Fuel Injection (SFI)

The main control sensor is the (Heated) Oxygen Sensor (HO2S). The (H)O2S is located in the exhaust manifold. The (H)O2S tells the control module the amount of oxygen in the exhaust gas. The control module changes the air to fuel ratio to the engine by controlling the fuel injector. Efficient catalytic converter operation requires a 14.7:1 air to fuel ratio. Because the constant measuring and adjusting of the air to fuel ratio, the fuel injection system is called a Closed Loop system.

Several other important engine operation parameters include the following items:

    • The engine speed
    • The manifold pressure
    • The engine coolant temperature
    • The throttle position

These parameters determine the mode of engine operation.

The following are the 3 separate classifications of fuel systems:

    • The Central Sequential Fuel Injection (Central SFI)
    • The Sequential Multiport Fuel Injection (MFI)
    • The fuel supply system

Fuel System Application Table

The following is a list of the 2 types of fuel systems with the various applications :

    • The Central Sequential Multiport fuel injection (Central SFI) for the 4.3L S/T (VIN W)
    • The Multiport Fuel Injection (MFI) for the 2.2L S/T (VIN 4)

Modes of Operation

The control module monitors the voltages from several sensors in order to determine how much fuel to give the engine. The fuel is delivered under one of several conditions called modes. The control module controls all of the modes.

Starting Mode

When the key is first turned ON, the control module turns on the fuel pump relay for 2 seconds, and the fuel pump builds up pressure to the throttle body. The control module checks the Engine Coolant Temperature (ECT) sensor, the Intake Air Temperature (IAT) sensor, the Throttle Position (TP) sensor, the Manifold Absolute Pressure (MAP) sensor, and the ignition signal. The control module determines the proper air to fuel ratio for starting. This ranges from 1.5:1 at -36°C (-33°F) to 14.6:1, at 94°C (201°F) running temperature.

Clear Flood Mode

If the engine floods, clear the engine by depressing the accelerator pedal down to the floor. The control module then pulses the injector at a 16.5:1 air to fuel ratio. The control module holds this injector rate as long as the throttle stays wide open and the engine is below 600 RPM. If the throttle position becomes less than 65 percent, the control module returns to the starting mode.

Run Mode

The run mode is the mode under which the engine operates most of the time. In this mode, the engine operates in either Open Loop or Closed Loop.

Open Loop

When the engine is first started and it is above 400 RPM, the system goes into the Open Loop operation. In the Open Loop, the control module ignores the signal from the HO2S, and the control module calculates the air to fuel ratio based on the inputs from the Engine Coolant Temperature (ECT) sensor and the Manifold Absolute Pressure (MAP) sensor.

The system stays in an Open Loop until the following conditions are met:

  1. The HO2S has varying voltage output, showing that it is hot enough to operate properly. This depends on engine temperature.
  2. The Engine Coolant Temperature (ECT) sensor is above a specified temperature.
  3. A specific amount of time has elapsed after starting the engine.

A normal functioning system may go into an Open Loop at idle if the Heated Oxygen Sensor (HO2S) temperature drops below the minimum requirement to produce the voltage fluctuation.

Closed Loop

The specific values for the above conditions vary with different engines. The Electronically Erasable Programmable Read Only Memory (EEPROM) stores the values. When these conditions are met, the systems goes into a Closed Loop operation. In a Closed Loop, the control module calculates the air to fuel ratio (injector on-time) based on the signal from the HO2S. This allows the air to fuel ratio to stay very close to 14.6:1.

Acceleration Mode

When the control module senses rapid changes in the throttle position and the manifold pressure, the system enters the acceleration mode. The system provides the extra fuel needed for smooth acceleration.

Deceleration Mode

When deceleration occurs, the fuel remaining in the intake manifold can cause excessive emissions and backfiring. When the control module observes a fast reduction in the throttle opening and a sharp decrease in the manifold pressure, the control module causes the system to enter the deceleration mode by reducing the amount of fuel delivered to the engine. When deceleration is very fast, the control module cuts OFF the fuel completely for short lengths of time.

Highway Fuel Mode (Semi-Closed Loop)

This mode comes into operation at highway speeds. The purpose of the mode is to improve the fuel economy. For the control module to operate in this mode, the control module first must sense the correct engine coolant temperature, ignition control, canister purge activity, and constant engine speed. During the semi-Closed-Loop operation, there will exist the following items will exist:

    • Very little long term fuel trim (formerly known as Block Learn)
    • Short term fuel trim (formerly known as an Integrator)
    • The heated oxygen sensor values reading below 100 millivolts

Decel En-Leanment

Upon deceleration, the control module senses a high MAP vacuum (low voltage or kPa) to command a leaner air/fuel mixture in order to reduce emissions.

Note that the control module can trigger this condition (decel en-leanment) while the vehicle is not moving.

Decel En-Leanment Operation

The PCM can misdiagnose the Decel-En-leanment mode of operation as a lean condition. The control module runs the system lean on decel, or if the MAP sensor senses a low voltage (high engine vacuum), with the vehicle standing still, the control module leans out the fuel delivery.

If the technician notes, while testing a control module system (with a scan tool) with the transmission in P, that the HO2S reading is low (usually below 100 mV), the long term and short term fuel trims are both around 128 counts, lower the engine speed to 1000 RPM.

If the oxygen sensor and the long term fuel trim numbers respond normally at this RPM, this may indicate that the system was fooled into the decel en-leanment mode of operation. If the heated oxygen sensor and the long term fuel trim numbers do not respond at the lower RPM readings, other problems exist with the vehicle.

Battery Voltage Correction Mode

When the battery voltage is low, the control module can compensate for a weak spark delivered to the distributor by increasing the following items:

    • The injector ON time
    • The idle RPM
    • The ignition dwell time

Fuel Cutoff Mode

No fuel is delivered by the injector when the ignition is OFF. This prevents dieseling. Also, the fuel is not delivered if no reference pulses are seen from the Ignition system, which means the engine is not running. The fuel cutoff also occurs during high engine RPM. In order to protect the internal engine components from damage, the control module disables the fuel when the vehicle speed reaches a specified speed.

Important: The engine is at the Operating Temperature 92°C to 104°C (196°F to 222°F)

Controlled Idle Speed

Engine

Transmission

Gear (Drive/Neutral)

Idle Speed (RPM)

IAC Counts*

Open/Closed Loop**

4.3L Truck (Under 8500 GVW)

Auto

Manual

Drive

Neutral

590±25

550±25

50-30

50-30

CL

2.2L Truck

Auto

--

--

5-50

CL

2.2L Truck

Manual

--

--

5-50

CL

*On Manual transmission vehicles the scan tool displays the RDL in neutral.

*Add 2 counts for the engines with less than 500 miles. Add 2 counts for every 1000 ft. above sea level (4.3L and V8).

**Let the engine idle until proper fuel control status (Open/Closed Loop) is reached.

Fuel System Description Fuel Supply System RPO L35

Central SFI Fuel System with Fuel Pressure Gauge


Object Number: 13109  Size: SF
(1)Fuel Inlet
(2)Bleed Hose
(3)J 34730-1A Fuel Pressure Gage Assembly
(4)Fuel Pressure Connection
(5)In-Line Fuel Filter
(6)Fuel Line Pressure Side
(7)Fuel Pump Feed Hose
(8)In-Tank Fuel Pump
(9)Fuel Pump Strainer
(10)Return Line
(11)Flexible Hose
(12)Fuel Return Line

The fuel supply system consists of the following components:

    • The fuel pump
    • The fuel tank
    • The accelerator control components
    • The fuel lines
    • The fuel filter

Fuel Pump Operation

The fuel supply system has an electric fuel pump located in the fuel tank on the gage sending unit. The electric pump pumps fuel to the fuel injection unit through an in-line fuel filter and fuel supply line. The pump provides fuel at a pressure above the regulated pressure needed by the fuel injectors.

A pressure regulator in the fuel injector unit keeps fuel available to the injector at a constant pressure. Fuel in excess of injector needs is returned to the fuel tank by a separate line.

Fuel pressure for Central SFI 4.3L system is 380-420 kPa (55-61 psi).

In order to properly control the fuel supply, the fuel pump is operated by the control module through the fuel pump relay and oil pressure switch. Refer to Engine Cranks but Does Not Run .

In-Line Fuel Filter

Caution: In order to reduce the risk of fire and pesonal injury, allow the fuel pressure to bleed off before servicing the fuel system components.

Refer to the Fuel System Pressure Relief Procedure in the section that applies to the fuel system that is being serviced.

The in-line filter is located in the fuel feed line. This filter prevents dirt from entering the injection unit.

In-Tank Filter

A woven plastic filter is located on the lower end of the fuel pickup tube in the fuel tank. The filter prevents any dirt from entering the fuel line. Unless the filter becomes completely submerged, the filter also stops water.

This filter is self-cleaning. The filter normally requires no maintenance. At this point, the fuel stoppage indicates that the fuel tank contains an abnormal amount of sediment or water; therefore, clean the tank thoroughly.

Fuel And Vapor Pipes

The fuel feed and the return pipes and the hoses extend from the fuel pump and the sender to the injection unit. The fuel feed and the return pipes and the hoses are routed along the frame side member.

The vapor pipe and the hoses extend from the fuel pump and the sender unit to the Evaporative Emission (EVAP) control vapor canister.

Fuel Tank

The fuel tank, at the rear of the underbody, is held in place by 2 metal straps. Anti-squeak pieces are used on top of the tank to reduce rattles.

Filler Neck

In order to help prevent refueling with leaded gasoline, the fuel filler neck on a gasoline engine vehicles has a built-in restrictor and deflector. The opening in the restrictor will only admit the smaller unleaded gas nozzle spout, which must be fully inserted to bypass the deflector.

Attempted refueling with a leaded gas nozzle or failure to fully insert the unleaded gas nozzle results in gasoline splashing back out of the filler neck.

Fuel Filler Cap

The fuel tank filler neck is equipped with a tethered fuel tank filler cap. Turn the cap counterclockwise in order to remove. A built-in torque-limiting device prevents overtightening. In order to install the cap, turn the cap clockwise until a clicking noise is heard. The clicking is a signal to the operator that the correct torque has been reached and the cap is fully seated.

Accelerator Control

The accelerator control system is a control cable type attached at one end to an accelerator pedal assembly. On the other end is the throttle valve.

Fuel System Description Operation Modes RPO L35

Purpose

The function of the fuel metering system is to deliver the correct amount of fuel to the engine under all of the operating conditions.

The fuel is delivered to the engine by individual fuel injectors and poppet nozzles which are mounted in the intake manifold near each cylinder.

The main control sensor is the Heated Oxygen Sensor (HO2S) located in the exhaust manifold. This sensor tells the Control Module how much oxygen is in the exhaust gas, and the Control Module changes the air and fuel ratio to the engine by controlling the fuel injectors. The best mixture to minimize exhaust emissions is 14.6:1 which allows the catalytic converter to operate most efficiently. Because of the constant measuring and adjusting of the air and fuel ratio, the fuel injection system is called a Closed Loop system.

Modes Of Operation

The Control Module monitors the information from several sensors in order to determine the fuel requirements based on the engine operating conditions. The fuel is delivered under one of several conditions called modes. All modes are controlled by the Control Module and are described on the next page.

Starting Mode

When the ignition switch is turned to the ON position, before engaging the starter, the control module energizes the fuel pump relay for 2 seconds allowing the fuel pump to build up pressure. The control module then checks the engine coolant temperature (ECT) sensor and the throttle position (TP) sensor in order to determine the proper air and fuel ratio for starting. The control module controls the amount of fuel delivered in the starting mode by changing how long the injectors are energized. This is done by pulsing the injectors for very short times.

Clear Flood Mode

Engine flooding can be cleared by pushing the accelerator pedal down all the way. The Control Module then completely turns OFF the fuel. No fuel is delivered from the injectors as long as the throttle stays wide open, and the engine speed is below 600 RPM. If the throttle position becomes less than 80%, the Control Module returns to the starting mode.

Run Mode

The run mode consists of an Open Loop and a Closed Loop operation.

When the engine is first started and the engine speed is above 400 RPM, the system goes into an Open Loop operation. In Open Loop, the Control Module ignores the signal from the HO2S and calculates the air/fuel ratio based on inputs from the ECT and the Intake Air Temperature (IAT) sensors.

The system stays in an Open Loop until the following conditions are met:

  1. The HO2S has varying voltage output, which will indicate if the temperature is high enough for proper operation. (This depends on the temperature.)
  2. The ECT sensor is above a specified temperature.
  3. A specific amount of time has elapsed after starting the engine.

The specific values for the above conditions vary with different engines, and are stored in the Electronically Erasable Programmable Read Only Memory (EEPROM) portion of the Control Module. When these values are met, the system goes into a Closed Loop operation. In a Closed Loop, the Control Module calculates the air and fuel ratio (injector on-time) based on the signal from the HO2S. This allows the air and fuel ratio to stay very close to 14.6:1.

Acceleration Mode

When the driver pushes on the accelerator pedal, the air flow into the cylinders increases rapidly, while the fuel flow tends to lag behind. In order to prevent possible hesitation, the Control Module increases the pulse width to the injectors in order to provide an extra fuel during acceleration. The amount of fuel required is based on the throttle position, the Mass Air Flow (MAF) sensor, and the engine speed.

Fuel Cutoff Mode

In order to prevent possible engine damage from over-speed, the Control Module cuts off fuel from the fuel injectors when the engine speed is above approximately 6500 RPM with the vehicle in any forward gear or reverse, and approximately 3000 RPM in P or N on vehicles equipped with automatic transmissions. In order to prevent tire damage, the Control Module also has a fuel cutoff in excess of 108 mph (173 km/h) based on the speed rating of the tires.

Fuel is also Cutoff during rapid deceleration. See Deceleration Mode.

Deceleration Mode

When the driver releases the accelerator pedal, the air flow into the engine is reduced. The corresponding changes in the throttle position and the manifold air pressure are relayed to the control module, which reduces the injector pulse width, in order to reduce the fuel flow. If the decel is very rapid, or for long periods (such as long closed throttle coast-down), the control module shuts OFF the fuel completely in order to protect the catalytic converter.

Converter Protection Mode

The control module constantly monitors engine operation and estimates the conditions that could result in high converter temperatures. If the control module determines the converter may overheat, this causes the system to return to the Open Loop operation and enriches the fuel mixture.

Battery Voltage Correction Mode

When the battery voltage is low, the control module can compensate for a weak spark delivered to the distributor by increasing the following items:

    • The injector ON time
    • The idle RPM
    • The ignition dwell time

Fuel System Description Overview RPO LB4

Component Location and Identification

The Central MFI upper intake plenum repair procedures cover component replacement with the unit on the vehicle. When the Central MFI unit needs replacement, it requires that the complete unit be removed from the engine and be replaced as an assembly. Refer to Central MFI Unit Replacement.

An eight digit part identification number is stamped on the upper plenum or on the pressure regulator. Refer to this number if servicing or part replacement is required.

Refer to the disassembled views for identification of parts during repair procedures. Service repair of individual components is performed without removing the lower intake plenum from the engine. It is essential that care is taken to prevent damage to the sealing surface while performing any service.

Upper and Lower Manifold Assembly Identification Location


Object Number: 1576288  Size: SH
(1)Last Digit Of Year
(2)Day Of Year Built
(3)Manifold Assembly Part Number

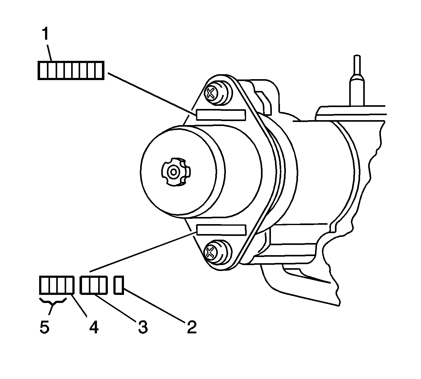
Central MFI Assembly Identification Location


Object Number: 1576290  Size: SH
(1)Central Multiport Fuel Injector Assembly Identification Number (8 Digits)
(2)Shift
(3)Plant Code
(4)Last Digit Of Year
(5)Julian Date

Central MFI Assembly Parts Identification


Object Number: 1576302  Size: LF
(1)Idle Air Control Valve Bolt/Screw
(2)Idle Air Control (IAC) Valve Assembly
(3)Idle Air Control Valve (O-ring) Seal
(4)Map Sensor Seal
(5)Map Sensor Bolt/Screw
(6)Manifold Absolute Pressure (Map) Sensor Assembly
(7)Intake Manifold Tuning Valve Bolt/Screw
(8)Intake Manifold Tuning Vale Assembly
(9)Intake Manifold Valve O-ring Seal
(10)Power Brake Booster Vacuum Fitting
(11)Upper Intake Manifold Nut
(12)Central Multiport Fuel Injector Wiring Harness Connector Assembly
(13)Central Multiport Fuel Injector (Central MFI) Injector Assembly
(14)Fuel Injection Fuel Feed And Return Pipe Clip
(15)Fuel Injection Fuel Feed And Return Pipe O-ring Seal
(16)Upper Intake Manifold Stud
(17)Lower Intake Manifold Fuel Feed And Return Pipe O-ring Seal
(18)Fuel Injection Fuel Return Pipe Assembly
(19)Fuel Pressure Connection Cap
(20)Fuel Pressure Connection Assembly
(21)Fuel Pressure Connection Seal
(22)Fuel Injection Fuel Feed Pie Assembly
(23)Fuel Injection Fuel Feed And Return Pipe Retainer Bolt/Screw
(24)Fuel Injection Fuel Feed And Return Pipe
(25)Upper Intake Manifold Locating Pin
(26)Central Multiport Fuel Injector Wiring Harness Assembly
(27)Engine Coolant Temperature (ECT) Sensor Assembly
(28)EGR Valve Bolt/Screw
(29)EGR Valve Assembly
(30)EGR Valve Gasket
(31)Lower Intake Manifold Assembly
(32)Central Multiport Fuel Injector (Central MFI ) Seal
(33)Upper Intake Manifold Gasket
(34)Throttle Position Sensor Bolt/Screw
(35)Throttle Position (TP) Sensor, Sensor Assembly
(36)EVAP Canister Purge Tube
(37)Upper Intake (With Throttle Body) Manifold Assembly

Fuel System Description Fuel Supply System RPO LB4

Fuel Control Operation

The fuel control system consists of the following components:

    • The Central Multiport Fuel Injection assembly referred to as Central MFI
    • The fuel pump
    • The fuel pump relay
    • The fuel tank
    • The accelerator control components
    • The fuel lines
    • The fuel filter
    • The evaporative emission (EVAP) control system

The fuel control system has an electric fuel pump, located in the fuel tank on the gage sending unit. It pumps fuel to the Central MFI unit through an in-line fuel filter and fuel supply line. The pump provides fuel at a pressure above the regulated pressure needed by the Central MFI injector.

A pressure regulator in the Central MFI unit keeps fuel available to the injector at a constant pressure. Fuel in excess of injector needs is returned to the fuel tank by a separate line.

The control module controls the injector that is located in the Central MFI assembly. The Central MFI delivers fuel in response to the pulse width mandated signal from the control module in one of several modes, described above.

In order to properly control the fuel supply, the fuel pump is operated by the control module through the fuel pump relay and oil pressure switch. Refer to Fuel Pump Relay Circuit Diagnosis.


Object Number: 1576276  Size: MF
(1)Fuel Outlet
(2)Bleed Hose
(3)Fuel Pressure Gage Assembly
(4)Fuel Pressure Connection
(5)Return Line
(6)Fuel Pump Feed Hose
(7)In-Tank Pump
(8)Fuel Pump Strainer
(9)Pressure Line
(10)In-Line Fuel Filter
(11)Flexible Hose
(12)Fuel Inlet

Fuel Supply System

The fuel supply is stored in the fuel tank. An electric fuel pump, located in the fuel tank with the gage sending unit, pumps fuel through an in-line fuel filter to the Central MFI unit. The pump is designed to provide fuel a pressure grater than is needed by the injectors.

The pressure regulator, part of the Central MFI assembly, keeps fuel available to the injectors at a regulated pressure. Unused fuel is returned to the fuel tank by a separate line. See Fuel Supply System for repair and replacement procedures covering the fuel tank, fuel pump, in-line filter and fuel lines.

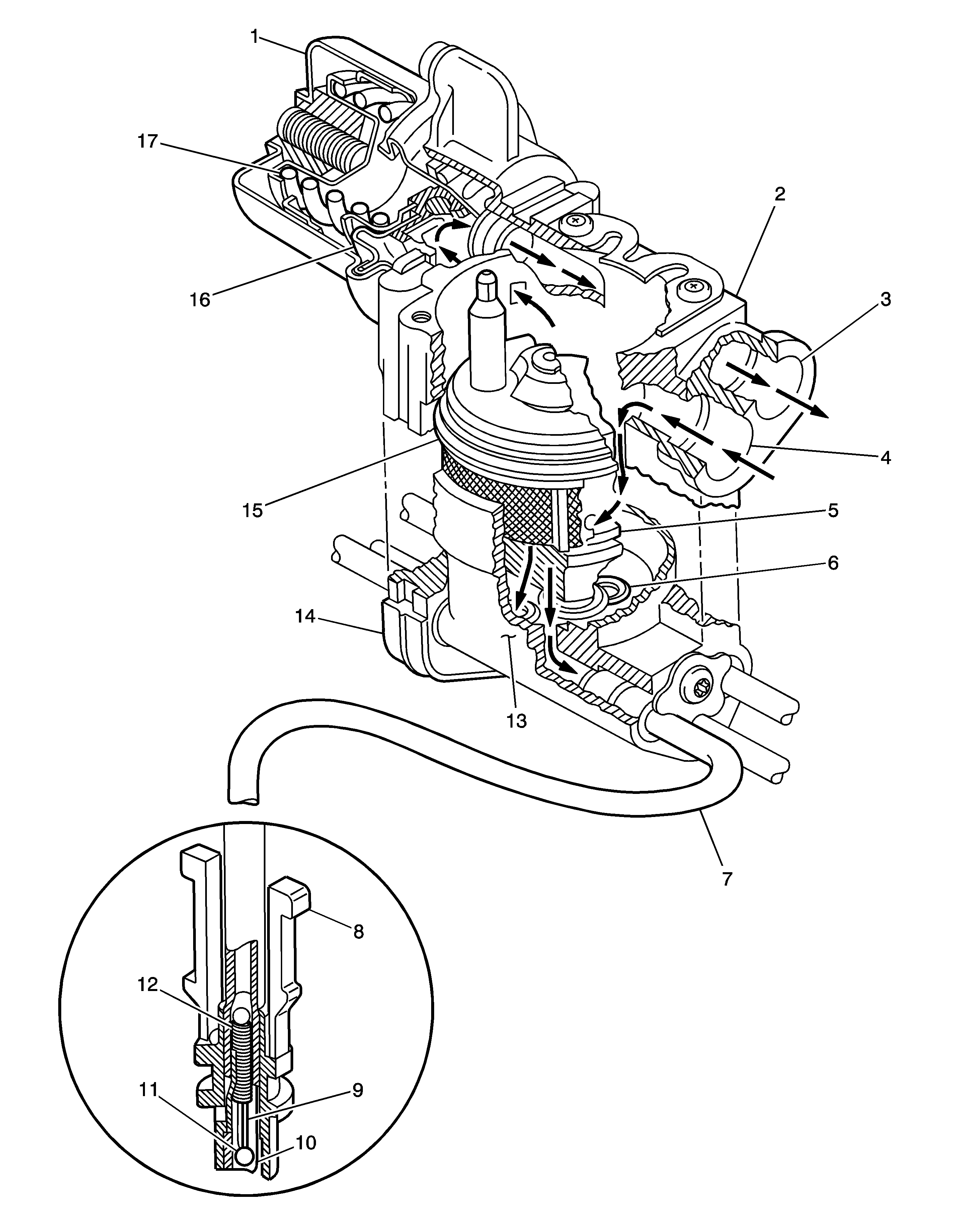
Central MFI Assembly


Object Number: 1576259  Size: FP
(1)Pressure Regulator Assembly
(2)Body -- Fuel Meter
(3)Fuel Outlet
(4)Fuel inlet
(5)Armature
(6)Seat -- Nozzle Tube
(7)Tube -- Nozzle
(8)Poppet Nozzle Assembly
(9)Pin -- Ball Retaining
(10)Seat Nozzle
(11)Ball
(12)Spring -- Extension
(13)Injector Cavity
(14)Seal CMFI Fuel Meter Body
(15)Solenoid Assembly
(16)Diaphragm And Valve Assembly
(17)Spring -- Pressure Regulator

Central Multiport Fuel Injector Assembly

The non-repairable Central MFI injector assembly consists of a fuel meter body, gasket seal, fuel pressure regulator, fuel injector and six poppet nozzles with fuel tubes. The Central MFI assembly is housed in the lower manifold assembly. The fuel system pressure range is 400-440 kPa (58-64 psi).

The Central MFI assembly has a low gain fuel pressure regulator to maintain pressure at the fuel injector through a range of fuel recirculation rates from the in-tank fuel pump. With the ignition"ON" and the engine "OFF," fuel pressure at the pressure test connection should be 400-440 kPa (58-64 psi) for 2 seconds. Fuel enters the fuel meter body through the inlet and flows into the injector cavity. When the control module de-energizes the injector solenoid, more fuel is recirculated through the pressure regulator. Fuel pressure applied to the regulator diaphragm acts against the spring force and opens the valve from its seat. This allows fuel to flow through the fuel meter body outlet and back to the fuel tank via the fuel return line. When the control module energizes the injector solenoid, the armature lifts off six fuel tube seats, delivers fuel through the fuel meter body and out to the six poppet nozzles. The reduction in fuel recirculation reduces pressure on the regulator diaphragm and the spring force closes the valve toward its seat until pressure is regained.

When the control module energizes the injector solenoid, pressurized fuel flows through fuel tubes to each poppet nozzle. An increase in fuel pressure will cause the poppet nozzle ball to open from its seat against the extension spring force an allows fuel to flow from the nozzle (at approximately 350 kPa). De-energizing the injector solenoid closes the armature and reduces the fuel pressure acting on the poppet nozzle ball. The extension spring closes the ball to the seat and checks pressure between the ball/seat and the injector armature/fuel tube shutoff.

Central MFI Engine Components


Object Number: 1576262  Size: SH
(1) Idle Air Control (IAC) Valve Assembly
(2) Manifold Absolute Pressure (MAP) Sensor
(3)Intake Manifold Tuning Valve Assembly
(4)Fuel Pressure Connection
(5)Throttle Position (TP) Sensor
(6)Exhaust Gas Recirculation (EGR) Valve Assembly
(7)Engine Coolant Temperature Sensor

Intake Manifold Assembly

The intake manifold is made up of the upper and lower manifold assemblies. The upper manifold assembly is a variable tuned split plenum design that includes an intake manifold tuning valve, described later in this section, manifold absolute pressure (MAP) sensor, TP sensor and an air inlet that is fitted with a throttle valve. This assembly replaces the individual conventional throttle body assembly and plenum components. The throttle valve is used to control air flow into the engine, thereby, controlling engine output. The throttle valve is opened by the vehicle operator, through the accelerator controls. During engine idle, the throttle valve is almost closed, and air flow control is handled by the idle air control (IAC) valve, described later in this section. Vacuum ports are located above and below the throttle valve to generate vacuum signal needed by various components. The nonadjustable, throttle shaft-driven, TP sensor is attached to the upper manifold assembly opposite the throttle cam lever.

The lower manifold is a single casting that houses the Central MFI injector assembly, fuel inlet and return tube fitting assemblies, and provisions are provided to accommodate the linear EGR valve and engine coolant temperature (ECT) sensor.

CMFI Air Flow


Object Number: 1576267  Size: MF
(1)Intake Manifold Tuning Valve Assembly
(2)Tri-Lobular Runner
(3)To Head Intake Port
(4)Zip Tube
(5)Air Inlet
(6)IAC Valve Bypass Air

Vacuum Ports

The upper intake manifold assembly (with throttle body) contains ports located in front of and behind the throttle valve. These ports generate the vacuum signals for PCV, MAP sensor and the evaporative emission (EVAP) canister purge system.


Object Number: 1576269  Size: SH
(1)Idle Air Control (IAC) Valve Assembly
(2)IAC Valve Air Passage
(3)Air Inlet

Idle Air Control (IAC) System

All engine idle speeds are controlled by the control module through the idle air control (IAC) valve mounted on the throttle body. The control module sends voltage pulses to the IAC motor windings causing the IAC motor shaft and pintle to move "IN" or "OUT" a given distance (number of steps) for each pulse (called counts).

This movement controls airflow around the throttle plate, which in turn, controls engine idle speed, either cold or hot. The IAC valve pintle position counts can be seen using a Tech 1 scan tool. Zero counts correspond to a fully closed passage, while 140 counts or more (depending on the application) corresponds to full flow.

    • Actual or "controlled" idle speed is obtained by the control module positioning the IAC valve pintle. Resulting idle speed is generated from the total idle air flow (IAC/passage + crankcase ventilation + throttle valve + vacuum leaks).
    • Controlled idle speed is always specified for normal operating conditions. Normal operating conditions are engine coolant temperature in normal operating range, the air conditioning "OFF," automatic transmission in drive, verify proper PRNDL position switch adjustment. A high or low engine coolant temperature, or A/C clutch engagement may signal the control module to change the IAC counts.
    • The idle stop screw is set at the factory. This setting allows enough air flow by the throttle valve to cause the IAC valve pintle to be positioned at a calibrated number of steps (counts) from the seat during normal controlled idle operation. The IAC counts will be higher than normal on an engine with less than 500 miles, or an engine operating at high altitude or an engine with an accessory load such as the alternator, A/C or power steering activated.

Object Number: 1576274  Size: SH
(1)5-Volt Reference
(2)Sensor Ground
(3)TP Signal
(4)Control Module
(5)TP Sensor
(6)Throttle Valve

Throttle Position (TP) Sensor

The non-adjustable throttle position (TP) sensor, is mounted on the side of the throttle body opposite the throttle lever assembly. Its function is to sense the current throttle valve position and relay that information to the control module. The TP sensor information allows the control module to generate the required injector control signals (base pulse).

If the TP sensor senses a wide open throttle (WOT), a voltage signal indicating this condition is sent to the control voltage signal indicating this condition is sent to the control module. The control module then increases the injector base pulse width, permitting increased fuel flow.

As the throttle valve rotates in response to movement of the accelerator pedal, the throttle shaft transfers this rotation movement to the TP sensor. A potentiometer (variable resistor) within the throttle position sensor assembly changes its resistance in proportion to throttle movement.

By applying a reference voltage (5.0 volts) to the TP sensor input, a varying voltage (reflecting throttle position) is available at the TP sensor output. For example, approximately 2.5 volts results from a 50 percent throttle valve opening depending on TP sensor calibration. The voltage output from the TP sensor assembly is routed to the control module for use in determining throttle position.

Fuel Pump Circuit

The fuel pump is a roller van, high pressure electric pump, mounted in the fuel tank. The fuel is pumped at a positive pressure from the fuel pump through the in-line filter to the pressure regulator in the Central MFI unit. Excess fuel is returned to the fuel tank through the return line.

The fuel pump is attached to the fuel gage sender assembly. A fuel strainer is attached to the fuel pump inlet line and prevents dirt particles from entering the fuel line and tends to separate water from the fuel.

Vapor lock problems are reduced when using an electric pump because the fuel is pushed from the tank under pressure rather than being pulled under vacuum, a condition that produces vapor.

When the key is firs turned "ON" without the engine running, the control module turns the fuel pump relay "ON" for 2 second. This builds up the fuel pressure quickly. If the engine is not started within 2 seconds, the control module shuts the fuel pump "OFF" and waits for distributor reference pulses. As soon as the engine is cranked, the control module turns the relay "ON" and runs the fuel pump.

When the engine is cranking or running, the control module receives distributor reference pulses which in turn also energize the fuel injector.

As a backup system to the fuel pump relay, the fuel pump is also turned "ON" by an oil pressure switch. When the engine oil pressure reaches about 28 kPa (4 psi), through cranking the oil pressure switch will close to complete the circuit to the fuel pump.

An inoperative fuel pump relay can result in ling cranking times, particularly if the engine is cold. The oil pressure switch will turn "ON" the fuel pump as soon as oil pressure reaches about 28 kPa (4 psi).

Evaporative Emission (EVAP) Control

The system transfers fuel vapors from the fuel tank into an EVAP canister and then vapors are purged into the intake manifold air flow and consumed in combustion.