GM Service Manual Online
For 1990-2009 cars only
Makes
🢒
Chevrolet
🢒
1998
🢒
Blazer - 4WD
🢒
Suspension
🢒
Automatic Level Control
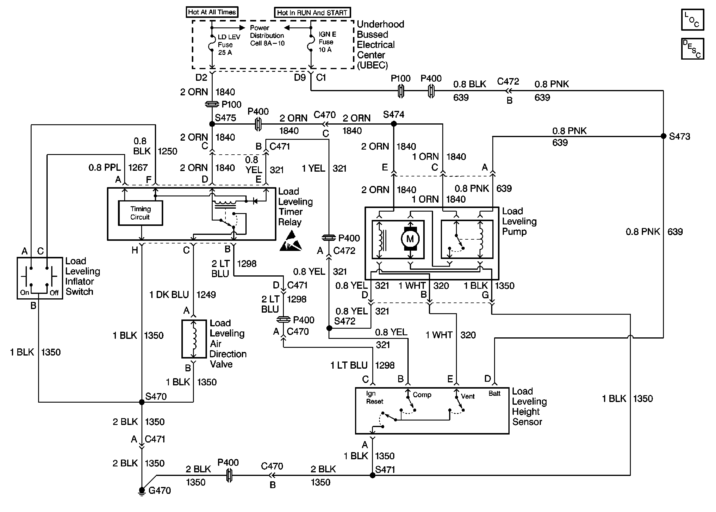
🢒 Automatic Level Control Schematics
Cell 42
Automatic Level Control Circuit Description
Automatic Level Control Suspension Components
Automatic Level Control Suspension Schematic References
Automatic Level Control Schematic Icons