GM Service Manual Online
For 1990-2009 cars only
Makes
🢒
Chevrolet
🢒
1998
🢒
Blazer - 4WD
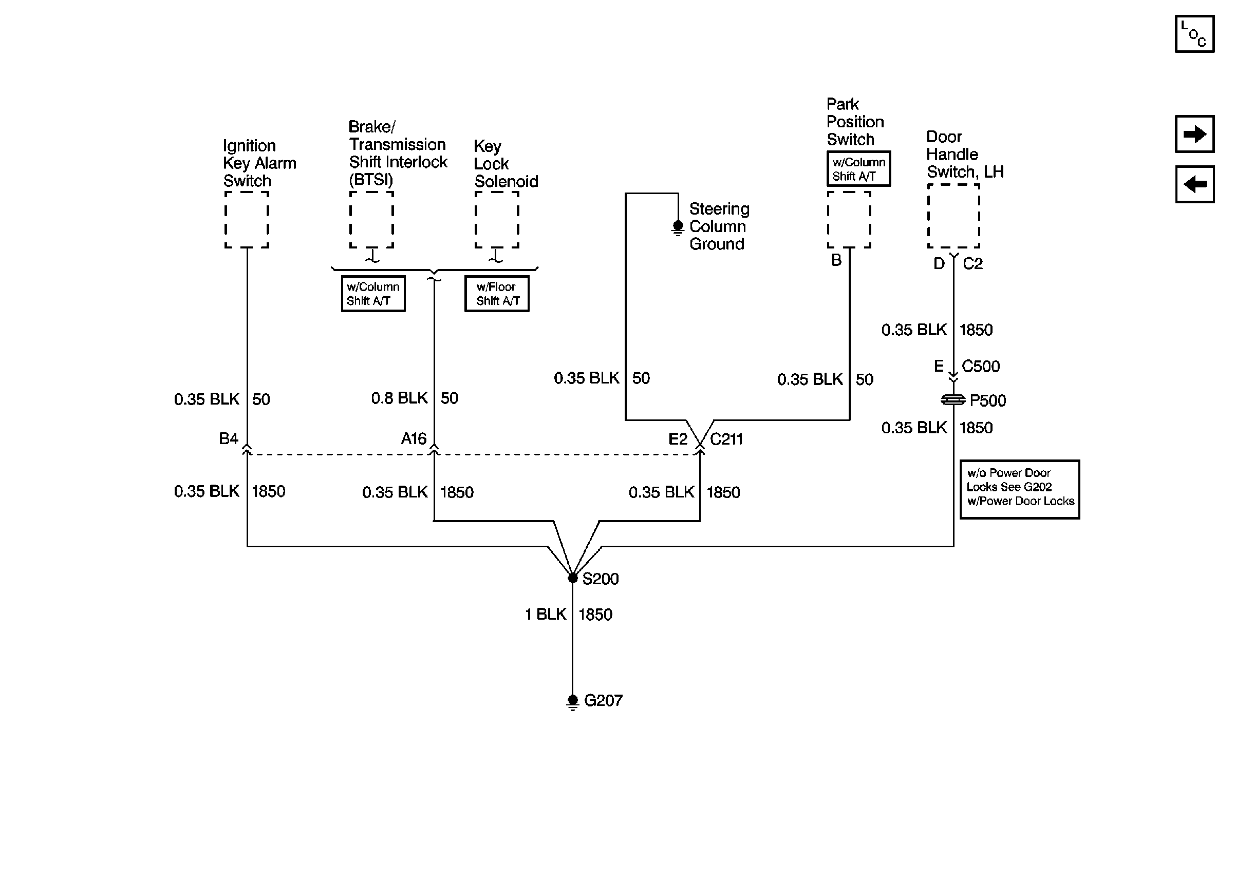
🢒 Cell 14: G207 (Utility Except Envoy)
Cell 14: G207 (Utility Except Envoy)
Cell 14: G207 (Utility Except Envoy)
Power and Grounding Components
Cell 14: G200 and G201 (Pickup)
Cell 14: G207 (Pickup)