| Figure 1: |
Power and Ground (Chevy/GMC)
|
| Figure 2: |
BCM (Chevy/GMC)
|
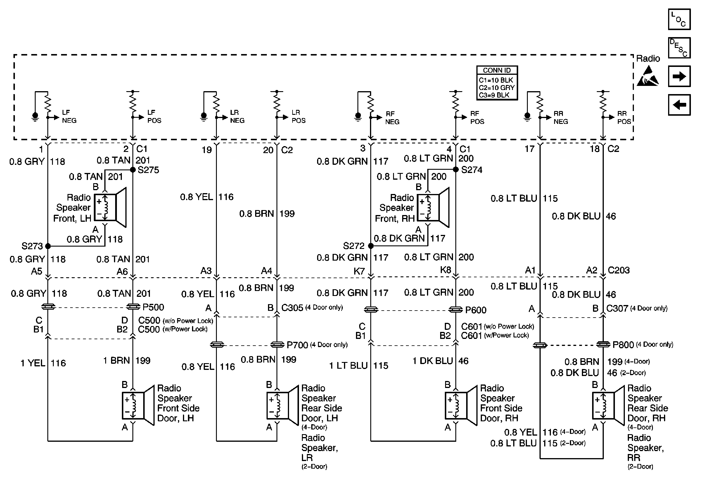
| Figure 3: |
Speakers (Regular Cab and Extended Cab w/ 3rd Door -- Chevy/GMC)
|
| Figure 4: |
Speakers (Extended Cab w/o 3rd Door -- Chevy/GMC)
|
| Figure 5: |
Speakers (Utility Except Envoy -- Chevy/GMC)
|
| Figure 6: |
Remote Tape/CD Player (Chevy/GMC)
|
| Figure 7: |
Amplifier Power and Ground (Chevy/GMC)
|
| Figure 8: |
Amplifier Inputs (Chevy/GMC)
|
| Figure 9: |
Amplifier, Left Channel Output (Chevy/GMC)
|
| Figure 10: |
Amplifier, Right Channel Output (Chevy/GMC)
|
| Figure 11: |
Rear Seat Audio Control (Envoy)
|
| Figure 12: |
Radio Power and Ground and Speakers (w/o Amplifier -- Bravada)
|
| Figure 13: |
Radio Power and Ground (w/ Amplifier -- Bravada)
|
| Figure 14: |
Remote Tape/CD Player (Bravada)
|
| Figure 15: |
Amplifier Power and Ground and Inputs (Bravada)
|
| Figure 16: |
Amplifier, Left Channel Output (Bravada)
|
| Figure 17: |
Amplifier, Right Channel Output (Bravada)
|