GM Service Manual Online
For 1990-2009 cars only
Figure 1:

B+ Bus Bar


Object Number: 547019  Size: FS
Power and Grounding Components
Ign RUN and START Bus Bar
G100, G106, G107, G108, G110 and G118
VCM Connector End Views
Figure 2:

Ign RUN and START Bus Bar


Object Number: 547020  Size: FS
Power and Grounding Components
Ign ACC, RUN and RAP Bus Bar
B+ Bus Bar
B+ Bus Bar
Power and Grounding Connector End Views
Figure 3:

Ign ACC, RUN and RAP Bus Bar


Object Number: 547022  Size: FS
Power and Grounding Components
Stop, Turn and Hazard Bus Bar
Ign RUN and START Bus Bar
B+ Bus Bar
Power and Grounding Connector End Views
Figure 4:

Stop, Turn and Hazard Bus Bar


Object Number: 547023  Size: FS
Power and Grounding Components
STUD 2, ABS, TBC and RR W/W Fuses
Ign ACC, RUN and RAP Bus Bar
B+ Bus Bar
Ign RUN and START Bus Bar
Power and Grounding Connector End Views
Body Control System Connector End Views
Handling ESD Sensitive Parts Notice
Handling ESD Sensitive Parts Notice
Figure 5:

STUD 2, ABS, TBC and RR W/W Fuses


Object Number: 547024  Size: FS
Power and Grounding Components
INT BATT Fuse
Stop, Turn and Hazard Bus Bar
Power and Grounding Connector End Views
B+ Bus Bar
Antilock Brake System Connector End Views
Handling ESD Sensitive Parts Notice
Body Control System Connector End Views
Handling ESD Sensitive Parts Notice
Figure 6:

INT BATT Fuse


Object Number: 547025  Size: FS
Power and Grounding Components
Inadvertent Power Lamp Relay
STUD 2, ABS, TBC and RR W/W Fuses
Power and Grounding Connector End Views
B+ Bus Bar
Entertainment Connector End Views
Inadvertent Power Lamp Relay
AUX PWR, RDO BATT and HDLP SW Fuses
Figure 7:

Inadvertent Power Lamp Relay


Object Number: 547026  Size: FS
Power and Grounding Components
AUX PWR, RDO BATT and HDLP SW Fuses
INT BATT Fuse
INT BATT Fuse
Handling ESD Sensitive Parts Notice
Driver Information Systems Connector End Views
Handling ESD Sensitive Parts Notice
Handling ESD Sensitive Parts Notice
Figure 8:

AUX PWR, RDO BATT and HDLP SW Fuses


Object Number: 547028  Size: FS
Power and Grounding Components
HTD SEAT, ATC, HVAC and A/C Fuses
Inadvertent Power Lamp Relay
INT BATT Fuse
Handling ESD Sensitive Parts Notice
Handling ESD Sensitive Parts Notice
Handling ESD Sensitive Parts Notice
Handling ESD Sensitive Parts Notice
Handling ESD Sensitive Parts Notice
Handling ESD Sensitive Parts Notice
Entertainment Connector End Views
Figure 9:

HTD SEAT, ATC, HVAC and A/C Fuses


Object Number: 547030  Size: FS
Power and Grounding Components
MIR/LKS, FOG LP Fuses and DRL, Headlamp Power Relays
AUX PWR, RDO BATT and HDLP SW Fuses
B+ Bus Bar
Power and Grounding Connector End Views
Transfer Case Control Connector End Views
Handling ESD Sensitive Parts Notice
Transfer Case Control Connector End Views
Handling ESD Sensitive Parts Notice
Figure 10:

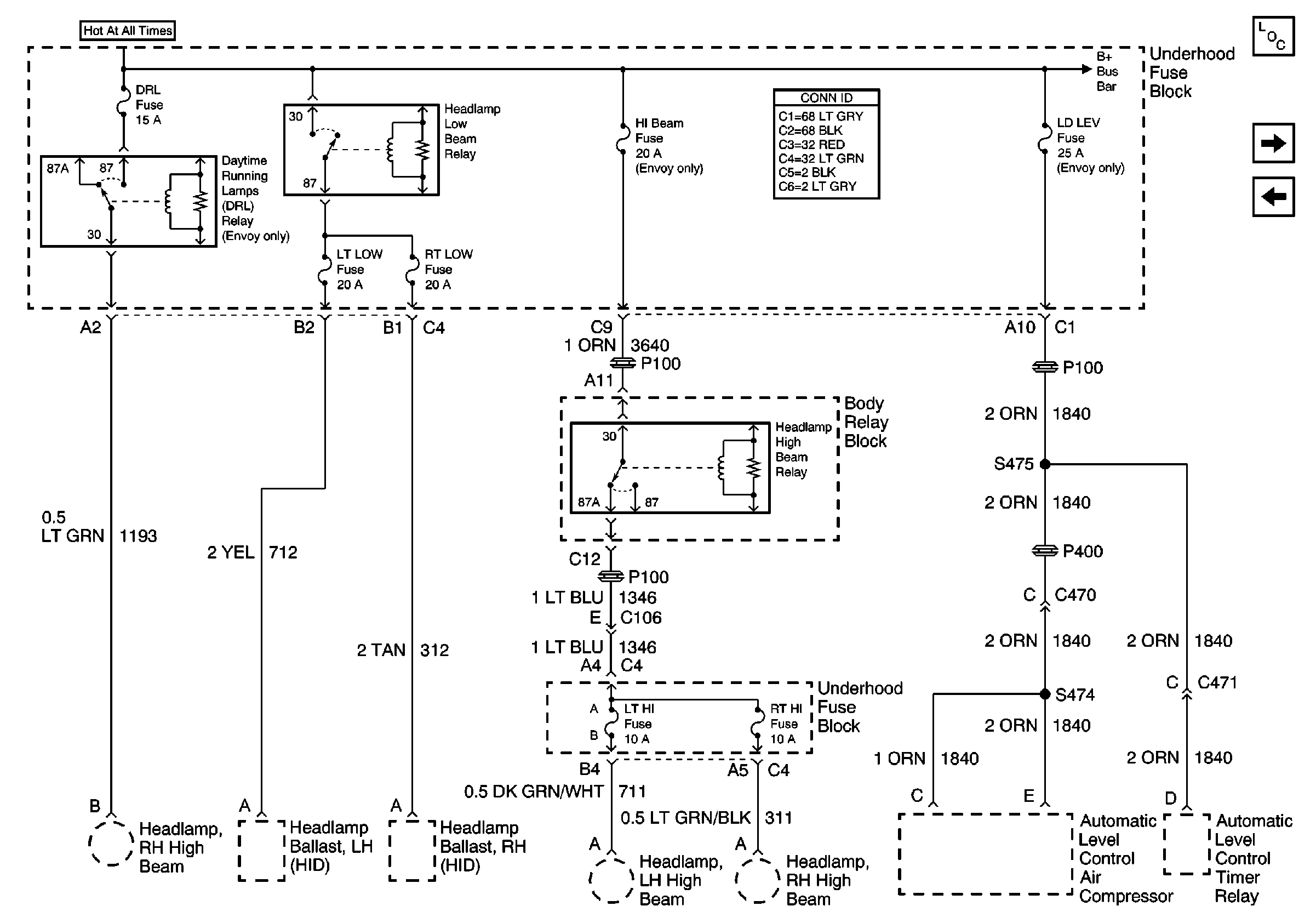
MIR/LKS, FOG LP Fuses and DRL, Headlamp Power Relays


Object Number: 547031  Size: FS
Power and Grounding Components
HI BEAM, LD LEV, DRL Fuses and Low Beam Relay (Envoy Only)
HTD SEAT, ATC, HVAC and A/C Fuses
B+ Bus Bar
Power and Grounding Connector End Views
Power Door Systems Connector End Views
Power Door Systems Connector End Views
Figure 11:

HI BEAM, LD LEV, DRL Fuses and Low Beam Relay (Envoy Only)


Object Number: 547032  Size: FS
Power and Grounding Components
ECM B Fuse and Horn, Rear Defogger Relays
MIR/LKS, FOG LP Fuses and DRL, Headlamp Power Relays
B+ Bus Bar
Power and Grounding Connector End Views
Figure 12:

ECM B Fuse and Horn, Rear Defogger Relays


Object Number: 547033  Size: FS
Power and Grounding Components
ILLUM and PARK LP Fuses
HI BEAM, LD LEV, DRL Fuses and Low Beam Relay (Envoy Only)
B+ Bus Bar
Power and Grounding Connector End Views
Engine Controls Connector End Views
Handling ESD Sensitive Parts Notice
Engine Controls Connector End Views
Handling ESD Sensitive Parts Notice
Figure 13:

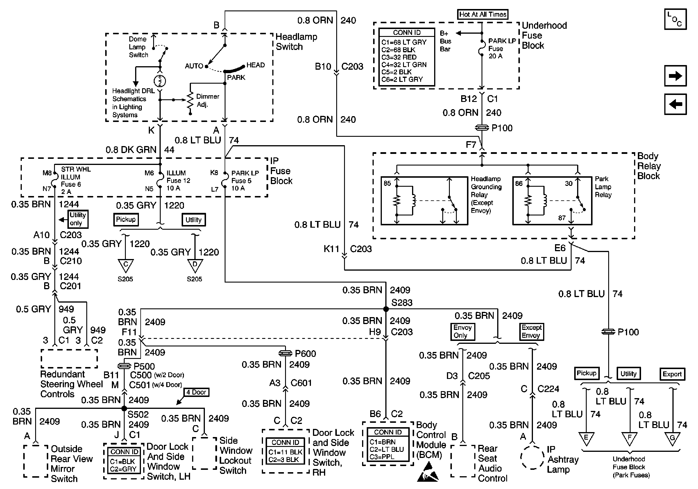
ILLUM and PARK LP Fuses


Object Number: 547034  Size: FS
Power and Grounding Components
ILLUM Power (Pickup)
ECM B Fuse and Horn, Rear Defogger Relays
Headlamp Switch, Ambient Light Sensor and BCM
Power and Grounding Connector End Views
B+ Bus Bar
ILLUM Power (Pickup)
ILLUM Power (Utility)
Power Door Systems Connector End Views
Power Door Systems Connector End Views
Body Control System Connector End Views
Handling ESD Sensitive Parts Notice
FR PRK, LR PRK, RR PRK Fuses and Fog Lamp Relay (Pickup)
FR PRK, LR PRK, RR PRK, TRL PRK Fuses and Fog Lamp Relay (Utility)
FR PRK, LR PRK, RR PRK, TRL PRK Fuses and Fog Lamp Relay (Export)
Figure 14:

ILLUM Power (Pickup)


Object Number: 547035  Size: FS
Power and Grounding Components
ILLUM Power (Utility)
ILLUM and PARK LP Fuses
ILLUM and PARK LP Fuses
Entertainment Connector End Views
Handling ESD Sensitive Parts Notice
HVAC Connector End Views
HVAC Connector End Views
SIR Handling Caution
Body Control System Connector End Views
Handling ESD Sensitive Parts Notice
Transfer Case Control Connector End Views
Handling ESD Sensitive Parts Notice
Figure 15:

ILLUM Power (Utility)


Object Number: 547036  Size: FS
Power and Grounding Components
ILLUM Power (2-Door and 4-Door Utility)
ILLUM Power (Pickup)
ILLUM and PARK LP Fuses
Entertainment Connector End Views
Handling ESD Sensitive Parts Notice
HVAC Connector End Views
Handling ESD Sensitive Parts Notice
Body Control System Connector End Views
Handling ESD Sensitive Parts Notice
Transfer Case Control Connector End Views
Handling ESD Sensitive Parts Notice
ILLUM Power (2-Door and 4-Door Utility)
Figure 16:

ILLUM Power (2-Door and 4-Door Utility)


Object Number: 547037  Size: FS
Power and Grounding Components
FR PRK, LR PRK, RR PRK Fuses and Fog Lamp Relay (Pickup)
ILLUM Power (Utility)
ILLUM Power (Utility)
Driver Information Systems Connector End Views
Handling ESD Sensitive Parts Notice
Handling ESD Sensitive Parts Notice
Figure 17:

FR PRK, LR PRK, RR PRK Fuses and Fog Lamp Relay (Pickup)


Object Number: 547038  Size: FS
Power and Grounding Components
FR PRK, LR PRK, RR PRK, TRL PRK Fuses and Fog Lamp Relay (Utility)
ILLUM Power (2-Door and 4-Door Utility)
ILLUM and PARK LP Fuses
Power and Grounding Connector End Views
Figure 18:

FR PRK, LR PRK, RR PRK, TRL PRK Fuses and Fog Lamp Relay (Utility)


Object Number: 547039  Size: FS
Power and Grounding Components
FR PRK, LR PRK, RR PRK, TRL PRK Fuses and Fog Lamp Relay (Export)
FR PRK, LR PRK, RR PRK Fuses and Fog Lamp Relay (Pickup)
ILLUM and PARK LP Fuses
Power and Grounding Connector End Views
Figure 19:

FR PRK, LR PRK, RR PRK, TRL PRK Fuses and Fog Lamp Relay (Export)


Object Number: 563671  Size: FS
Power and Grounding Components
CRANK and CLSTR Fuses
FR PRK, LR PRK, RR PRK, TRL PRK Fuses and Fog Lamp Relay (Utility)
ILLUM and PARK LP Fuses
Power and Grounding Connector End Views
Figure 20:

CRANK and CLSTR Fuses


Object Number: 547040  Size: FS
Power and Grounding Components
TURN, SIR and GAUGES Fuses
FR PRK, LR PRK, RR PRK, TRL PRK Fuses and Fog Lamp Relay (Export)
Power and Grounding Connector End Views
Ign RUN and START Bus Bar
Ign RUN and START Bus Bar
Transfer Case Control Connector End Views
Handling ESD Sensitive Parts Notice
Automatic Transmission Related Connector End Views
Handling ESD Sensitive Parts Notice
Engine Controls Connector End Views
Handling ESD Sensitive Parts Notice
Engine Controls Connector End Views
Handling ESD Sensitive Parts Notice
Figure 21:

TURN, SIR and GAUGES Fuses


Object Number: 547041  Size: FS
Power and Grounding Components
IGN E Fuse and A/C Compressor, Rear Defogger, DRL Relays
CRANK and CLSTR Fuses
Ign RUN and START Bus Bar
Handling ESD Sensitive Parts Notice
SIR Handling Caution
Handling ESD Sensitive Parts Notice
SIR Handling Caution
Body Control System Connector End Views
Handling ESD Sensitive Parts Notice
Handling ESD Sensitive Parts Notice
Figure 22:

IGN E Fuse and A/C Compressor, Rear Defogger, DRL Relays


Object Number: 547042  Size: FS
Power and Grounding Components
B/U LP, TRL B/U and BTSI Fuses (Automatic Transmission)
TURN, SIR and GAUGES Fuses
Power and Grounding Connector End Views
Ign RUN and START Bus Bar
Figure 23:

B/U LP, TRL B/U and BTSI Fuses (Automatic Transmission)


Object Number: 547044  Size: FS
Power and Grounding Components
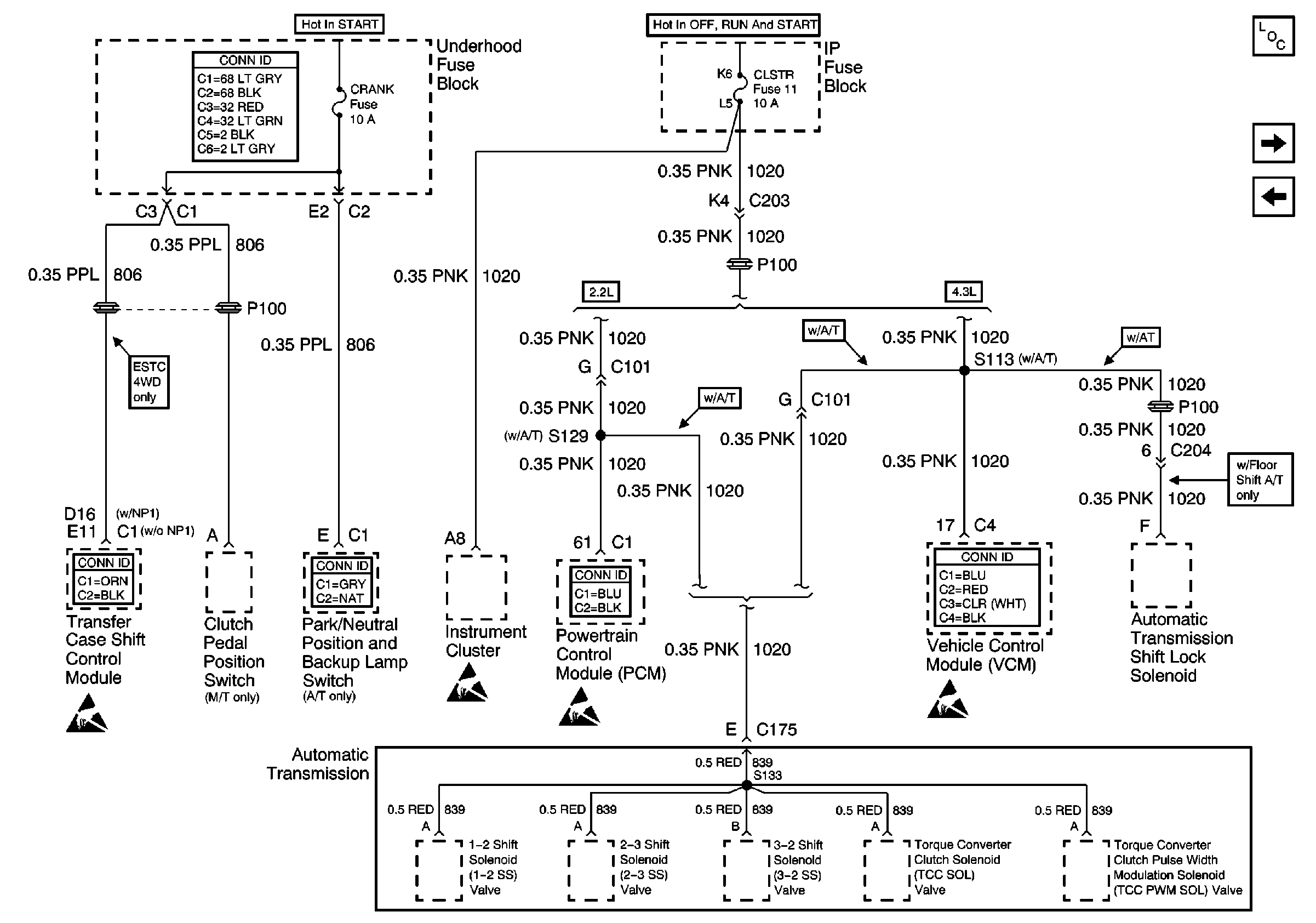
BTSI Fuse Power (Automatic Transmission)
IGN E Fuse and A/C Compressor, Rear Defogger, DRL Relays
Ign RUN and START Bus Bar
Power and Grounding Connector End Views
BTSI Fuse Power (Automatic Transmission)
Shift Lock Control Connector End Views
Figure 24:

BTSI Fuse Power (Automatic Transmission)


Object Number: 547045  Size: FS
Power and Grounding Components
ENG I and OXYSEN Fuses
B/U LP, TRL B/U and BTSI Fuses (Automatic Transmission)
B/U LP, TRL B/U and BTSI Fuses (Automatic Transmission)
Handling ESD Sensitive Parts Notice
Handling ESD Sensitive Parts Notice
Figure 25:

ENG I and OXYSEN Fuses


Object Number: 547046  Size: FS
Power and Grounding Components
ECM I Fuse
BTSI Fuse Power (Automatic Transmission)
Ign RUN and START Bus Bar
Power and Grounding Connector End Views
Figure 26:

ECM I Fuse


Object Number: 547047  Size: FS
Power and Grounding Components
Power Seats, Power Windows Circuit Breakers and RAP Relay
ENG I and OXYSEN Fuses
Ign RUN and START Bus Bar
Power and Grounding Connector End Views
Handling ESD Sensitive Parts Notice
Engine Controls Connector End Views
Engine Controls Connector End Views
Handling ESD Sensitive Parts Notice
Engine Controls Connector End Views
Handling ESD Sensitive Parts Notice
Figure 27:

Power Seats, Power Windows Circuit Breakers and RAP Relay


Object Number: 547048  Size: FS
Power and Grounding Components
RDO IGN and STR WHL RDO IGN Fuses
ECM I Fuse
Ign ACC, RUN and RAP Bus Bar
Power Seat Connector End Views
Handling ESD Sensitive Parts Notice
Power Door Systems Connector End Views
Handling ESD Sensitive Parts Notice
Power Door Systems Connector End Views
Power Roof Systems Connector End Views
Handling ESD Sensitive Parts Notice
Figure 28:

RDO IGN and STR WHL RDO IGN Fuses


Object Number: 547049  Size: FS
Power and Grounding Components
RR WPR, FRT WPR and ABS Fuses
Power Seats, Power Windows Circuit Breakers and RAP Relay
Ign ACC, RUN and RAP Bus Bar
Entertainment Connector End Views
Handling ESD Sensitive Parts Notice
Handling ESD Sensitive Parts Notice
Driver Information Systems Connector End Views
Handling ESD Sensitive Parts Notice
Figure 29:

RR WPR, FRT WPR and ABS Fuses


Object Number: 547050  Size: FS
Power and Grounding Components
HVAC I Fuse
RDO IGN and STR WHL RDO IGN Fuses
Ign ACC, RUN and RAP Bus Bar
Ign ACC, RUN and RAP Bus Bar
Power and Grounding Connector End Views
Antilock Brake System Connector End Views
Handling ESD Sensitive Parts Notice
Figure 30:

HVAC I Fuse


Object Number: 547051  Size: FS
Power and Grounding Components
4WD Fuse (4.3L)
RR WPR, FRT WPR and ABS Fuses
Ign ACC, RUN and RAP Bus Bar
HVAC Connector End Views
Handling ESD Sensitive Parts Notice
Figure 31:

4WD Fuse (4.3L)


Object Number: 547053  Size: FS
Power and Grounding Components
HVAC and CRUISE Fuses
HVAC I Fuse
Ign ACC, RUN and RAP Bus Bar
Engine Controls Connector End Views
Handling ESD Sensitive Parts Notice
Handling ESD Sensitive Parts Notice
Transfer Case Control Connector End Views
Handling ESD Sensitive Parts Notice
Transfer Case Control Connector End Views
Handling ESD Sensitive Parts Notice
Handling ESD Sensitive Parts Notice
Figure 32:

HVAC and CRUISE Fuses


Object Number: 547055  Size: FS
Power and Grounding Components
VECHMSL, TRCHMSL Fuses and CHMSL Relay
4WD Fuse (4.3L)
Ign ACC, RUN and RAP Bus Bar
HVAC Connector End Views
HVAC Connector End Views
Body Control System Connector End Views
Handling ESD Sensitive Parts Notice
Handling ESD Sensitive Parts Notice
Figure 33:

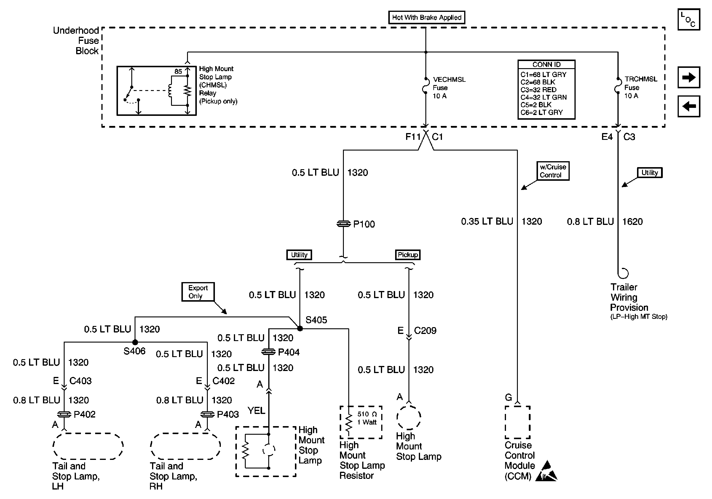
VECHMSL, TRCHMSL Fuses and CHMSL Relay


Object Number: 547056  Size: FS
Power and Grounding Components
RT TURN, RT TRN and TRR TRN Fuses
HVAC and CRUISE Fuses
Stop, Turn and Hazard Bus Bar
Power and Grounding Connector End Views
Handling ESD Sensitive Parts Notice
Figure 34:

RT TURN, RT TRN and TRR TRN Fuses


Object Number: 547057  Size: FS
Power and Grounding Components
LT TURN, LT TRN and TRL TRN Fuses
VECHMSL, TRCHMSL Fuses and CHMSL Relay
Stop, Turn and Hazard Bus Bar
Power and Grounding Connector End Views
Figure 35:

LT TURN, LT TRN and TRL TRN Fuses


Object Number: 547058  Size: FS
Power and Grounding Components
RT TURN, RT TRN and TRR TRN Fuses
Stop, Turn and Hazard Bus Bar
Power and Grounding Connector End Views