GM Service Manual Online
For 1990-2009 cars only
Makes
🢒
Chevrolet
🢒
2000
🢒
Blazer - 4WD
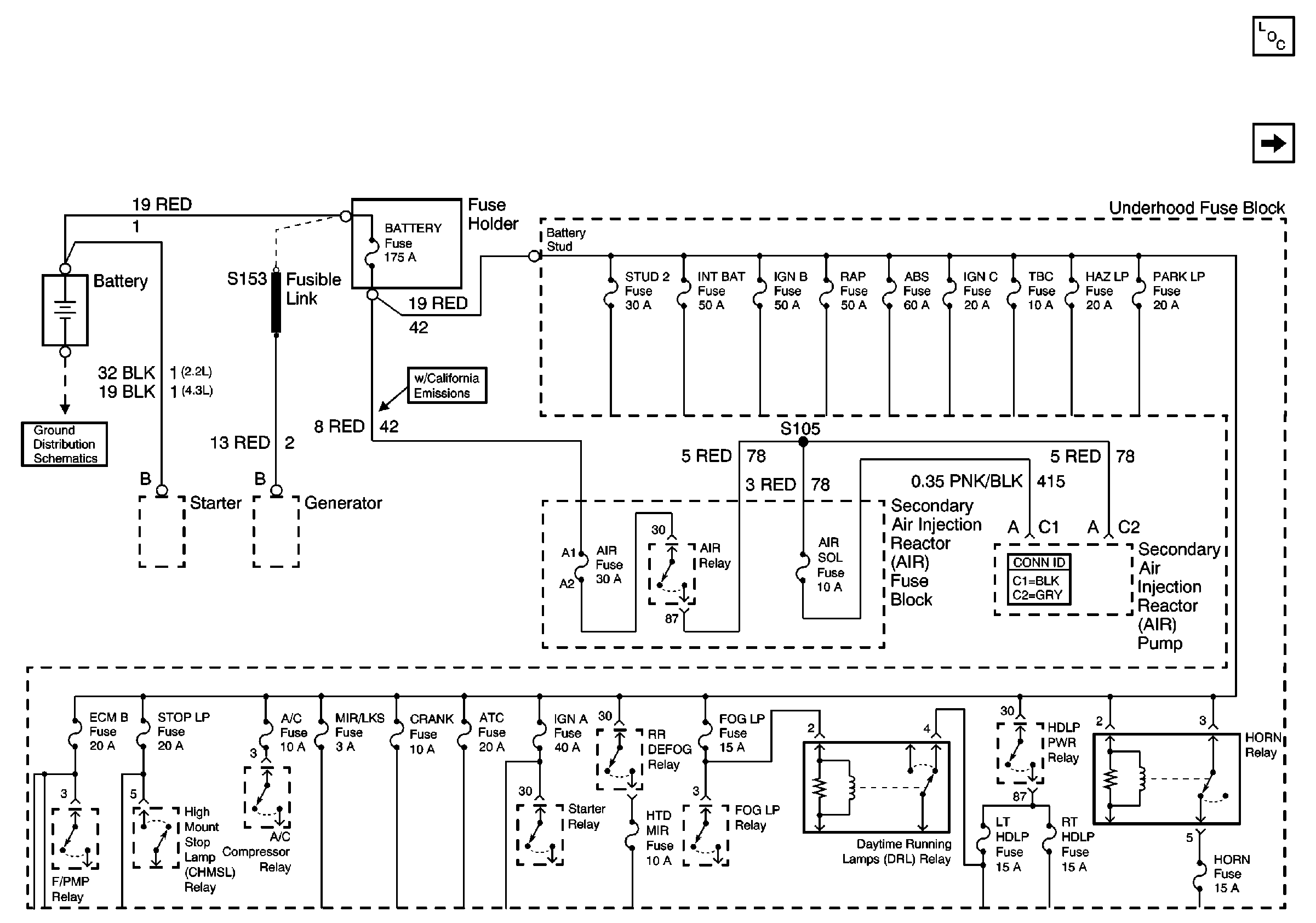
🢒 B+ Bus Bar
B+ Bus Bar
B+ Bus Bar
Power and Grounding Components
IGN C, IGN A Fuses and Ignition and Start Switch
G100, G101, G106, G107, G108 and G110
Engine Controls Connector End Views