GM Service Manual Online
For 1990-2009 cars only

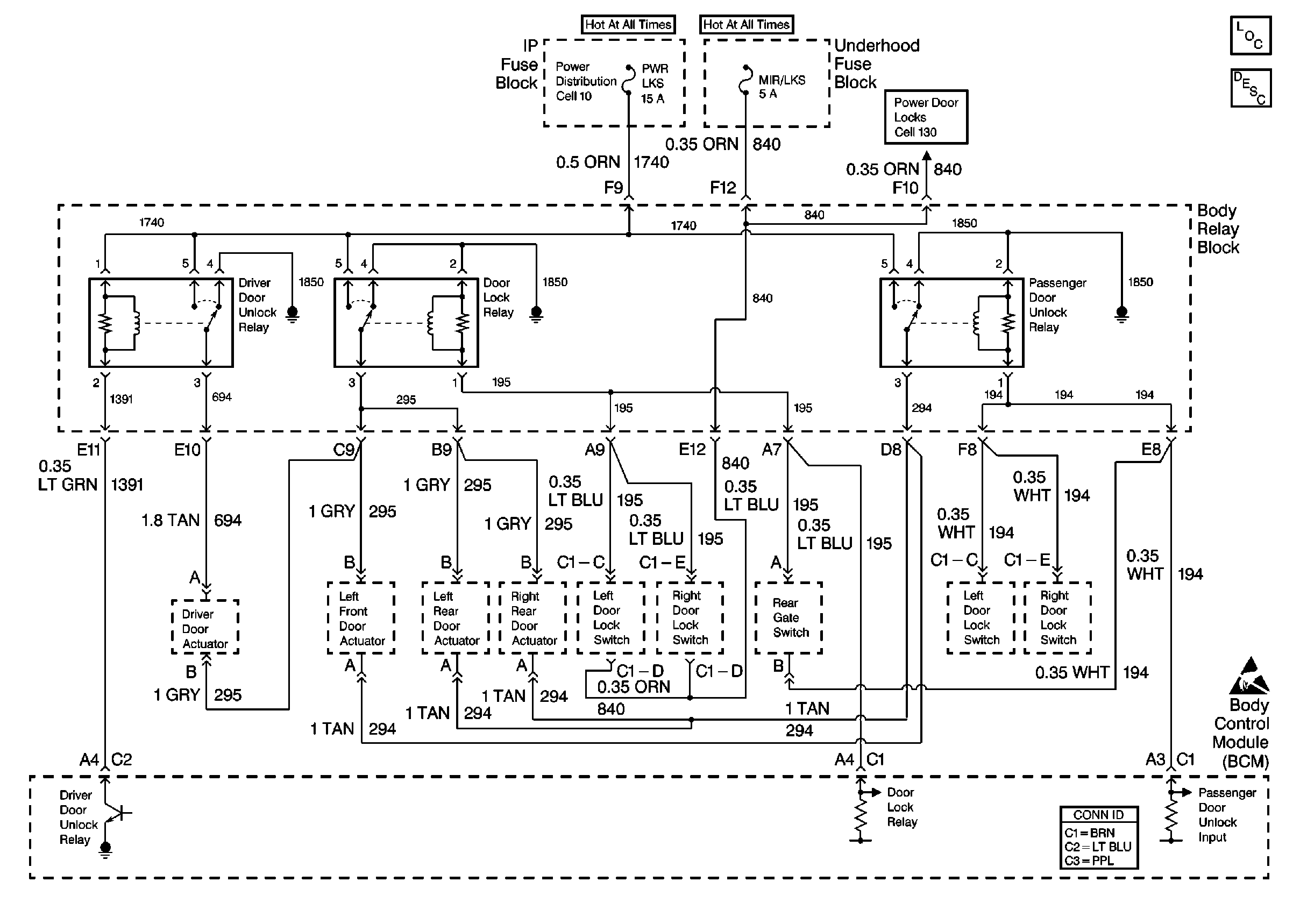
Refer to

Cell 51: Power Door Locks


Object Number: 397055  Size: FS
in Body Control Module Schematics for wiring diagrams.

Circuit Description

The body control module (BCM) monitors and supplies an output voltage on CKT 194. When the BCM receives an unlock signal from the remote control door lock receiver to unlock the doors, the BCM supplies voltage to the lock relay and unlocks the passenger door. The BCM will set DTC B3147 as a current code if the following conditions exist:

    • CKT 194 is shorted to ground.
    • BCM receives an unlock command from the remote control door lock receiver

Conditions for Setting the DTC

    • The BCM receives an unlock signal to unlock the passenger door from the remote control door lock receiver module and CKT 194 is shorted to ground.
        If the BCM commands the door to unlock and CKT 194 is shorted to ground.
    • The system voltage is between 9.0-16.0 volts.
    • The above conditions exist for 184 seconds.

Action Taken When the DTC Sets

    • The unlock system will not unlock the passenger door from the key fob.
    • The door lock switches will not lock or unlock the doors.

Conditions for Clearing the MIL/DTC

    • A current DTC will clear after the next door unlock cycle that does not contain a fault.
    • A history DTC will clear after 100 consecutive ignition cycles without a fault present.
    • History and current DTCs may be cleared using a scan tool.

Diagnostic Aids

    • Always diagnose the first DTC that is listed on the scan tool.
    • Verify that the scan tool displays DTC B3147 as a current code before you perform diagnostics.
    • Inspect for loose or poor connections at all of the related components.
    • Refer to Intermittents and Poor Connections Diagnosis in Wiring Systems.

Test Description

The numbers below refer to the step numbers on the diagnostic table.

  1. This step determines if the UNLOCK relay is shorted.

  2. This step determines if the left front door lock switch is shorted to ground.

  3. This step determines if the right front door lock switch is shorted to ground.

  4. This step determines if CKT 194 is shorted to ground.

Step

Action

Value(s)

Yes

No

1

Did you perform the BCM Diagnostic System Check?

--

Go to Step 2

Go to Diagnostic System Check - Body Control System

2

  1. Turn the ignition switch to the OFF position.
  2. Remove the passenger door UNLOCK relay from the body relay block.
  3. Use a scan tool in order to monitor the current DTCs.
  4. Press the UNLOCK button on the key fob two times.

Does the scan tool display DTC B3147 as a current code?

--

Go to Step 3

Go to Step 9

3

  1. Disconnect the left front door switch.
  2. Use a scan tool in order to monitor the current DTCs.
  3. Press the UNLOCK button on the key fob two times.

Does the scan tool display DTC B3147 as a current code?

--

Go to Step 4

Go to Step 7

4

  1. Disconnect the right front door lock switch.
  2. Use a scan tool in order to monitor the DTCs.
  3. Press the UNLOCK button on the key fob two times.

Does the scan tool display DTC B3147 as a current code?

--

Go to Step 5

Go to Step 8

5

  1. Disconnect the BCM connector C1. Remove the comb from the connector.
  2. Connect a test lamp to a good power source.
  3. Backprobe the BCM connector between CKT 194 (WHT) cavity A3 and ground.

Does the test lamp light?

--

Go to Step 6

Go to Step 10

6

  1. Locate and repair the short to ground in CKT 194 (WHT) between the BCM and the one of the following components:
  2. • The passenger door UNLOCK relay
    • The left front and right front door lock switches
    • The rear gate switch
  3. Replace the blown MIR/LKS fuse (located in the underhood fuse block).

Is the repair complete?

--

Go to Step 11

--

7

  1. Replace the left front door lock switch.
  2. Replace the blown MIR/LKS fuse (located in the underhood fuse block).

Is the repair complete?

--

Go to Step 11

--

8

  1. Replace the RT door lock switch.
  2. Replace the blown MIR/LKS fuse (located in the underhood fuse block).

Is the repair complete?

--

Go to Step 11

--

9

  1. Replace the passenger door UNLOCK relay.
  2. Replace the blown MIR/LKS fuse (located in the underhood fuse block).

Is the repair complete?

--

Go to Step 11

--

10

  1. Replace the BCM.
  2. Replace the blown MIR/LKS fuse (located in the underhood fuse block).
  3. Program the correct calibrations into the BCM.
  4. Perform the learn procedure.

Is the repair complete?

--

Go to Step 11

--

11

  1. Reconnect all of the connectors.
  2. Clear the DTCs.

Is the repair complete?

--

Go to Diagnostic System Check - Body Control System

--