GM Service Manual Online
For 1990-2009 cars only
Makes
🢒
Chevrolet
🢒
2000
🢒
Blazer - 4WD - RHD
🢒
Body and Accessories
🢒
Doors
🢒 Outside Rearview Mirror Schematics
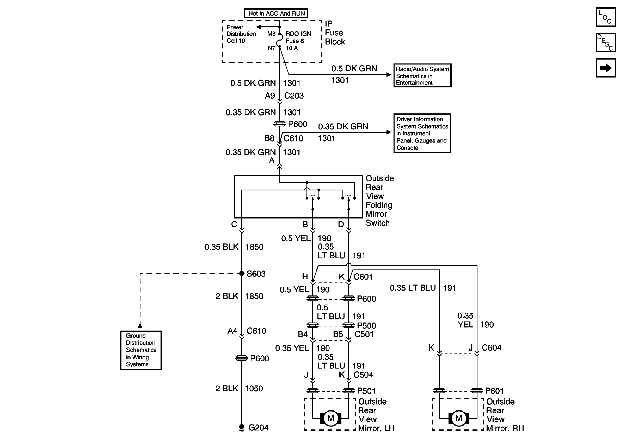
Figure
1:
Power and Ground
Power Door Systems Components
Outside Mirrors Circuit Description
Heated Mirrors
Ign START, RUN and ACC Bus Bar
Radio/Audio System Schematics
Driver Information System
G202 and G204
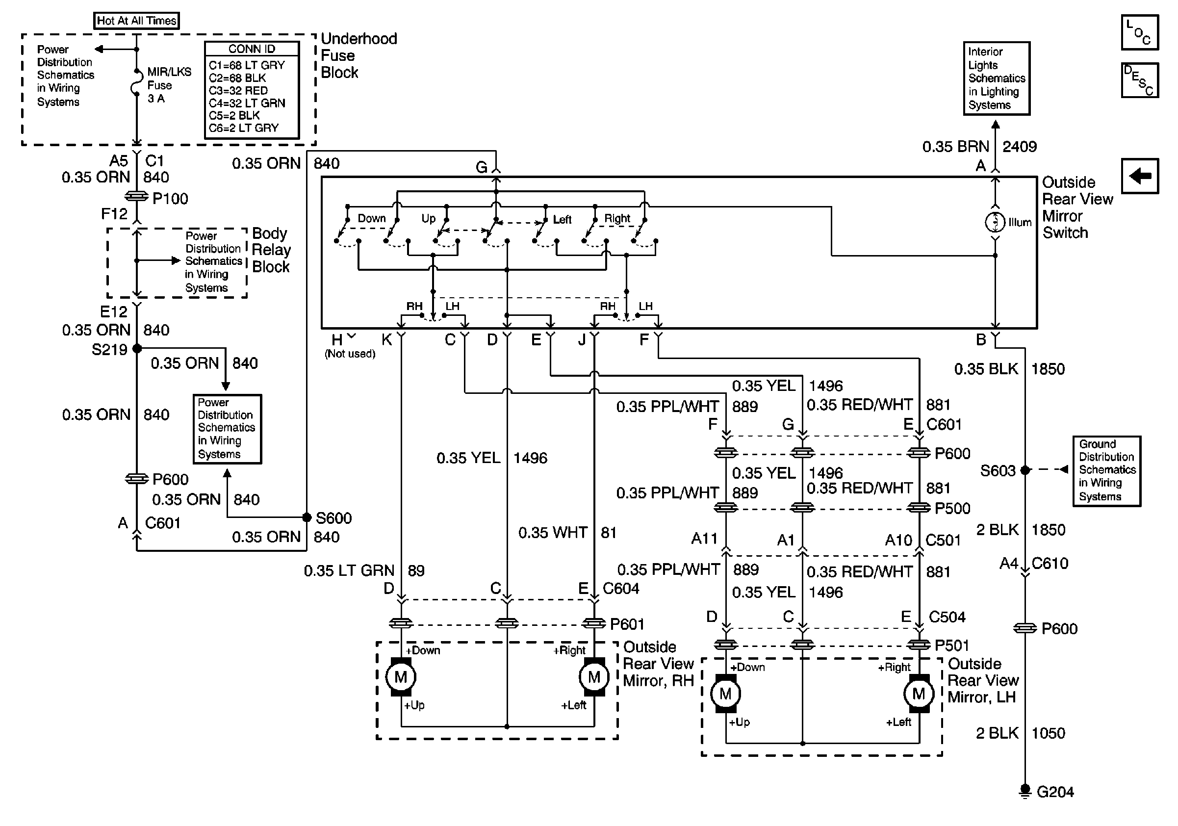
Figure
2:
Heated Mirrors
Power Door Systems Components
Heated Mirror Circuit Description
Outside Rear View Mirror Controls
Power and Ground
Ign RUN and START Bus Bar
4WD and HVAC I Fuses
Ign START, RUN and ACC Bus Bar
Ign START, RUN and ACC Bus Bar
Power and Grounding Connector End Views
Handling ESD Sensitive Parts Notice
G200 and G201
SP203
G200 and G201
G202 and G204
Figure
3:
Outside Rear View Mirror Controls
Power Door Systems Components
Outside Mirrors Circuit Description
Heated Mirrors
Power and Grounding Connector End Views
IGN E, GAUGES, and SIR Fuses
IGN E, GAUGES, and SIR Fuses
IGN E, GAUGES, and SIR Fuses
Power and Ground
G202 and G204