GM Service Manual Online
For 1990-2009 cars only
Makes
🢒
Chevrolet
🢒
2000
🢒
Blazer - 4WD - RHD
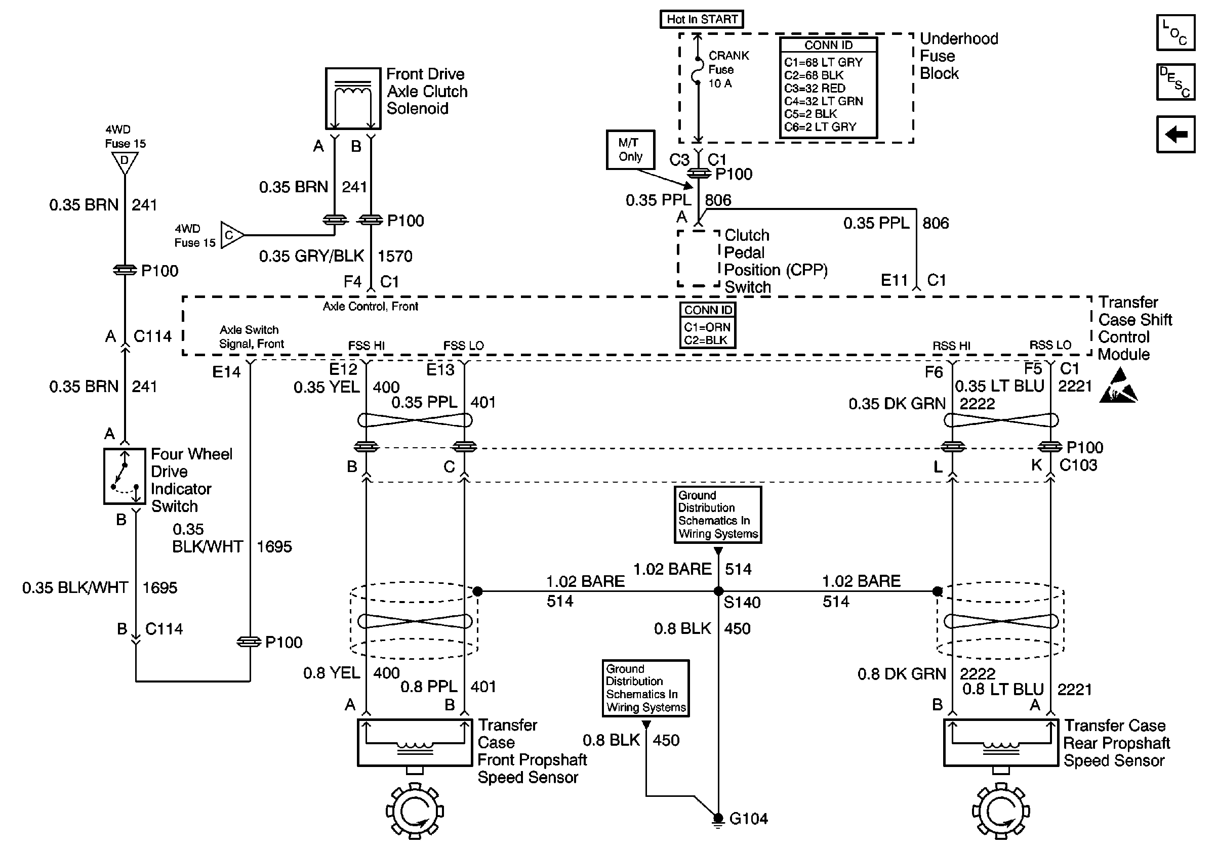
🢒 Front Drive Axle Clutch Solenoid, 4WD Indicator Switch and Speed Sensors
Front Drive Axle Clutch Solenoid, 4WD Indicator Switch and Speed Sensors
Front Drive Axle Clutch Solenoid, 4WD Indicator Switch and Speed Sensors
Transfer Case Control Components
Transfer Case Circuit Description
Transfer Case Shift Control Switch and Shift Control Module
Power, Transfer Case Shift Control Module, and Encoder Motor
Power, Transfer Case Shift Control Module, and Encoder Motor
Power and Grounding Connector End Views
Transfer Case Control Connector End Views
Handling ESD Sensitive Parts Notice
G104, G106, G107, G108 and G118
G104, G106, G107, G108 and G118