GM Service Manual Online
For 1990-2009 cars only
Makes
🢒
Chevrolet
🢒
2001
🢒
Blazer - 4WD - RHD
🢒
Body and Accessories
🢒
Wipers/Washer Systems
🢒 Wiper/Washer Schematics
Figure
1:
Pulse Wipers
Master Electrical Component List
Wiper/Washer System Description and Operation
Rear Wipers
Ign START, RUN and ACC Bus Bar
G102
G102
G117
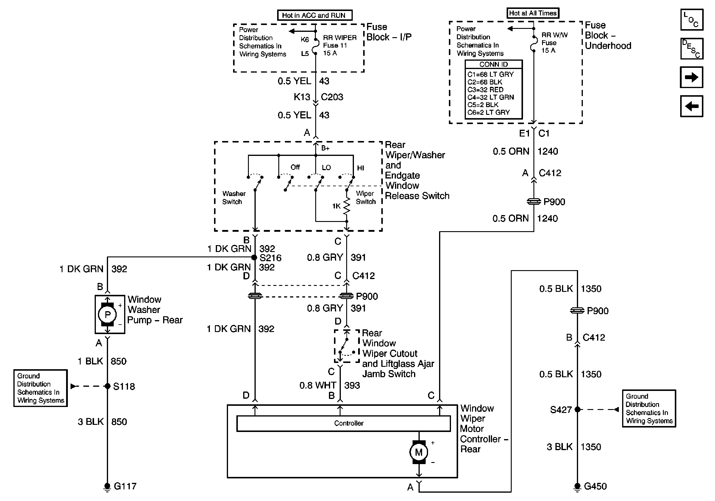
Figure
2:
Rear Wipers
Master Electrical Component List
Rear Wiper/Washer System Description and Operation
Headlamp Washers
Pulse Wipers
Ign START, RUN and ACC Bus Bar
B+ Bus Bar
G117
G450
Figure
3:
Headlamp Washers
Master Electrical Component List
Headlamp Washer System Description and Operation
Rear Wipers
B+ Bus Bar
Power, Flash To Pass, and BCM
MIR/LKS, LH HDLP and RH HDLP Fuses
G111 and G112