GM Service Manual Online
For 1990-2009 cars only
Figure 1:

Power and Ground


Object Number: 680651  Size: FS
Master Electrical Component List
Body Control System Description and Operation
VCM and Data Link Connector (DLC)
B+ Bus Bar
Ign START, RUN and ACC Bus Bar
Ign RUN and START Bus Bar
Power
RDO IGN, FRT WPR, RR WIPER, ABS and CRUISE Fuses
G200 and G201
G203 and G205
Figure 2:

VCM and Data Link Connector (DLC)


Object Number: 680652  Size: FS
Master Electrical Component List
Body Control System Description and Operation
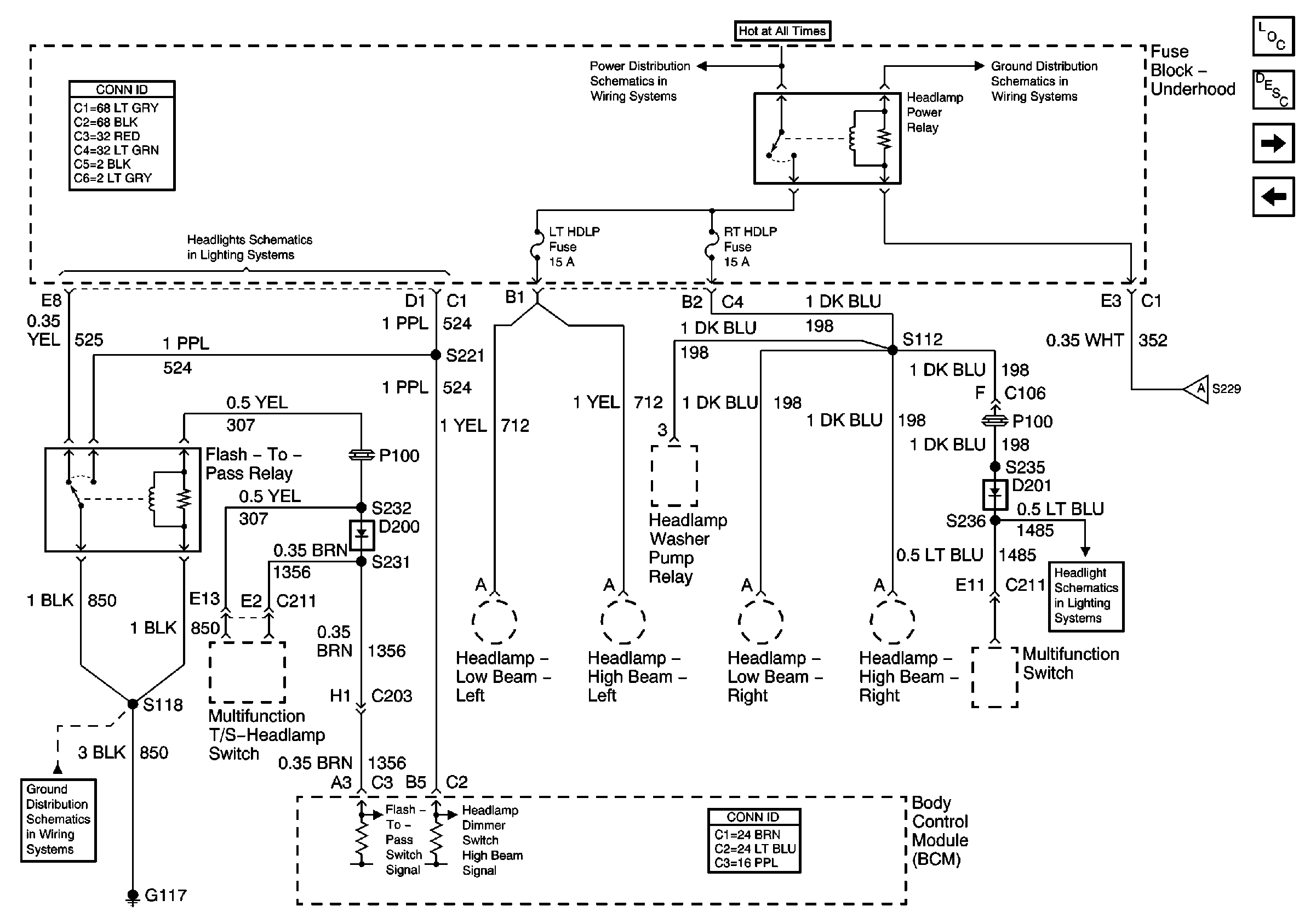
Headlamp Power and Flash-to-Pass Relays
Power and Ground
Splice Pack SP201 and Modules
Figure 3:

Headlamp Power and Flash-to-Pass Relays


Object Number: 680653  Size: FS
Master Electrical Component List
Body Control System Description and Operation
Instrument Panel Cluster (IPC), LT TURN and RT TURN Fuses
VCM and Data Link Connector (DLC)
Power, Flash To Pass, and BCM
MIR/LKS, LH HDLP and RH HDLP Fuses
G102
Headlights
Power, Headlamp Switch, and Multifunction Switch
G117
Figure 4:

Instrument Panel Cluster (IPC), LT TURN and RT TURN Fuses


Object Number: 680654  Size: FS
Master Electrical Component List
Body Control System Description and Operation
Rear Jamb Switches, Door Handle Switch and Ignition Key Alarm Switch
Headlamp Power and Flash-to-Pass Relays
Hazard Switch, TURN, and HAZ LP Fuses
SP203
Turn Signal Switch, RH TURN, RH REAR TURN, and TRL TURN Fuses
Figure 5:

Rear Jamb Switches, Door Handle Switch and Ignition Key Alarm Switch


Object Number: 680655  Size: FS
Master Electrical Component List
Body Control System Description and Operation
Front Jamb Switch and Door Handle Switches
Instrument Panel Cluster (IPC), LT TURN and RT TURN Fuses
G200 and G201
G450
G200 and G201
G203 and G205
Figure 6:

Front Jamb Switch and Door Handle Switches


Object Number: 680656  Size: FS
Master Electrical Component List
Body Control System Description and Operation
PCM/VCM, Ambient Light Sensor and Seat Belt Switch
Rear Jamb Switches, Door Handle Switch and Ignition Key Alarm Switch
Cigar Lighter/Auxiliary Outlets Schematics
SP203
G200 and G201
G200 and G201
G202 and G204
Figure 7:

PCM/VCM, Ambient Light Sensor and Seat Belt Switch


Object Number: 680657  Size: FS
Master Electrical Component List
Body Control System Description and Operation
Passlock ™ Sensor, Liftglass Relay and RAP Relay
Front Jamb Switch and Door Handle Switches
G450
Figure 8:

Passlockā„¢ Sensor, Liftglass Relay and RAP Relay


Object Number: 680659  Size: FS
Master Electrical Component List
Body Control System Description and Operation
Horns
PCM/VCM, Ambient Light Sensor and Seat Belt Switch
B+ Bus Bar
B+ Bus Bar
Ign START, RUN and ACC Bus Bar
MIR/LKS, LH HDLP and RH HDLP Fuses
Ign START, RUN and ACC Bus Bar
G200 and G201
Figure 9:

Horns


Object Number: 680660  Size: FS
Master Electrical Component List
Body Control System Description and Operation
Interior Lamps
Passlock ™ Sensor, Liftglass Relay and RAP Relay
HDLP W/W, IGN C, TBC, LDLEV, and HORN Fuses
G111 and G112
G111 and G112
G111 and G112
G111 and G112
Figure 10:

Interior Lamps


Object Number: 680662  Size: FS
Master Electrical Component List
Body Control System Description and Operation
Exterior Lights
Horns
ILLUM and PARK LP Fuses
SP203
CTSY LP Fuse and Body Control Module (BCM)
STUD 2, INT BAT, CIGAR LTR, CTSY LP and PWR LKS Fuses
CTSY LP Fuse and Body Control Module (BCM)
CTSY LP Fuse and Body Control Module (BCM)
G203 and G205
Figure 11:

Exterior Lights


Object Number: 680664  Size: FS
Master Electrical Component List
Body Control System Description and Operation
Headlights
Interior Lamps
B+ Bus Bar
PARK LP, FR PRK, LR PRK, RR PRK, and TRL PRK Fuses
Fog Lamp Relay, Front
ILLUM and PARK LP Fuses
PARK LP, FR PRK, LR PRK, RR PRK, and TRL PRK Fuses
ILLUM and PARK LP Fuses
Fog Lamp Relay, Front
ILLUM and PARK LP Fuses
Figure 12:

Headlights


Object Number: 680665  Size: FS
Master Electrical Component List
Body Control System Description and Operation
Power Locks
Exterior Lights
B+ Bus Bar
HDLP W/W, IGN C, TBC, LDLEV, and HORN Fuses
PARK LP, FR PRK, LR PRK, RR PRK, and TRL PRK Fuses
HDLP W/W, IGN C, TBC, LDLEV, and HORN Fuses
G203 and G205
G103 and G105
Headlamp Power and Flash-to-Pass Relays
Power and Headlamp Switch
G200 and G201
Figure 13:

Power Locks


Object Number: 680666  Size: FS
Master Electrical Component List
Body Control System Description and Operation
Front Fog Lights
Headlights
IP Fuse Block, Body Relay Block and BCM
IP Fuse Block, Body Relay Block and BCM
IP Fuse Block, Body Relay Block and BCM
IP Fuse Block, Body Relay Block and BCM
IP Fuse Block, Body Relay Block and BCM
G203 and G205
STUD 2, INT BAT, CIGAR LTR, CTSY LP and PWR LKS Fuses
G203 and G205
Figure 14:

Front Fog Lights


Object Number: 680668  Size: FS
Master Electrical Component List
Body Control System Description and Operation
Rear Fog Lights
Power Locks
Fog Lamps - LF/RF, and Fog Lamp Switch - Front
SP203
G200 and G201
Fog Lamp Relay, Front
Figure 15:

Rear Fog Lights


Object Number: 680669  Size: FS
Master Electrical Component List
Body Control System Description and Operation
Front Fog Lights
Fog Lamps - LR/RR, and Fog Lamp Switch - Rear
Body Control Module (BCM) and IP Dimmer Switch
G200 and G201
G200 and G201
A/C, ABS, ECM B, FOG LP, STOP LP, VECHMSL, and TRCHMSL Fuses