GM Service Manual Online
For 1990-2009 cars only
Makes
🢒
Chevrolet
🢒
1997
🢒
Camaro
🢒 Ignition Control, Knock Sensors
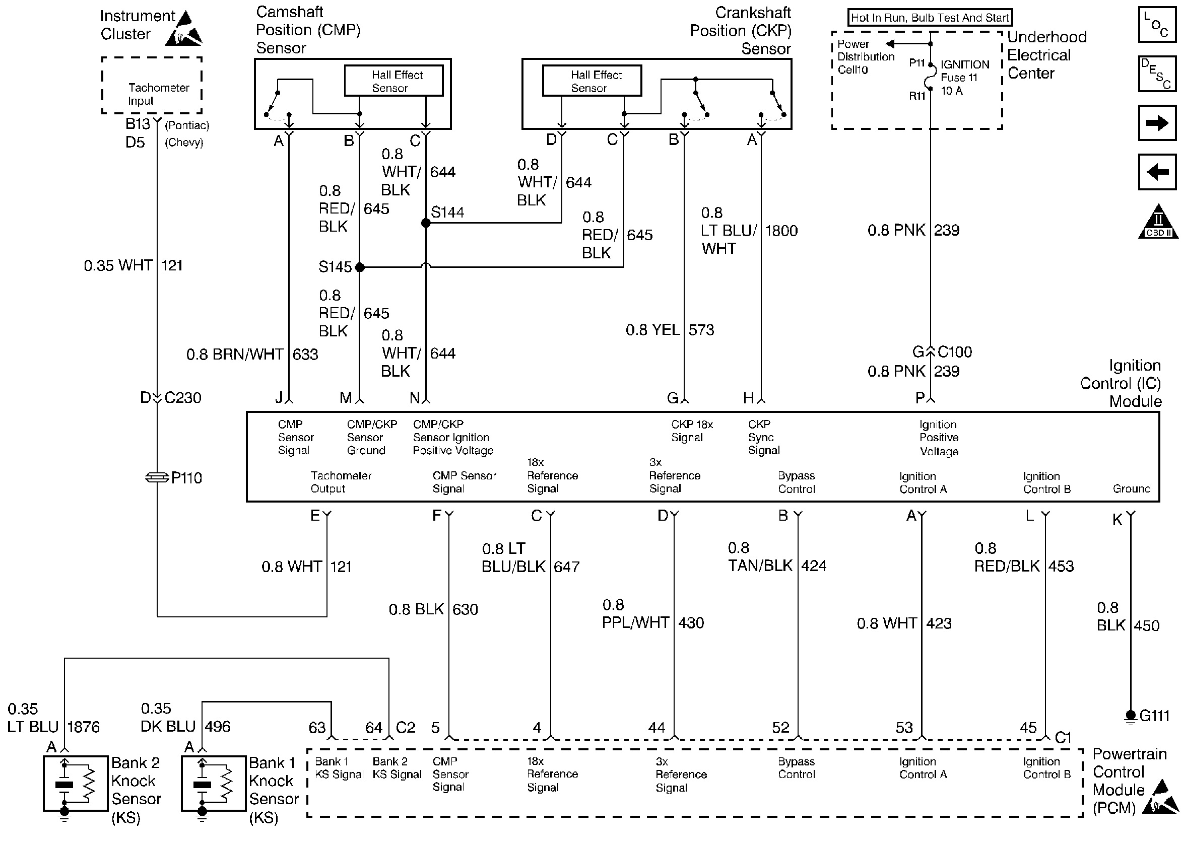
Ignition Control, Knock Sensors
Ignition Control, Knock Sensors
Engine Controls Components
Engine Cranks but Does Not Run
Fuel Injectors
Grounds, Serial Data, DLC
OBD II Symbol Description Notice
Handling ESD Sensitive Parts Notice
Handling ESD Sensitive Parts Notice