GM Service Manual Online
For 1990-2009 cars only

Fog Lights Schematics Japan

Chevrolet


Object Number: 513266  Size: FS
Lighting Systems Components
Fog Lights Circuit Description
Chevrolet
G400 Pontiac
G200 Splice S216
Interior Illumination Lamps 1 of 2
Chevrolet
G106
Chevrolet: Taillamps, License Lamp, Tail/Stop Lamps
TAIL LPS and STOP/HAZARD Fuses

Fog Lights Schematics Europe

Figure 1:

Chevrolet: Front Fog Lamps


Object Number: 513278  Size: FS
Lighting Systems Components
Fog Lights Circuit Description
Chevrolet: Rear Fog Lamps
G200 Splice S216
Interior Illumination Lamps 1 of 2
G106
G105
Chevrolet: Rear Fog Lamps
Chevrolet: Side Marker Lamp, Position Lamp, License Lamps, Tail/Stop/Turn Lamps
Chevrolet: Rear Fog Lamps
TAIL LPS and STOP/HAZARD Fuses
Figure 2:

Chevrolet: Rear Fog Lamps


Object Number: 513280  Size: FS
Lighting Systems Components
Fog Lights Circuit Description
Chevrolet: Front Fog Lamps
Interior Illumination Lamps 1 of 2
Ground Distribution Schematics
G400 Chevrolet
Chevrolet: Front Fog Lamps
Chevrolet
Chevrolet: Front Fog Lamps

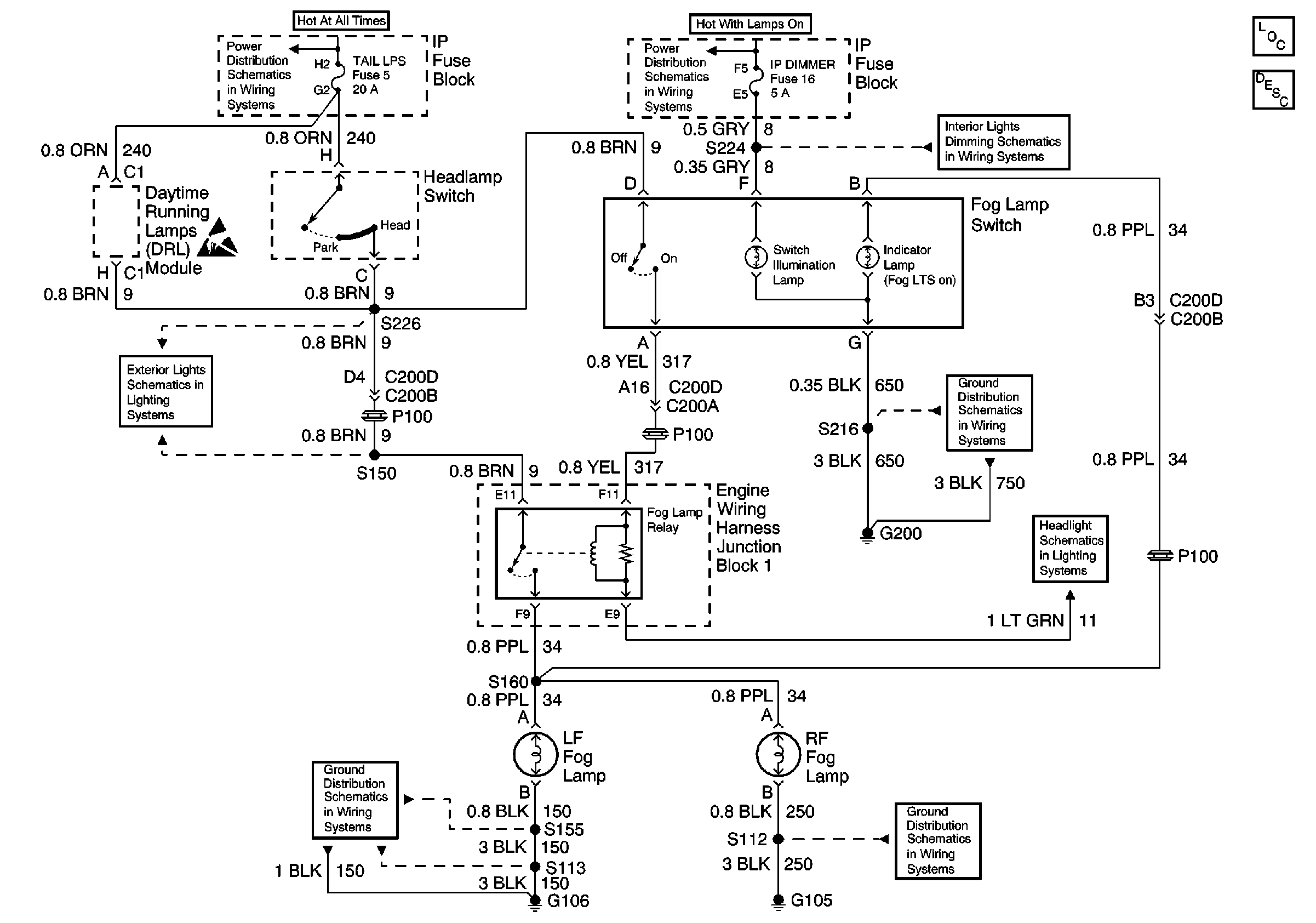
Fog Lights Schematics Chevrolet: Domestic and Gulf States

Fog Lamp Switch, Fog Lamps


Object Number: 513292  Size: FS
Lighting Systems Components
Fog Lights Circuit Description
DRL Module, High and Lowbeam Headlights
G105
G200 Splice S216
Interior Illumination Lamps 1 of 2
DRL Module, High and Lowbeam Headlights
G106
DRL Module, Side Marker Lamps, Park/Turn Lamps, Fog Lamp Relay
TAIL LPS and STOP/HAZARD Fuses

Fog Lights Schematics Pontiac

Fog Lamp Switch, Fog Lamps


Object Number: 513302  Size: FS
Lighting Systems Components
Fog Lights Circuit Description
Interior Illumination Lamps 1 of 2
G200 Splice S216
DRL Module, Headlamp Opening Door Assembly
G105
IP DIMMER and STG WHL CNTRL Fuses
G106
DRL Module, Side Marker Lamps, Park/Turn Lamps, Fog Lamp Relay
Handling ESD Sensitive Parts Notice
TAIL LPS and STOP/HAZARD Fuses