GM Service Manual Online
For 1990-2009 cars only
Makes
🢒
Chevrolet
🢒
2000
🢒
Camaro
🢒
Body and Accessories
🢒
Lighting Systems
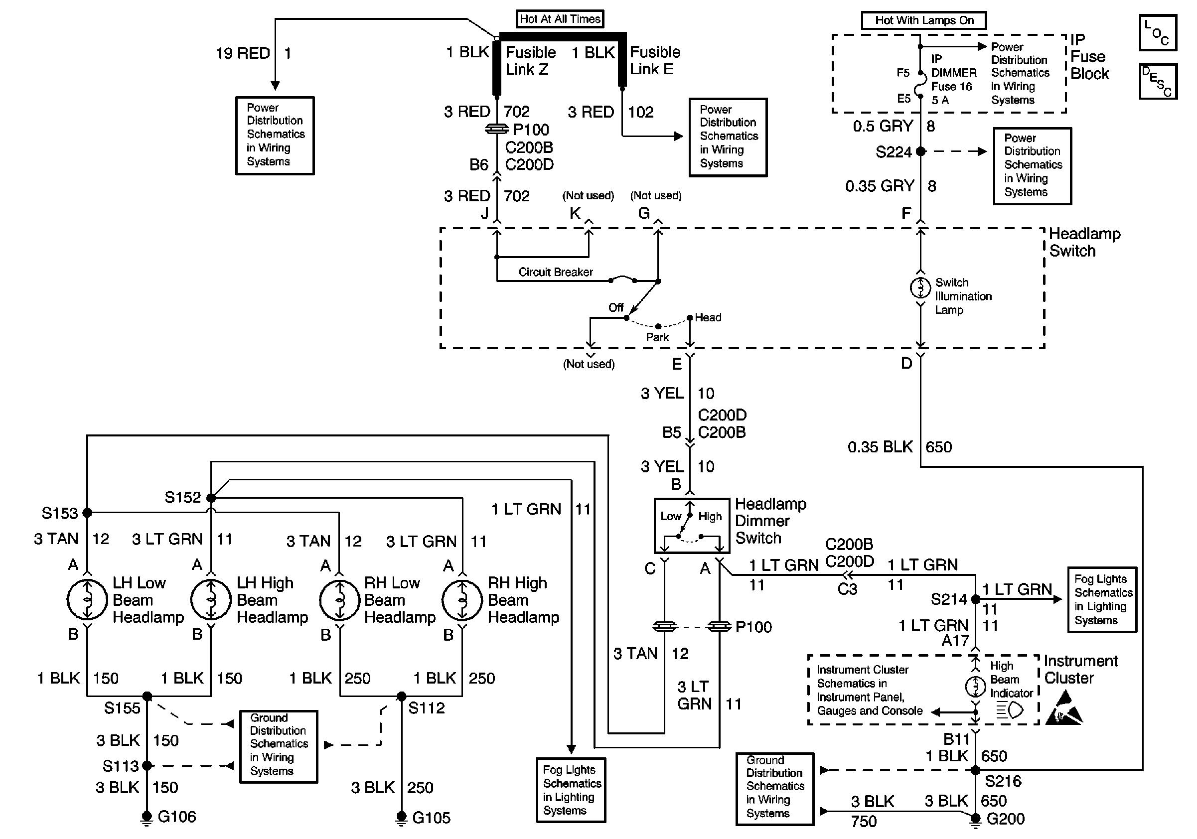
🢒 Headlights Schematics
Headlights Schematics Japan
Chevrolet
Lighting Systems Components
Headlights Circuit Description Europe and Japan
IP DIMMER and STG WHL CNTRL Fuses
IP DIMMER and STG WHL CNTRL Fuses
Chevrolet
Instrument Cluster Illumination and Indicators
G200 Splice S216
Chevrolet
Fusible Links, CIG/ACCY, ENG CTRL, IGN, I/P-1, I/P-2, and PWR ACCY Fuses
Ground Distribution Schematics
Fusible Links, CIG/ACCY, ENG CTRL, IGN, I/P-1, I/P-2, and PWR ACCY Fuses
Headlights Schematics Europe
Chevrolet
Lighting Systems Components
Headlights Circuit Description Europe and Japan
Interior Illumination Lamps 1 of 2
Interior Illumination Lamps 1 of 2
Fusible Links, CIG/ACCY, ENG CTRL, IGN, I/P-1, I/P-2, and PWR ACCY Fuses
Fusible Links, CIG/ACCY, ENG CTRL, IGN, I/P-1, I/P-2, and PWR ACCY Fuses
Chevrolet
Instrument Cluster Illumination and Indicators
G200 Splice S216
G105
G106