GM Service Manual Online
For 1990-2009 cars only
Makes
🢒
Chevrolet
🢒
2001
🢒
Camaro
🢒
Body and Accessories
🢒
Doors
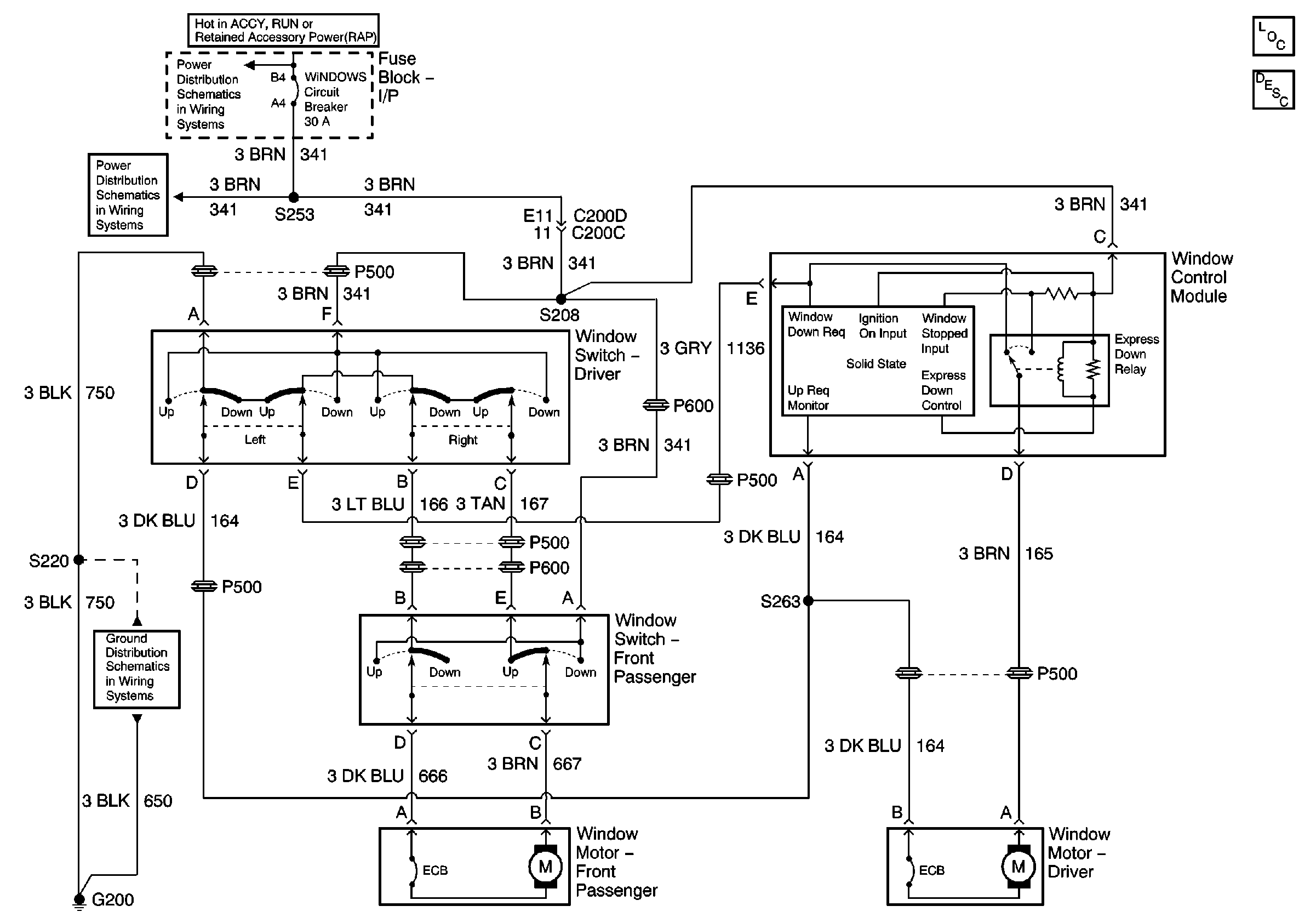
🢒 Power Window Schematics
Power Window Control Module and Window Switches
Master Electrical Component List
Power Windows Description and Operation
WINDOWS Circuit Breaker, RADIO, STG WHL CNTRL, and WIPER/WASH Fuses
WINDOWS Circuit Breaker, RADIO, STG WHL CNTRL, and WIPER/WASH Fuses
G200 Splice S216