GM Service Manual Online
For 1990-2009 cars only
Makes
🢒
Chevrolet
🢒
2007
🢒
Captiva
🢒 Temperature Sensors and Signals
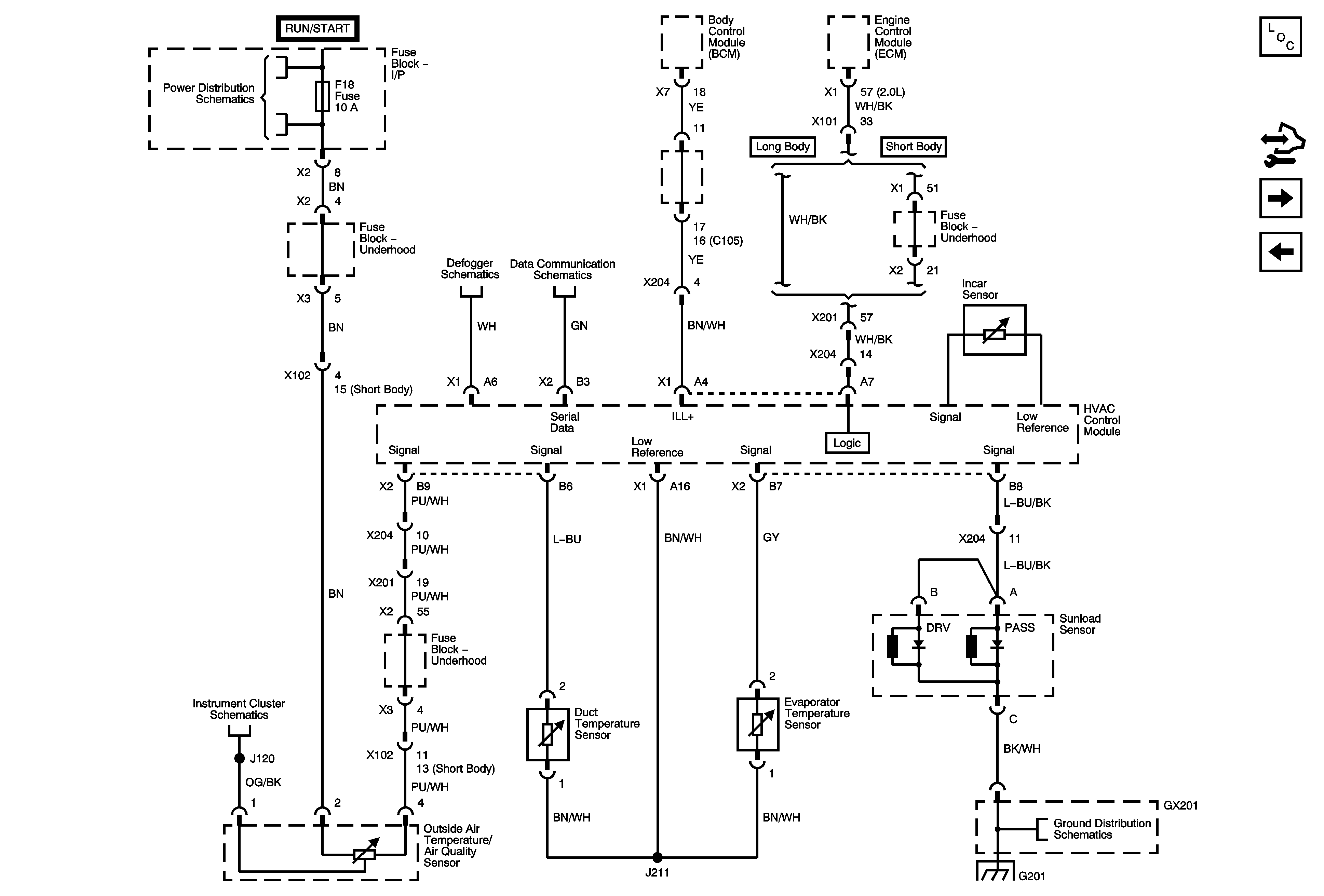
Temperature Sensors and Signals
Temperature Sensors and Signals
Master Electrical Component List
Control Module References
Compressor Controls
Blower, Mode, Temperature Controls
EF3, F1, 2, 10, 15, 18, 30, 33, 39 Fuses, Run, ACC/RAP Relays
Defogger Schematics
Data Link Connector (DLC)
Power, Ground, Gages
Ground Distribution G201
Ground Distribution G201