| Figure 1: |
Power, Ground, Antenna, Steering Wheel Controls
|
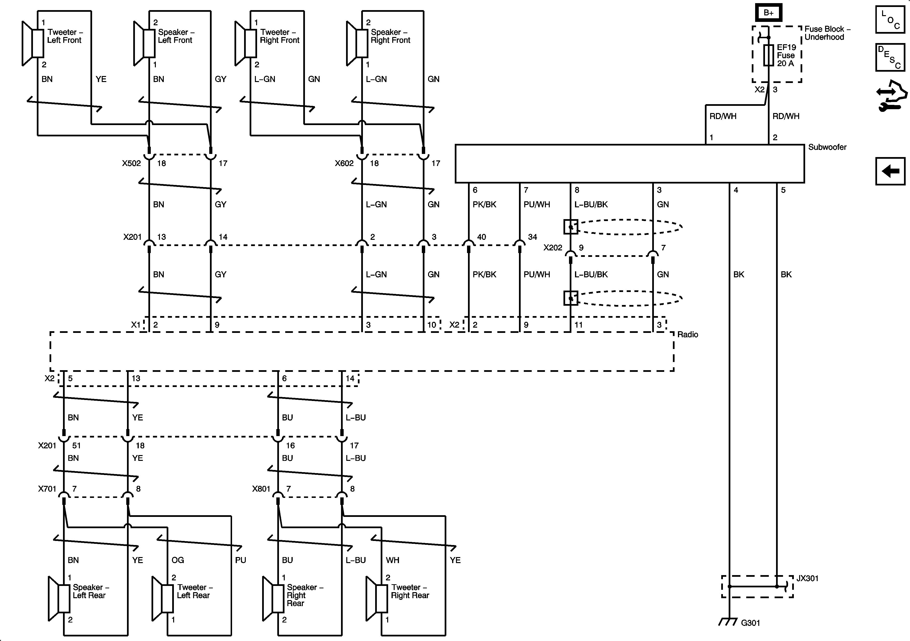
| Figure 2: |
Speakers, Subwoofer
|
| Figure 3: |
|
| Figure 4: |
|
| Figure 1: |
Entertainment Schematics - Short Body (1 of 2)
|
| Figure 2: |
Entertainment Schematics - Short Body (2 of 2)
|