| Figure 1: |
Engine Control Module (ECM) Power, Ground, Serial Data and MIL
|
| Figure 2: |
Engine Data Sensors 5 Volt and Low Reference
|
| Figure 3: |
Engine Data Sensors Pressure, Temperature and MAF/IAT
|
| Figure 4: |
Heated Oxygen Sensors (HO2S)
|
| Figure 5: |
Engine Data Sensors APP and TAC
|
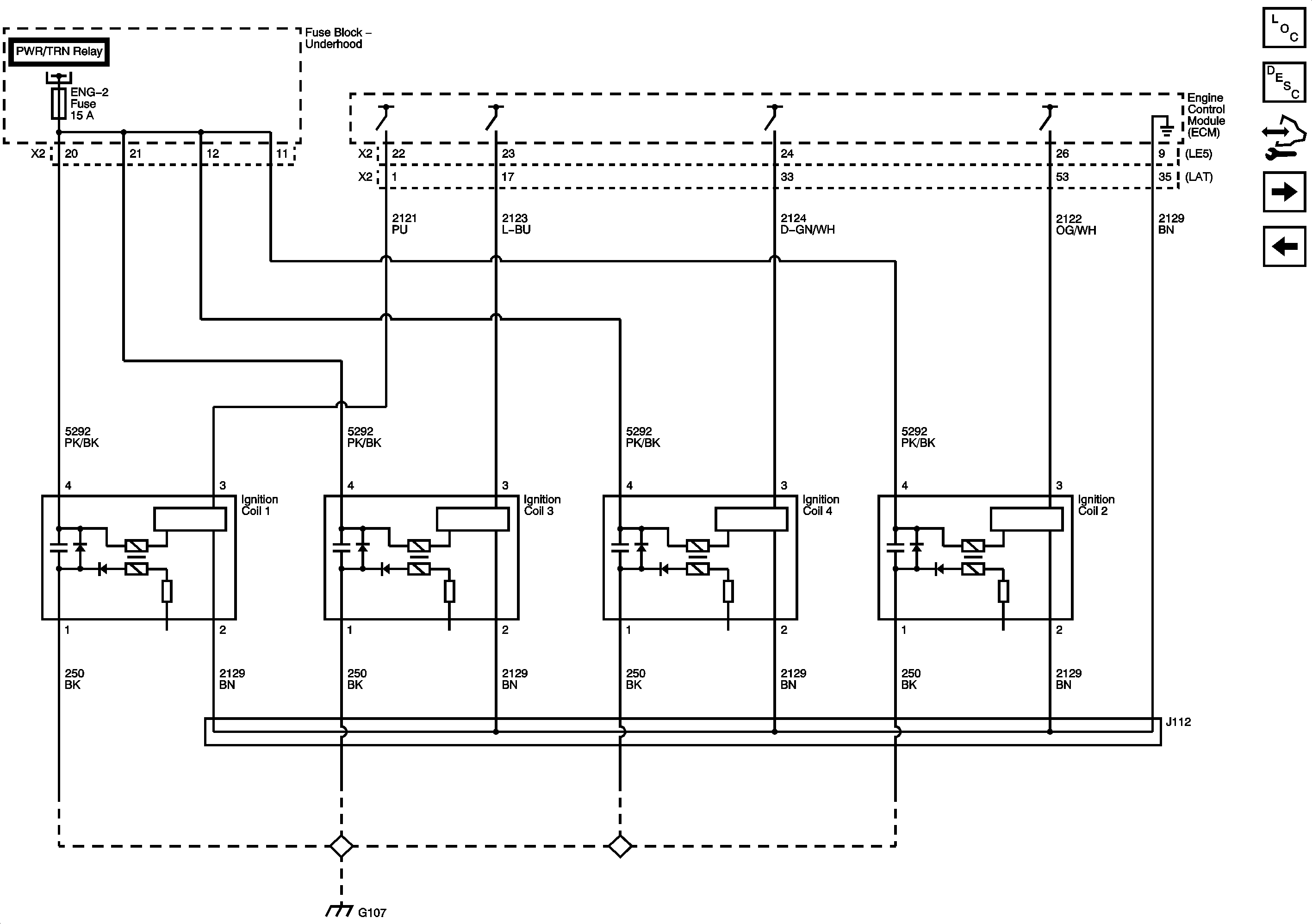
| Figure 6: |
Ignition Controls
|
| Figure 7: |
Ignition Controls Camshaft (CMP), Crankshaft (CKP) and Knock (KS) Sensors
|
| Figure 8: |
Fuel Controls-Fuel Injectors
|
| Figure 9: |
Fuel Pump Control Module
|
| Figure 10: |
Evaporative Emissions (EVAP) Controls
|
| Figure 11: |
Controlled/Monitored Subsystem References
|