GM Service Manual Online
For 1990-2009 cars only
Figure 1:

G101


Object Number: 1877500  Size: FS
Master Electrical Component List
Control Module References
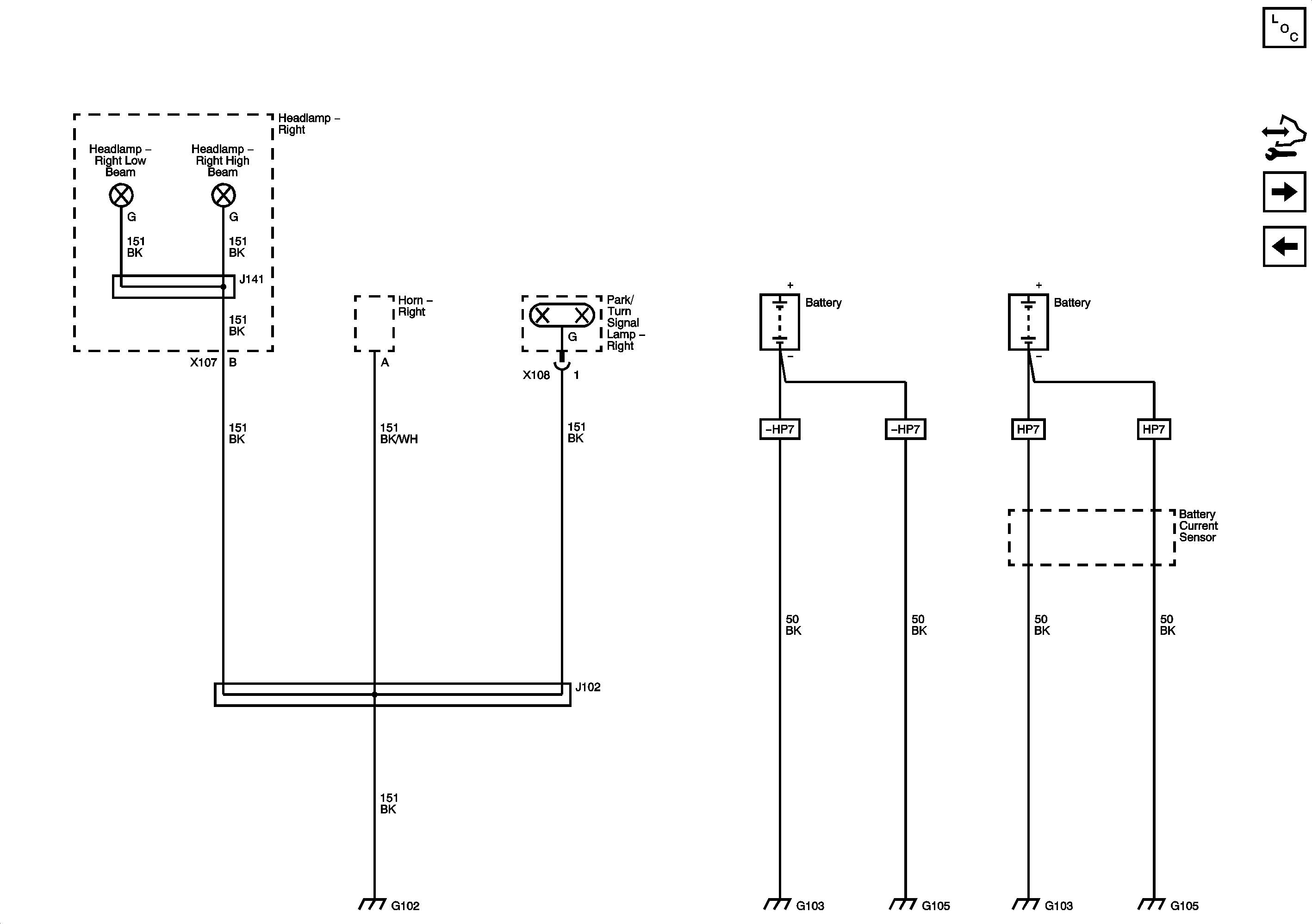
G102, G103 and G105
Figure 2:

G102, G103 and G105


Object Number: 1877501  Size: FS
Master Electrical Component List
Control Module References
G106 (LAT/LE5)
G101
Figure 3:

G106 (LAT and LE5)


Object Number: 1877504  Size: FS
Master Electrical Component List
Control Module References
G106 (LY7/LZ4)
G102, G103 and G105
Figure 4:

G106 (LY7 and LZ4)


Object Number: 1877507  Size: FS
Master Electrical Component List
Control Module References
G107 and G108
G106 (LAT/LE5)
Figure 5:

G107 and G108


Object Number: 1877508  Size: FS
Master Electrical Component List
Control Module References
G201
G106 (LY7/LZ4)
Figure 6:

G201


Object Number: 1877512  Size: FS
Master Electrical Component List
Control Module References
G202 and G203
G107 and G108
Figure 7:

G202 and G203


Object Number: 1877514  Size: FS
Master Electrical Component List
Control Module References
G204, G205 and G302
G201
Figure 8:

G204, G205 and G302


Object Number: 1877515  Size: FS
Master Electrical Component List
Control Module References
G301 Page 1 of 2
G202 and G203
Figure 9:

G301 - 1 of 2


Object Number: 1877516  Size: FS
Master Electrical Component List
Control Module References
G301 Page 2 of 2
G204, G205 and G302
Figure 10:

G301 - 2 of 2


Object Number: 1877517  Size: FS
Master Electrical Component List
Control Module References
G401 Page 1 of 2
G301 Page 1 of 2
Figure 11:

G401 - 1 of 2


Object Number: 1877518  Size: FS
Master Electrical Component List
Control Module References
G401 Page 2 of 2
G301 Page 2 of 2
Figure 12:

G401 - 2 of 2


Object Number: 1877519  Size: FS
Master Electrical Component List
Control Module References
G402
G401 Page 1 of 2
Figure 13:

G402


Object Number: 1877520  Size: FS
Master Electrical Component List
Control Module References
G401 Page 2 of 2