GM Service Manual Online
For 1990-2009 cars only
Figure 1:

Module Power, Ground, Data Communications, MIL and Brake Signal (6T70/6T75)


Object Number: 1883480  Size: FS
Master Electrical Component List
Electronic Component Description
Control Module References
Pressure and Shift Controls
Figure 2:

Pressure and Shift Controls (6T70/6T75)


Object Number: 1883482  Size: FS
Master Electrical Component List
Electronic Component Description
Control Module References
ISS,OSS, TFP and TFT
Module Power, Grounds, Data Communications, MIL and Brake Signal
Figure 3:

ISS, OSS, TFP and TFT (6T70/6T75)


Object Number: 1883483  Size: FS
Master Electrical Component List
Electronic Component Description
Control Module References
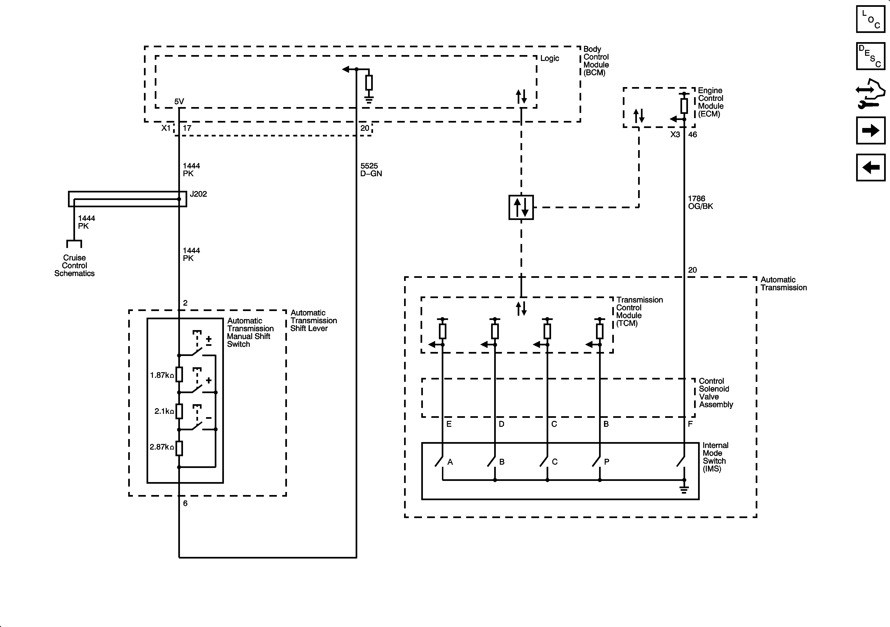
IMS and TapUp/TapDown
Pressure and Shift Controls
Figure 4:

IMS and TapUp/TapDown (6T70/6T75)


Object Number: 1883484  Size: FS
Master Electrical Component List
Electronic Component Description
Control Module References
ISS,OSS, TFP and TFT