GM Service Manual Online
For 1990-2009 cars only
Figure 1:

Driver Door Locks


Object Number: 1878073  Size: FS
Master Electrical Component List
Power Door Locks Description and Operation
Control Module References
Door Lock Actuators
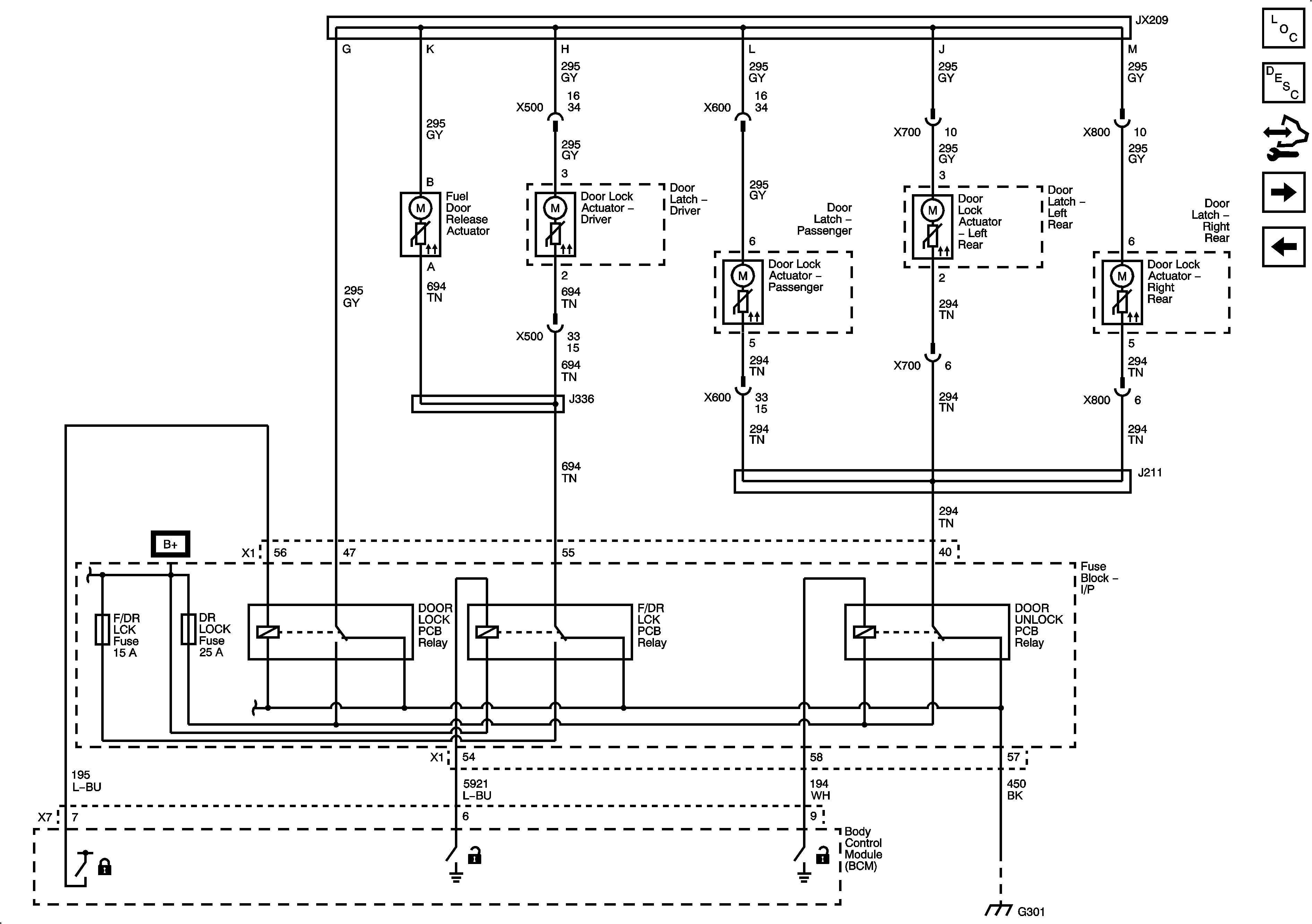
Figure 2:

Door Lock Actuators


Object Number: 1878074  Size: FS
Master Electrical Component List
Power Door Locks Description and Operation
Control Module References
Door Lock Indicators
Driver Door Locks
Figure 3:

Door Lock Indicators


Object Number: 1878075  Size: FS
Master Electrical Component List
Power Door Locks Description and Operation
Control Module References
Door Lock Actuators
Figure 1:

Driver Door Locks


Object Number: 2079484  Size: FS
Figure 2:

Door Lock Actuators


Object Number: 2079488  Size: FS
Figure 3:

Door Lock Indicators


Object Number: 2079493  Size: FS