GM Service Manual Online
For 1990-2009 cars only
Figure 1:

Starting (LE5/LY7/LZ4)


Object Number: 1883276  Size: FS
Master Electrical Component List
Starting System Description and Operation
Control Module References
Charging Schematics (LE5/LY7/LZ4)
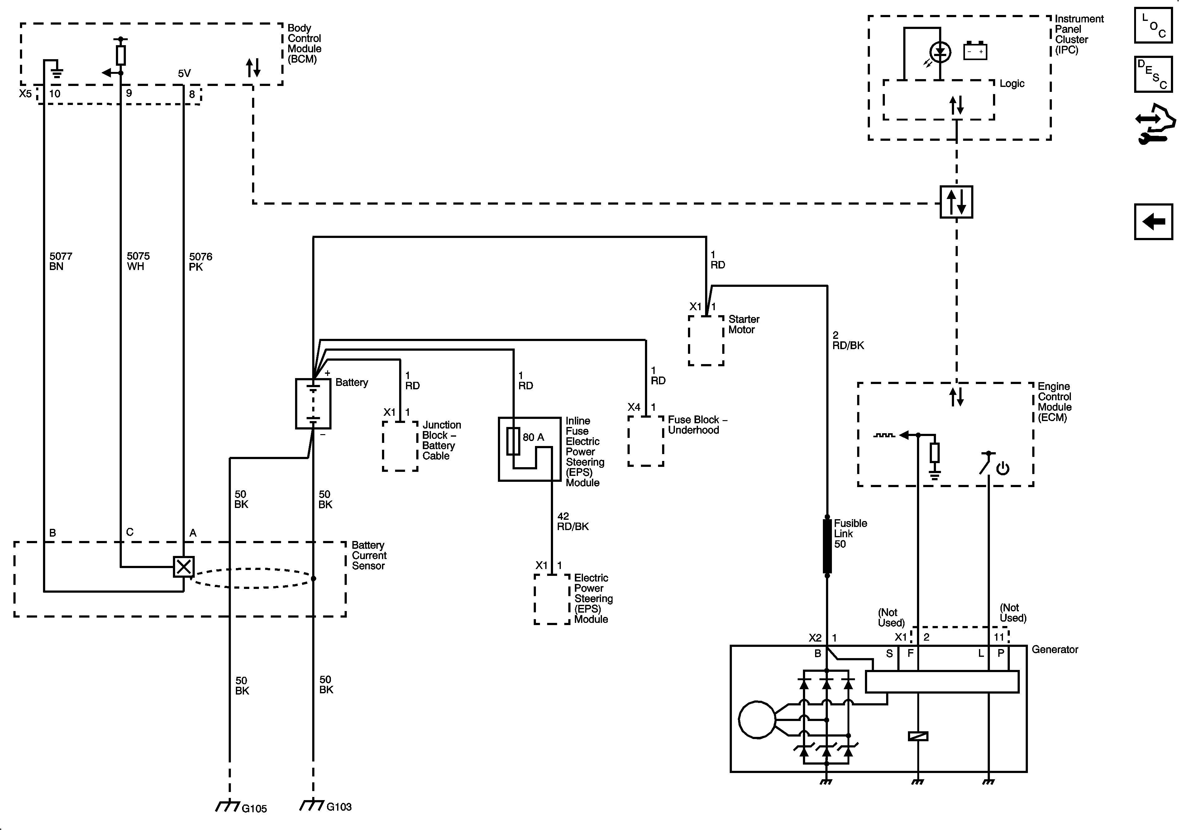
Figure 2:

Charging (LE5/LY7/LZ4)


Object Number: 1883277  Size: FS
Master Electrical Component List
Charging System Description and Operation
Control Module References
Starting Schematics (LE5/LY7/LZ4)
Figure 3:

Charging (HP7)


Object Number: 2043573  Size: FS
Master Electrical Component List
Charging System Description and Operation
Control Module References
Charging Schematics (LE5/LY7/LZ4)
Figure 1:

Starting (LE5/LY7/LZ4)


Object Number: 2079857  Size: FS
Figure 2:

Charging (LE5/LY7/LZ4)


Object Number: 2079859  Size: FS