GM Service Manual Online
For 1990-2009 cars only
Figure 1:

1 of 2


Object Number: 1883310  Size: FS
Master Electrical Component List
Interior Lighting Systems Description and Operation
Control Module References
2 of 2
Figure 2:

2 of 2


Object Number: 1883311  Size: FS
Master Electrical Component List
Interior Lighting Systems Description and Operation
Control Module References
Underseat Lighting (C2B)
1 of 2
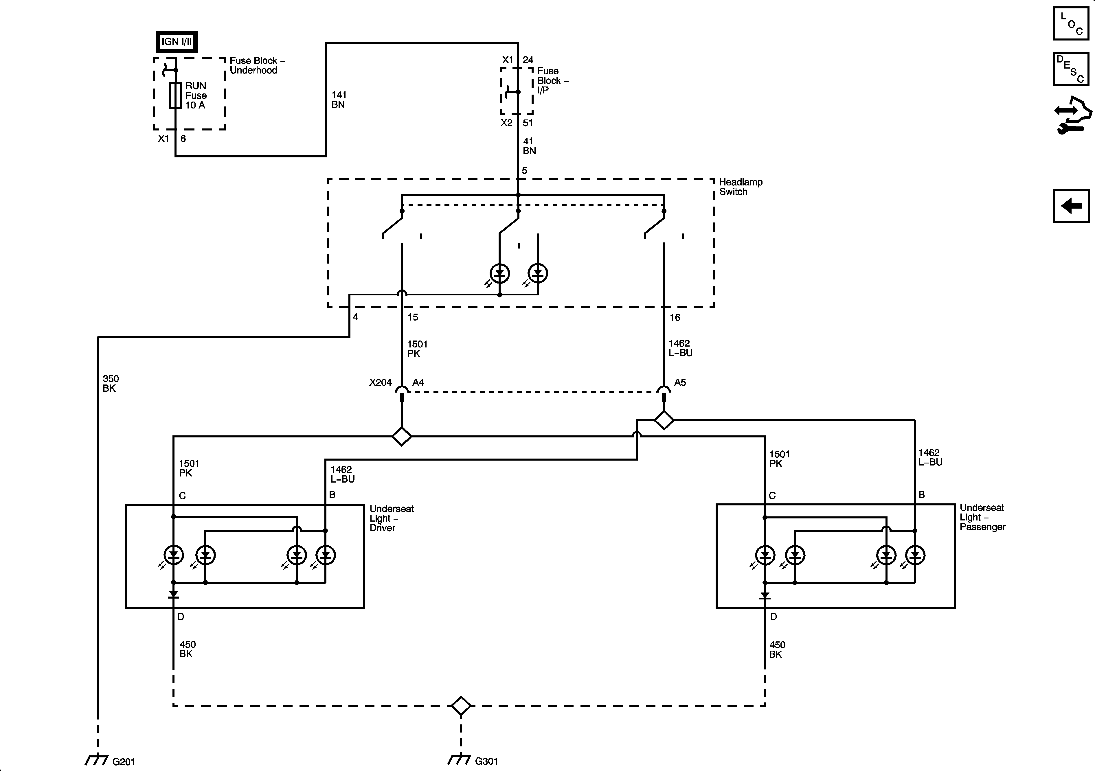
Figure 3:

Under Seat Lamps (C2B)


Object Number: 1883312  Size: FS
Master Electrical Component List
Interior Lighting Systems Description and Operation
Control Module References
2 of 2
Figure 1:

1 of 2


Object Number: 2079465  Size: FS
Figure 2:

2 of 2


Object Number: 2079468  Size: FS
Figure 3:

Under Seat Lamps (C2B)


Object Number: 2079470  Size: FS