GM Service Manual Online
For 1990-2009 cars only

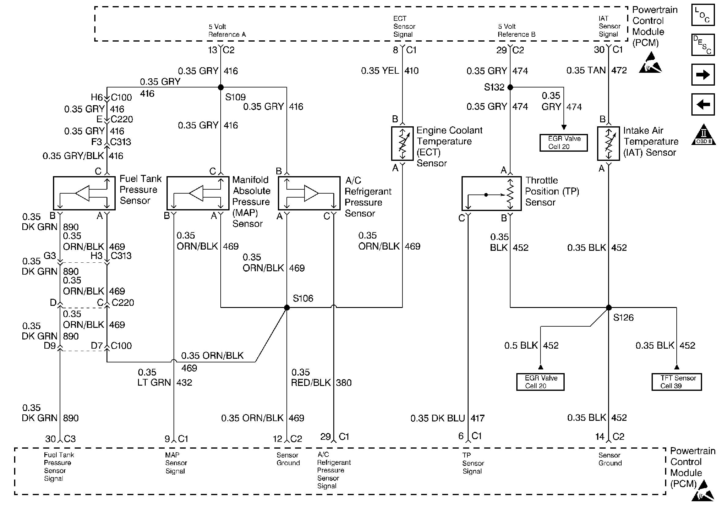
Refer to

Engine Data Sensors


Object Number: 25331  Size: FS
Engine Controls Components
Information Sensors
EVAP and EGR Controls
Fuel Controls
OBD II Symbol Description Notice
Handling ESD Sensitive Parts Notice
and

EVAP and EGR Controls


Object Number: 25332  Size: FS
Engine Controls Components
Exhaust Gas Recirculation (EGR) System
Oxygen Sensors
Engine Data Sensors
OBD II Symbol Description Notice
Handling ESD Sensitive Parts Notice
for wiring view.

Circuit Description

The evaporative system includes the following components:

    • The fuel tank
    • The EVAP vent solenoid
    • Fuel tank pressure sensor
    • The fuel pipes and hoses
    • The fuel vapor lines
    • The fuel cap
    • The EVAP canister
    • The purge lines
    • The EVAP canister purge valve
    • The EVAP service port

The evaporative emission system is checked by applying vacuum to the EVAP system and by monitoring for a vacuum decay. The PCM monitors the vacuum level through the fuel tank pressure sensor signal. At an appropriate time, the EVAP canister purge valve and the EVAP vent solenoid are turned ON, allowing the engine to draw a small vacuum on the entire evaporative emission system. After the desired vacuum level has been achieved, the EVAP canister purge valve is turned OFF, sealing the system.

A restricted or blocked EVAP canister vent path is detected by drawing a vacuum on the EVAP system, turning OFF the EVAP vent solenoid and the EVAP canister purge valve (EVAP vent solenoid Open, EVAP purge PWM 0 percent) and monitoring the fuel tank vacuum sensor input. With the EVAP vent solenoid open, any vacuum in the system should decrease quickly unless the vent path is blocked. A blockage can be caused by the following conditions:

    • A faulty EVAP vent solenoid (stuck closed)
    • A plugged, kinked, or pinched vent hose
    • A shorted EVAP vent solenoid driver circuit
    • A plugged evaporative canister

If any of these conditions are present, DTC P0446 will set.

Conditions for Setting the DTC

    • DTCs P0106, P0107, P0108, P0112, P0113, P0117, P0118, P0121, P0122, P0123, P0125, P0131, P0132, P0133, P0134 and P1133 are not set.
    • The BARO is greater than 75 kPa.
    • The intake air temperature is between 5°C and 29°C (41°F and 84°F) at the engine start up.
    • The engine coolant temperature is between 5°C and 29°C (41°F and 84°F) at the engine start up.
    • The Intake Air Temperature is not more than 1°C (2°F) greater than the Engine Coolant Temperature at the engine start up.
    • The Engine Coolant Temperature is not more than 7°C (12°F) greater than the Intake Air Temperature at the engine start up.
    • The fuel tank level is between 26 percent and 74 percent .
    • The TP sensor is between 9 percent and 35 percent.
    • The EVAP solenoid is at 50 percent PWM within 65 seconds of the engine run time.
    • The EVAP system is unable to release the vacuum during the diagnostic test.

Action Taken When the DTC Sets

    • The malfunction indicator lamp (MIL) illuminates.
    • The PCM records the operating conditions at the time when the diagnostic fails. This information stores in the Freeze Frame and Failure Records buffers.
    • A history DTC stores.
    • The coolant fan turns ON.

Conditions for Clearing the MIL/DTC

    • The MIL will turn OFF after three consecutive ignition cycles in which the diagnostic runs without a fault.
    • A history DTC will clear after 40 consecutive warm up cycles without a fault.
    • DTC(s) can be cleared by disconnecting the battery.

Diagnostic Aids

Although this DTC is considered a type A diagnostic (refer to Powertrain Control Module (Serial Data Communication) ), it acts like a type B diagnostic under certain conditions. Whenever this diagnostic reports the system has passed, or if the battery is disconnected, the diagnostic must fail twice before setting a DTC. The initial failure is not reported to the diagnostic executive or displayed on a scan tool. A passing system always reports to the diagnostic executive immediately.

If a DTC P0460 is set along with an EVAP System DTC, the EVAP DTC can not be considered valid until DTC P0460 is repaired and cleared.

Check for the following conditions:

    • Poor connection at PCM. Inspect harness connectors for the following conditions:
       - Backed out terminals
       - Improper mating
       - Broken locks
       - Improperly formed
       - Damaged terminals
       - Poor terminal to wire connection
    • Damaged harness. Inspect the wiring harness to the EVAP vent solenoid and the fuel tank vapor pressure sensor for an intermittent open or short circuit.
    • Kinked, pinched or plugged vent hose. Verify that the vent hose between the canister and the EVAP vent solenoid is not restricted.
    • Refer to Carbon Particle Removal from EVAP System for further procedure.

Test Description

Number(s) below refer to the step number(s) on the Diagnostic Table.

  1. The Powertrain OBD System Check prompts the technician to complete some basic checks and store the freeze frame and failure records data on the scan tool if applicable. This creates an electronic copy of the data taken when the fault occurred. The information is then stored on the scan tool for later reference.

  2. If a vent solenoid electrical fault is present, the purge system will not operate correctly. Repairing the electrical fault will very likely correct the condition that set DTC P0446.

  3. Checks the fuel tank Vapor pressure sensor at ambient pressure.

  4. Forces the fuel tank pressure sensor to re-zero.

  5. Verifies that the fuel tank pressure sensor accurately reacts to EVAP system pressure changes.

  6. Checks for a blocked EVAP canister.

  7. Duplicates the Powertrain On-Board Diagnostic test.

DTC P0446-Evaporative Emission (EVAP) Control System Vent Control

Step

Action

Value(s)

Yes

No

1

Was the Powertrain On-Board Diagnostic (OBD) System Check performed?

--

Go to Step 2

Go to

Powertrain On Board Diagnostic (OBD) System Check 2.4L

Powertrain On Board Diagnostic (OBD) System Check 2.2L

2

Is DTC P0460 also set?

--

Go to

DTC P0460 Fuel Level Sensor Circuit 2.4L

DTC P0460 Fuel Level Sensor Circuit 2.2L

Go to step 3

3

  1. Install a scan tool.
  2. Command the EVAP canister purge valve and the vent solenoid ON and OFF with the scan tool.

Does the purge valve and the vent solenoid click when commanded ON and OFF?

--

Go to Step 4

Go to

Powertrain Control Module Outputs Diagnosis 2.4L

Powertrain Control Module Outputs Diagnosis 2.2L

4

  1. Turn the ignition switch OFF.
  2. Remove the fuel cap.
  3. Turn the ignition switch ON.

Is the Fuel Tank Pressure at the specified value?

0 in. H2O (± 1 in. of HO)

Go to Step 7

Go to Step 5

5

Has the battery been disconnected?

--

Go to

Evaporative Emission Control System Diagnosis 2.4L

Evaporative Emission Control System Diagnosis 2.2L

Go to Step 6

6

Disconnect the battery.

Is the action complete?

--

Go to Step 4

--

7

Important: : Before continuing with the diagnosis, zero the EVAP Pressure and Vacuum gauges on the EVAP pressure/purge cart J 41413. Also read the temperature variation instruction card.( refer to tool operating instructions).

  1. Reinstall the fuel cap.
  2. Using the scan tool, command the EVAP vent solenoid ON (closed).
  3. Connect the EVAP pressure/purge cart J 41413 to the EVAP service port.
  4. Pressurize the EVAP system to the specified value using the EVAP pressure/purge cart J 41413 (monitor the pressure using the gauge on the cart with the switch in the "HOLD" position).
  5. Observe the Fuel Tank Pressure on the scan tool.

Is the Fuel Tank Pressure at the specified value?

5 in. H2O

5 in. H2O (± 2 in. H2O)

Go to Step 8

Go to

Evaporative Emission Control System Diagnosis 2.4L

Evaporative Emission Control System Diagnosis 2.2L

8

  1. Maintain the specified EVAP pressure.
  2. Using the scan tool, command the EVAP vent solenoid OFF (open) while observing the EVAP pressure gauge on the cart J 41413.

Does the EVAP pressure return to the specified value within 5 seconds?

5 in. H2O

0 in. H2O

Refer to Diagnostic Aids

Go to Step 9

9

  1. Disconnect the large vent hose (marked air) from the EVAP canister.
  2. Switch the rotary switch on the cart J 41413 to PURGE.
  3. Start the engine and allow the engine to reach operating temperature.
  4. Observe the vacuum gauge for 5 seconds while holding the engine speed at the specified value.

Does the vacuum remain below the specified value?

30 in. H2O

2500 RPM

Go to Step 10

Go to Step 12

10

  1. Inspect the EVAP vent hose between the EVAP canister and the EVAP vent solenoid for being kinked, pinched, or otherwise blocked.
  2. If a problem is found, repair as necessary.

Was a problem found?

--

Go to Step 13

Go to Step 11

11

Replace the EVAP vent solenoid. Refer to Diagnostic Aids .

Is the action complete?

--

Go to Step 13

--

12

Replace the EVAP canister. Refer to Diagnostic Aids .

Is the action complete?

--

Go to Step 13

--

13

  1. Using the scan tool, command the EVAP vent solenoid ON (closed).
  2. Pressurize the EVAP system to the specified value.
  3. Switch the rotary switch on the cart J 41413 to HOLD.
  4. Using the scan tool, command the EVAP vent solenoid OFF (open) while observing the EVAP pressure gauge on the cart J 41413.

Does the EVAP pressure return to the specified value within 5 seconds?

5 in. H2O

0 in. H2O

Go to Step 14

Go to Step 3

14

Clear the DTCs using the Battery Disconnect method found in Conditions for Clearing the DTC/MIL.

Is the action complete?

System OK

--