| Table 1: | Shift Solenoid State Table |
| Table 2: | P0753 |
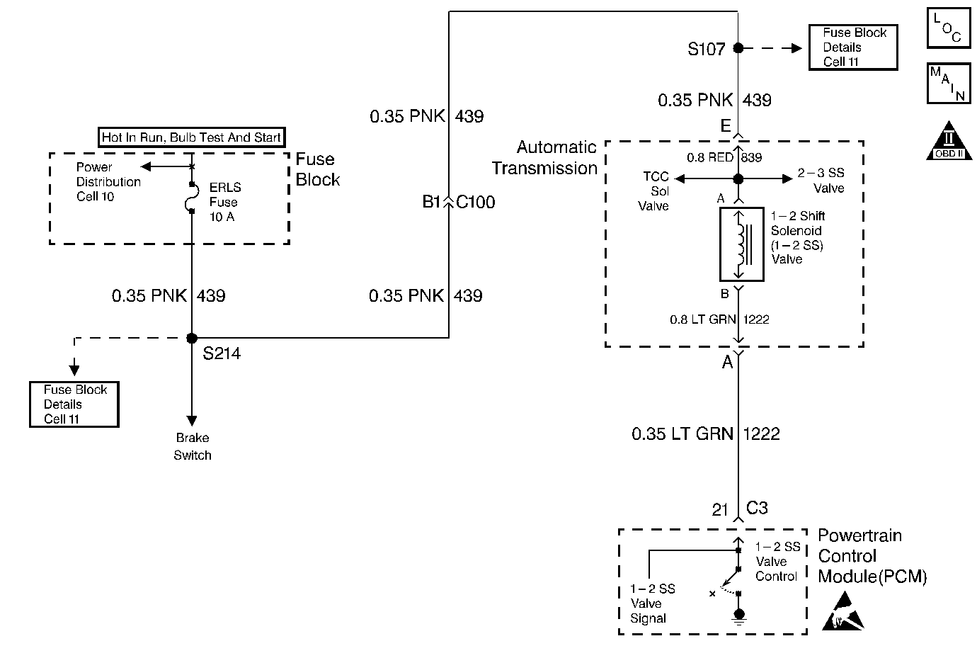
The 1-2 Shift Solenoid Valve (1-2 SS Valve) controls fluid flow acting on the 1-2 shift valve. The solenoid is a normally-open valve that, in conjunction with the 2-3 Shift Solenoid Valve (2-3 SS Valve), allows four different shifting combinations (Refer to the 4T40-E Shift Solenoid State chart). The 1-2 SS Valve is attached to the valve body, within the transmission.
The solenoid receives ignition voltage through the fused circuit. The Powertrain Control Module (PCM) commands the solenoid ON or OFF by providing a ground path through circuit 1222.
When the PCM detects a continuous open, short to ground, or short to power in the 1-2 SS Valve circuit, then DTC P0753 sets. DTC P0753 is a type A DTC.
| • | The ignition switch is in the RUN position. |
| • | The PCM commands the solenoid ON, and the voltage remains high for 4.3 seconds. |
| • | The PCM illuminates the Malfunction Indicator Lamp (MIL). |
| • | The PCM freezes shift adapts from being updated. |
| • | The PCM commands maximum line pressure. |
| • | The PCM inhibits TCC engagement. |
| • | The PCM commands a soft landing to 2nd gear. |
| • | DTC P0753 is stored in the PCM history. |
| • | The PCM turns OFF the MIL after three consecutive ignition cycles without a failure reported. |
| • | A scan tool can clear the DTC from the PCM history. The PCM clears the DTC from the PCM history if the vehicle completes 40 warm-up cycles without a failure reported. |
| • | The PCM cancels the DTC default actions when the fault no longer exists and the ignition is OFF long enough in order to power down the PCM. |
| • | An open in circuit 439 will cause multiple DTCs to set. |
| • | Inspect the wiring for poor electrical connections at the PCM. Inspect the wiring for poor electrical connections at the transmission 20-way connector. Look for the following conditions: |
| - | A bent terminal |
| - | A backed out terminal |
| - | A damaged terminal |
| - | Poor terminal tension |
| - | A chafed wire |
| - | A broken wire inside the insulation |
| • | When diagnosing for an intermittent short or open condition, massage the wiring harness while watching the test equipment for a change. |
Gear | 1-2 Shift Solenoid Valve | 2-3 Shift Solenoid Valve |
|---|---|---|
1st | ON | OFF |
2nd | OFF | OFF |
3rd | OFF | ON |
4th | ON | ON |
The numbers below refer to the Step numbers on the diagnostic table.
DTCs P0719, P0724, and P0758 set if the power circuit is open.
This Step tests the electrical operation of the solenoid.
This Step tests the PCM and the wiring to the transmission.
This Step verifies that the circuit has the correct resistance.
This Step circuit 1222 for a short to battery power.
Step | Action | Value(s) | Yes | No | ||||||
|---|---|---|---|---|---|---|---|---|---|---|
1 | Was the Powertrain On-Board Diagnostic (OBD) System Check performed? | -- | Go to | |||||||
Important: Before clearing the DTCs, use the scan tool in order to record the Freeze Frame and Failure Records for reference. The Clear Info function will erase the data. Are DTCs P0719, P0724, and P0758 also set? | -- | |||||||||
3 |
Did you find the condition? | -- | ||||||||
4 | Repair the short to ground in circuit 439/839. Refer to Repair Procedures, Section 8. Did you find and correct the condition? | -- | -- | |||||||
5 | Inspect circuit 439/839 for an open. Refer to Troubleshooting Procedures, Section 8. Did you find and correct the condition? | -- | -- | |||||||
Does the solenoid click when commanded ON and OFF? | -- | Go to Diagnostic Aids | ||||||||
Is the test lamp ON when you command the solenoid ON, and OFF when you command the solenoid OFF? | -- | |||||||||
8 | Is the test lamp always ON? | -- | ||||||||
9 |
Is the test lamp ON? | -- | ||||||||
10 | Inspect circuit 1222 for a short to ground. Refer to Troubleshooting Procedures, Section 8. Did you find the condition? | -- | -- | |||||||
11 | Repair the short to ground in circuit 1222. Refer to Repair Procedures, Section 8. Is the repair complete? | -- | -- | |||||||
12 | Is the test lamp always OFF? | -- | -- | |||||||
13 | Inspect circuit 1222 for an open. Refer to Troubleshooting Procedures, Section 8. Did you find the condition? | -- | ||||||||
14 | Repair the open in circuit 1222. Refer to Repair Procedures, Section 8. Is the repair complete? | -- | -- | |||||||
Is the resistance within the specified range? | 19-31ohms | |||||||||
16 | Is the resistance greater than the specified value? | 250ohms | ||||||||
17 |
Refer to Troubleshooting Procedures, Section 8. Did you find and correct the condition? | -- | -- | |||||||
18 | Connect an ohmmeter from terminal A to a good ground. Is the resistance less than the specified value? | 1000ohms | ||||||||
19 | Inspect circuit 1222 for a short to ground. Refer to Troubleshooting Procedures, Section 8. Did you find and correct the condition? | -- | -- | |||||||
Connect a test lamp from terminal A to a good ground. Is the test lamp ON? | -- | |||||||||
21 | Inspect circuit 1222 for a short to battery power. Refer to Troubleshooting Procedures, Section 8. Did you find the condition? | -- | -- | |||||||
22 | Repair the short to battery power in circuit 1222. Refer to Repair Procedures, Section 8. Is the repair complete? | -- | -- | |||||||
23 | Replace the 1-2 SS Valve. Refer to 1-2 Shift Solenoid Valve Replacement, in On-Vehicle Service. Is the replacement complete? | -- | -- | |||||||
24 | Replace the PCM. Refer to Section 6: Powertrain Control Module/EEPROM Replacement/Programming (2.2L) Powertrain Control Module/EEPROM Replacement/Programming (2.4L) Is the replacement complete? | -- | -- | |||||||
25 | In order to verify your repair, perform the following procedure:
Has the test run and passed? | -- | System OK |