GM Service Manual Online
For 1990-2009 cars only
Figure 1:

Power, Ground, MIL, and DLC


Object Number: 32700  Size: FS
Engine Controls Components
Information Sensors
Ignition Controls
Handling ESD Sensitive Parts Notice
OBD II Symbol Description Notice
Handling ESD Sensitive Parts Notice
Figure 2:

Ignition Controls


Object Number: 32708  Size: FS
Engine Controls Components
Information Sensors
Fuel Controls
Power, Ground, MIL, and DLC
OBD II Symbol Description Notice
Handling ESD Sensitive Parts Notice
Figure 3:

Fuel Controls


Object Number: 32737  Size: FS
Engine Controls Components
Information Sensors
Engine Data Sensors
Ignition Controls
OBD II Symbol Description Notice
Handling ESD Sensitive Parts Notice
Figure 4:

Engine Data Sensors


Object Number: 32767  Size: FS
Engine Controls Components
Information Sensors
EVAP and EGR Controls
Fuel Controls
OBD II Symbol Description Notice
Handling ESD Sensitive Parts Notice
Handling ESD Sensitive Parts Notice
Figure 5:

EVAP and EGR Controls


Object Number: 32870  Size: FS
Engine Controls Components
Information Sensors
Oxygen Sensors
Engine Data Sensors
OBD II Symbol Description Notice
Handling ESD Sensitive Parts Notice
Figure 6:

Oxygen Sensors


Object Number: 32872  Size: FS
Engine Controls Components
Information Sensors
IAC Valve, Generator, TR and Coolant Switches
EVAP and EGR Controls
OBD II Symbol Description Notice
Handling ESD Sensitive Parts Notice
Figure 7:

IAC Valve, Generator, TR and Coolant Switches


Object Number: 32873  Size: FS
Engine Controls Components
Information Sensors
VSS and Cruise Control
Oxygen Sensors
OBD II Symbol Description Notice
Handling ESD Sensitive Parts Notice
Figure 8:

VSS and Cruise Control


Object Number: 32874  Size: FS
Engine Controls Components
Information Sensors
Transaxle Controls (Solenoids)
IAC Valve, Generator, TR and Coolant Switches
OBD II Symbol Description Notice
Handling ESD Sensitive Parts Notice
Handling ESD Sensitive Parts Notice
Handling ESD Sensitive Parts Notice
Handling ESD Sensitive Parts Notice
Figure 9:

Transaxle Controls (Solenoids)


Object Number: 32875  Size: FS
Engine Controls Components
Information Sensors
Transaxle Controls (Switches)
VSS and Cruise Control
OBD II Symbol Description Notice
Handling ESD Sensitive Parts Notice
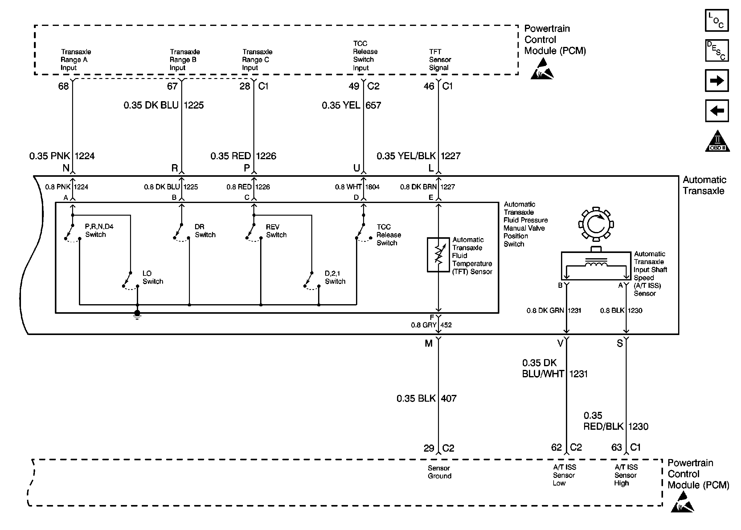
Figure 10:

Transaxle Controls (Switches)


Object Number: 32876  Size: FS
Engine Controls Components
Information Sensors
A/C Controls
Transaxle Controls (Solenoids)
OBD II Symbol Description Notice
Handling ESD Sensitive Parts Notice
Handling ESD Sensitive Parts Notice
Figure 11:

A/C Controls


Object Number: 32877  Size: FS
Engine Controls Components
Information Sensors
Cooling Fan Controls
Transaxle Controls (Switches)
OBD II Symbol Description Notice
Handling ESD Sensitive Parts Notice
Figure 12:

Cooling Fan Controls


Object Number: 32878  Size: FS
Engine Controls Components
Information Sensors
A/C Controls
OBD II Symbol Description Notice
Handling ESD Sensitive Parts Notice