GM Service Manual Online
For 1990-2009 cars only
Figure 1:

Power, Ground, MIL, and DLC


Object Number: 184494  Size: FS
Engine Controls Components
Information Sensors/Switches Description
Ignition Controls
Handling Electrostatic Discharge Sensitive Parts Notice
OBDII Symbol Description Notice
Handling Electrostatic Discharge Sensitive Parts Notice
Figure 2:

Ignition Controls


Object Number: 184498  Size: FS
Engine Controls Components
Information Sensors/Switches Description
Fuel Controls
Power, Ground, MIL, and DLC
OBDII Symbol Description Notice
Handling Electrostatic Discharge Sensitive Parts Notice
Figure 3:

Fuel Controls


Object Number: 184503  Size: FS
Engine Controls Components
Information Sensors/Switches Description
Engine Data Sensors
Ignition Controls
OBDII Symbol Description Notice
Handling Electrostatic Discharge Sensitive Parts Notice
Figure 4:

Engine Data Sensors


Object Number: 184505  Size: FS
Engine Controls Components
Information Sensors/Switches Description
EVAP and EGR Controls
Fuel Controls
OBDII Symbol Description Notice
Handling Electrostatic Discharge Sensitive Parts Notice
Handling Electrostatic Discharge Sensitive Parts Notice
Figure 5:

EVAP and EGR Controls


Object Number: 184510  Size: FS
Engine Controls Components
Information Sensors/Switches Description
Oxygen Sensors
Engine Data Sensors
OBDII Symbol Description Notice
Handling Electrostatic Discharge Sensitive Parts Notice
Figure 6:

Oxygen Sensors


Object Number: 184515  Size: FS
Engine Controls Components
Information Sensors/Switches Description
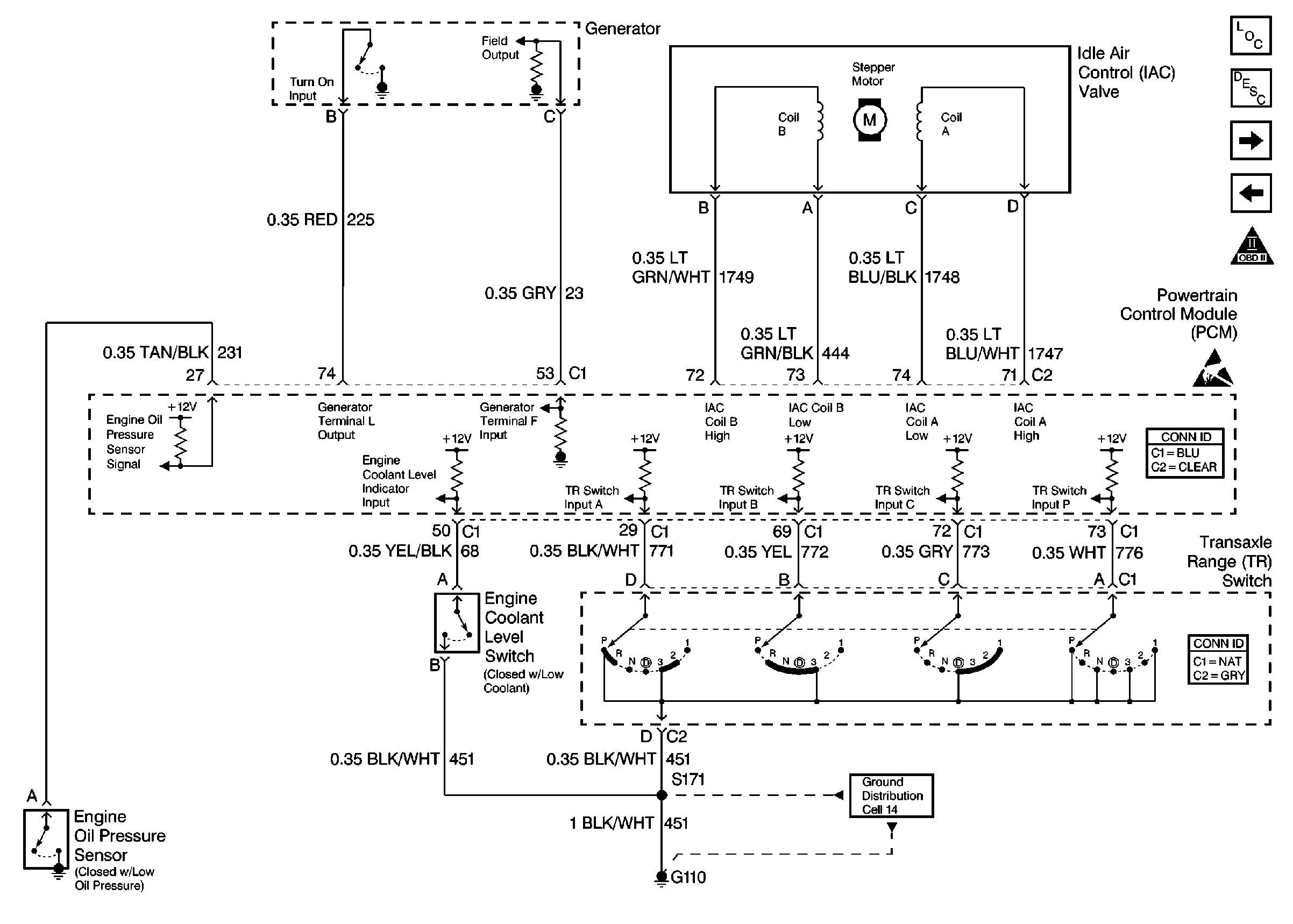
IAC Valve, Generator, TR and Coolant Switches
EVAP and EGR Controls
OBDII Symbol Description Notice
Handling Electrostatic Discharge Sensitive Parts Notice
Figure 7:

IAC Valve, Generator, TR and Coolant Switches


Object Number: 184518  Size: FS
Engine Controls Components
Information Sensors/Switches Description
VSS and Cruise Control
Oxygen Sensors
OBDII Symbol Description Notice
Handling Electrostatic Discharge Sensitive Parts Notice
Figure 8:

VSS and Cruise Control


Object Number: 184524  Size: FS
Engine Controls Components
Information Sensors/Switches Description
Transaxle Controls (Solenoids)
IAC Valve, Generator, TR and Coolant Switches
OBDII Symbol Description Notice
Handling Electrostatic Discharge Sensitive Parts Notice
Handling Electrostatic Discharge Sensitive Parts Notice
Handling Electrostatic Discharge Sensitive Parts Notice
Handling Electrostatic Discharge Sensitive Parts Notice
Figure 9:

Transaxle Controls (Solenoids)


Object Number: 184535  Size: FS
Engine Controls Components
Information Sensors/Switches Description
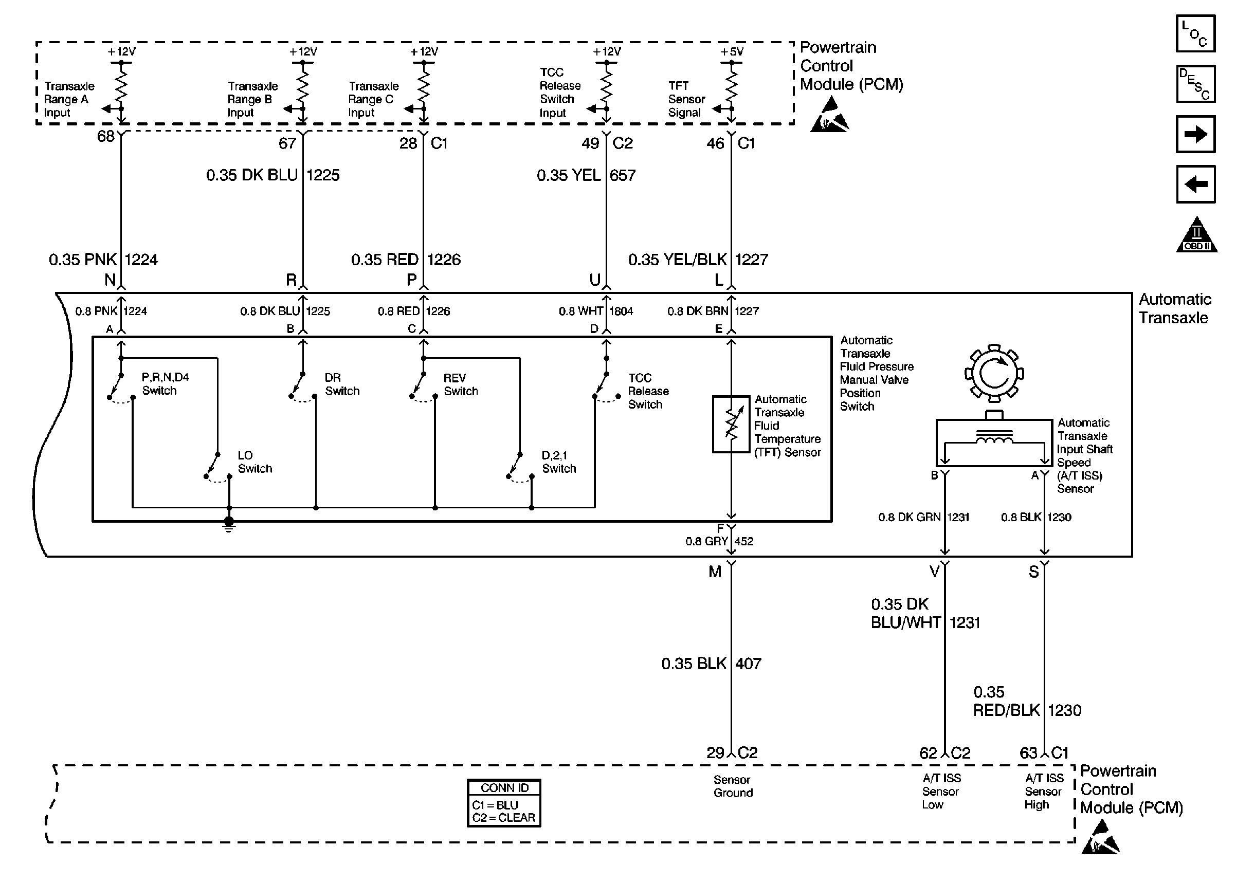
Transaxle Controls (Switches)
VSS and Cruise Control
OBDII Symbol Description Notice
Handling Electrostatic Discharge Sensitive Parts Notice
Figure 10:

Transaxle Controls (Switches)


Object Number: 184540  Size: FS
Engine Controls Components
Information Sensors/Switches Description
A/C Controls
Transaxle Controls (Solenoids)
OBDII Symbol Description Notice
Handling Electrostatic Discharge Sensitive Parts Notice
Handling Electrostatic Discharge Sensitive Parts Notice
Figure 11:

A/C Controls


Object Number: 184543  Size: FS
Engine Controls Components
Information Sensors/Switches Description
Cooling Fan Controls
Transaxle Controls (Switches)
OBDII Symbol Description Notice
Handling Electrostatic Discharge Sensitive Parts Notice
Figure 12:

Cooling Fan Controls


Object Number: 184546  Size: FS
Engine Controls Components
Information Sensors/Switches Description
A/C Controls
OBDII Symbol Description Notice
Handling Electrostatic Discharge Sensitive Parts Notice