GM Service Manual Online
For 1990-2009 cars only
Makes
🢒
Chevrolet
🢒
2000
🢒
Cavalier
🢒
Body and Accessories
🢒
Cruise Control
🢒 Cruise Control Schematics
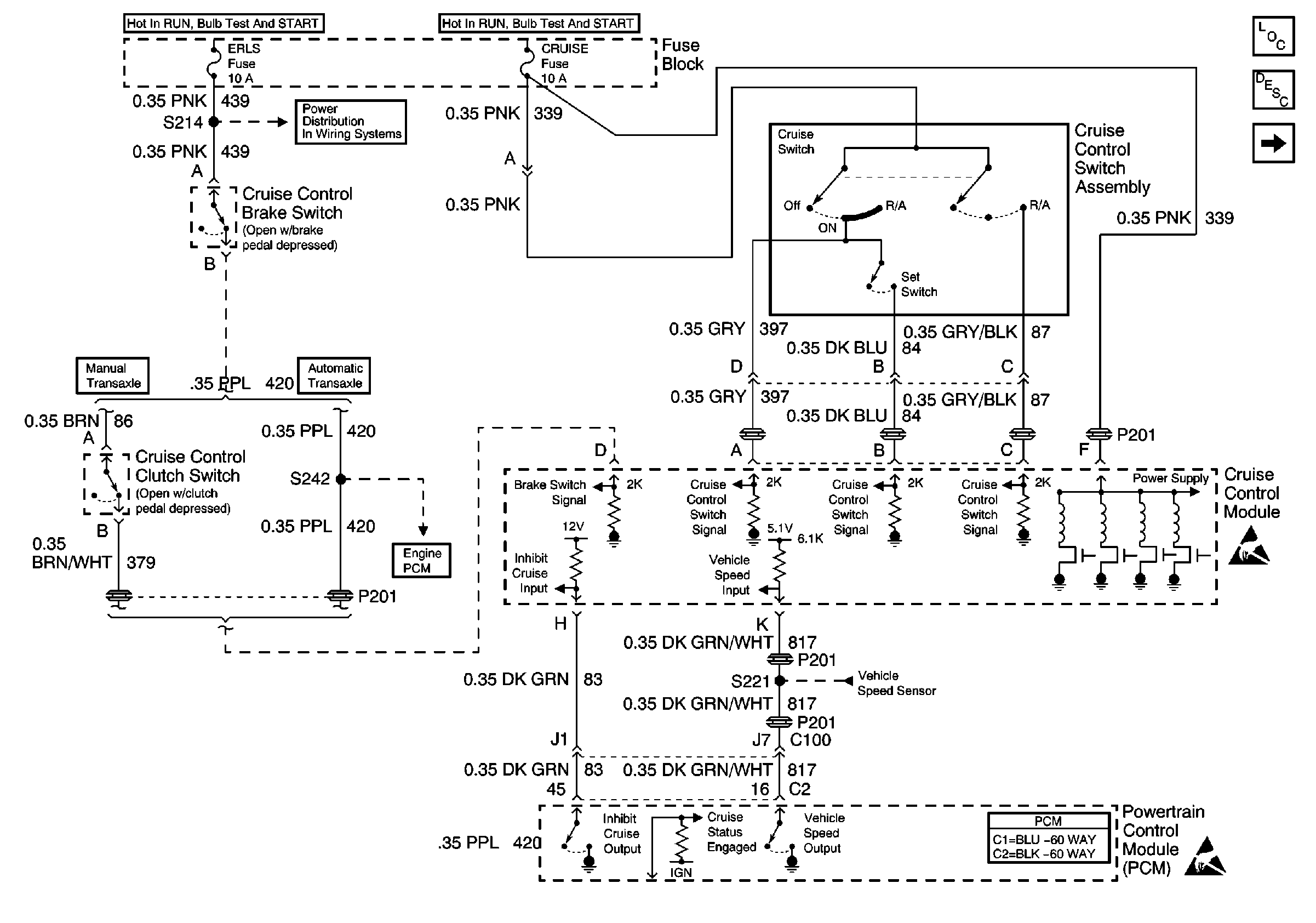
Figure
1:
Cruise Control Module,Switch Assembly and PCM
Figure
2:
Cruise Control Module