GM Service Manual Online
For 1990-2009 cars only

Removal Procedure

  1. Unlatch the power folding top from the windshield header in order to relieve backlite tension.
  2. Remove the right quarter trim panel. Refer to Rear Quarter Trim Panel Replacement in Interior Trim.
  3. Remove the back belt molding. Refer to Back Belt Outer Molding Replacement .
  4. Remove the outer molding on the right quarter panel belt only. Refer to Quarter Panel Belt Outer Molding Replacement .

  5. Object Number: 299119  Size: SH
  6. Remove the heated backlite connector (4).
  7. Remove the rear spoiler on Pontiac vehicles only. Refer to Rear Spoiler Replacement in Body Rear End.
  8. Important: Only remove the topcover staples from the tackstrip on the left side enough in order to access the rear staypad and the backlite staples.

  9. Remove the topcover staples (2) that retain the topcover to the right side of the tackstrip.

  10. Object Number: 299112  Size: SH

    Caution: Eye protection must be worn when drilling rivets to reduce the chance of personal injury.

  11. Remove the rivets (4) from the topcover (2) to the body flange:
  12. 8.1. Punch out the center pin.
    8.2. Drill out the rivet.

    Object Number: 299119  Size: SH
  13. Remove the staples (2) from the left and the right stay pad (1) to the tackstrip.
  14. Remove the staples (2) from the backlite water trap and the lower valance to the tackstrip.
  15. Pull the backlite (3) toward the right side of the vehicle in order to slide the backlite assembly retainer out of the No. 4 bow (5).

Installation Procedure


    Object Number: 299119  Size: SH
  1. Install the backlite assembly retainer into the No. 4 bow upper groove from the right side of the vehicle.
  2. Align the backlite centering notch with the center hole in the No. bow (5).


    Object Number: 299117  Size: SH

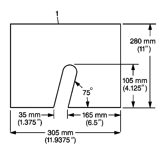
    Important: Use 2 No. 1 bow blocks in order to achieve correct backlite tension. These components must be fabricated from suitable materials by technician. Refer to Topcover Installation Spacers for component dimensions.

  3. Position the No. 1 bow blocks (2) between the windshield header and the No. 1 bow.

  4. Object Number: 299121  Size: SH

    Important: Use two backlite support blocks in order to achieve correct backlite tension.

  5. Position the backlite support blocks (1) on the rear seatback panel

  6. Object Number: 299119  Size: SH
  7. Add butyl tape to the quarter belt tackstrip as required in order to ensure sealing of the backlite (3), and the topcover.
  8. Important: 

       • The No. 1 bow must remain seated on the blocks when stapling the backlite and the staypads.
       • Pulling the rear staypads and the backlite too tight may affect the topstack pull-down and latching effort.

  9. Attach the backlite to the tackstrip.
  10. 5.1. Pull the backlite lower valance taut.
    5.2. Use staples (2) in order to attach the backlite to the tackstrip.
  11. Attach the water trap to the tackstrip.
  12. 6.1. Pull the backlite water trap taut.
    6.2. Use staples (2) in order to attach the water trap to the tackstrip.
  13. Attach the rear stay pads to the tackstrip.
  14. 7.1. Pull the rear stay pads tight (1)
    7.2. Align the staypad inner edge with the backlite welt stitching.
    7.3. Use stainless steel staples (2) in order to staple the rear stay pads to the tackstrip.
  15. Secure the topcover.
  16. 8.1. Pull the topcover taut and use stainless steel staples in order to staple the topcover sail panel material.

    Start at the front of the tackstrip and stop at the corner seams.

    8.2. Pull the topcover taut and use stainless steel staples in order to staple the topcover sail panel material.

    Start at the backlite opening and work outward to the corner seam.

  17. Remove the blocks and the spacers.
  18. Raise the power folding top.
  19. Latch the power folding top to the windshield header.
  20. Inspect the topcover for proper appearance and latching effort.

  21. Object Number: 299112  Size: SH
  22. Use an aluminum rivet in order to secure the topcover (2) to the body flange.

  23. Object Number: 299119  Size: SH
  24. Install the heated backlite connector (4).
  25. Install the rear spoiler on Pontiac vehicles only. Refer to Rear Spoiler Replacement in Body Rear End.
  26. Install the quarter panel belt outer molding. Refer to Quarter Panel Belt Outer Molding Replacement .
  27. Install the back belt molding. Refer to Back Belt Outer Molding Replacement .
  28. Install the right quarter trim panel. Refer to Rear Quarter Trim Panel Replacement in Interior Trim.